阿摩線上測驗
登入
首頁
>
教甄◆電子科/資訊科/電機科/冷凍空調科/控制科/電機空調科
>
113年 - 113-2 臺北市立松山高級工農職業學校正式教師甄選筆試試題:電子科#120600
> 申論題
題組內容
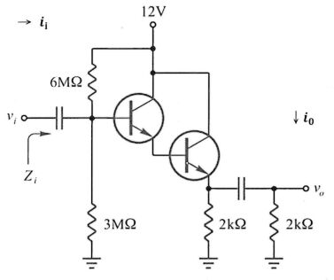
3. 如下圖所示之電路,兩電晶體之 β皆為79,切入電壓
皆為0.7V,
= 26mV,試求:
(2)電流增益
約為多少?(3分)
相關申論題
6. 如下圖唯一主動帶通濾波器(BPF),請繪出頻率響應圖(3分),並標示低頻截止頻率及高頻截止頻率之值(3分)
#513792
貳、填充題: 1. 如下圖,可列出迴路電流方程式如圖右側所示,求其係數A+B+C+D+E為何?
#513774
2. 如下圖,已知電動機等效電路為 RL 串聯電路,其 R = 6Ω, L = 16mH,且v(t) = ,若 S 閉合,整個電路之 PF 提高至0.8,則電容器C應為多少?
#513775
3. 如下圖,欲使電路諧振,則C值應調整為多少法拉?
#513776
4. 如下圖,節點電壓V1+V2為多少?
#513777
5. 已知家用電每個月基本度數為40度,不超過40度以40度計算,且需收基本電費88元。若超過40度,每度加收2.5元。今有一電熱器 1200 瓦特(W),每天使用10小時,問使用此電熱器一個月(以30天計算),應付電費多少元?
#513778
6. 如下圖所示電路,若所有電晶體之特性皆相同,,求此電路的電壓增益()約為多少?
#513779
7. 如下圖所示之電路,假設空乏型MOSFET 之,且電流= 0.6mA,試求電壓增益約為何?
#513780
8. 如下圖(圖示錯誤,應為電路圖)所示 MOSFET 數位電路輸入與輸出關係為何?
#513781
9. 如下圖所示電路OPA為理想,±Vcc = ±15V試求輸出電壓Vo為多少?
#513782
相關試卷
115年 - [無官方正解]115 臺北市立松山高級工農職業學校_正式教師甄選試題:電子科、資訊科#139072
115年 · #139072
114年 - 114 高雄市市立高級中等學校聯合教師甄選試題:資料處理科#127345
114年 · #127345
114年 - 114 高雄市市立高級中等學校聯合教師甄選試題:電子科#127344
114年 · #127344
114年 - 114 高雄市市立高級中等學校聯合教師甄選試題:電機科#127337
114年 · #127337
114年 - 114 高雄市市立高級中等學校_聯合教師甄選:資訊科#127273
114年 · #127273
114年 - 114 教育部受託辦理_公立高級中等學校教師甄選試題:資訊科#126955
114年 · #126955
114年 - 114 臺北市松山工農_正式教師甄選﹕電子科與資訊科#126907
114年 · #126907
114年 - 114 新北市高級中等學校_教師聯合甄選試題:資訊、電子科#126872
114年 · #126872
114年 - 114 新北市高級中等學校_教師聯合甄選試題:控制科、電機科#126871
114年 · #126871
114年 - 114-1 臺北市立大安高級工業職業學校_教師甄選筆試試題_電子科:數位邏輯設計#126488
114年 · #126488