題組內容
4.如圖 8 所示 MOSFET 疊接放大電路,
= 500Ω,
= 2.3kΩ,
= 5MΩ,
= 5MΩ。已知 MOSFET 均操作於飽和區且 Q1 之轉移電導 gm1 = 32mA/V,Q2 之轉移電導 gm2 =27mA/V,汲極交流電阻
均忽略不計
試求︰

(2)計算電壓增益 vo / vi 為何?
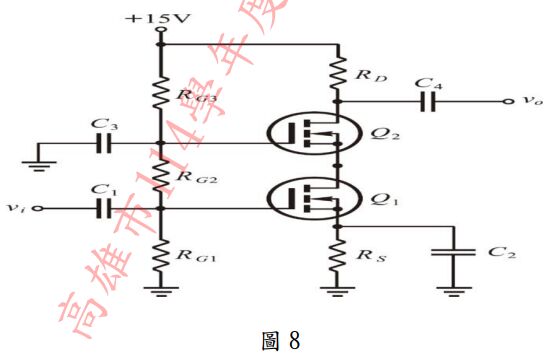
4.如圖 8 所示 MOSFET 疊接放大電路,
= 500Ω,
= 2.3kΩ,
= 5MΩ,
= 5MΩ。已知 MOSFET 均操作於飽和區且 Q1 之轉移電導 gm1 = 32mA/V,Q2 之轉移電導 gm2 =27mA/V,汲極交流電阻
均忽略不計
試求︰

(2)計算電壓增益 vo / vi 為何?