阿摩線上測驗
登入
首頁
>
教甄◆電子科/資訊科/電機科/冷凍空調科/控制科/電機空調科
>
110年 - 110 教育部受託辦理公立高級中等學校教師甄選:電機科、機電科#99907
> 申論題
題組內容
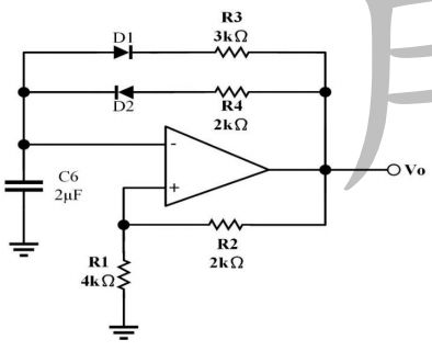
8.下圖OPA脈波產生電路中的二極體為理想型,ln(5)≈1.6,試求振盪週期T=(1)______ 及工作週期 Duty Cycle%=(2)______ 。
(2)
相關申論題
25. 有一台300 √3 V、120kVA、60Hz的Y接線三相同步發電機。對其做開路試驗,測到激磁電流為14A時,線電壓是300√ 3 V;對其做短路試驗,測到激磁電流為14A時,電樞電流是150A。若電樞電阻忽略不計,請計算此機的百分比同步阻抗為多少? (A)1.125 (B)1.3 (C)2 (D)0.88。
#417925
一、填充題 1.如下圖,庫侖,庫侖,則圖中a點電場強度值為______牛頓/庫侖。
#417926
2.如下圖所示升壓自耦電路,電壓為V1,升壓為V1 + E以供給P(W) ,cosθ之滯後負載,則電流I之表示式為I =______
#417927
(1)
#417928
(2)
#417929
(3)
#417930
(4)
#417931
(1)
#417932
(2)
#417933
(3)
#417934
相關試卷
115年 - 115 教育部受託辦理公立高級中等學校教師甄選試題:電子科#139845
115年 · #139845
115年 - 115 教育部受託辦理公立高級中等學校教師甄選試題:資訊科/電子科#139620
115年 · #139620
115年 - [無官方正解]115-2 臺北市立大安高級工業職業學校_教師甄選試題_電子、控制科:基本電學#139535
115年 · #139535
115年 - 115-2 臺北市立大安高級工業職業學校_教師甄選筆試試題:電子、控制科-基本電學#139346
115年 · #139346
115年 - 115 臺北市立內湖高級工業職業學校_正式教師甄選試題:電子科、資訊科(基本電學、電子學 )#139230
115年 · #139230
115年 - 115 新北市公立高級中等學校_教師聯合甄選試題:電子科/資訊科#139205
115年 · #139205
115年 - 115 新北市公立高級中等學校_教師聯合甄選試題:資料處理科#139204
115年 · #139204
115年 - [無官方正解]115 臺北市立松山高級工農職業學校_正式教師甄選試題:電子科、資訊科#139072
115年 · #139072
114年 - 114 高雄市市立高級中等學校聯合教師甄選試題:資料處理科#127345
114年 · #127345
114年 - 114 高雄市市立高級中等學校聯合教師甄選試題:電子科#127344
114年 · #127344