阿摩線上測驗
登入
首頁
>
電力系統
>
99年 - 099年高等三級暨普通高三_電力工程#38073
> 申論題
題組內容
一、
⑴一部額定 50-MVA,30-kV 之發電機具有直接接地之中性點,此發電機之正序、 負序及零序電抗分別為 25%、15%與 5%。若發電機分別發生雙線直接接地故障與 三相直接接地故障,試計算限制兩種故障電流大小相同時,發電機中性點所需之 接地電抗大小。(10 分)
相關申論題
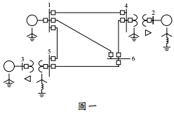
⑵試畫出圖一電力系統之零序阻抗網路。(10 分)
#110733
⑴使用對稱元素法(Symmetrical component method)進行故障或短路分析之優點為 何?(5 分)
#110734
⑵進行暫態穩定度分析的目的為何?(5 分)
#110735
⑶根據圖二之同步發電機頻率與電壓控制圖,負載頻率控制(Load frequency control)迴路與自動電壓調整器(Automatic voltage regulator)迴路的主要功能 為何?(10 分)
#110736
⑴選擇比流器(CT)之變流比(ratio),使得電驛二次側最大負載電流為 5 安培; 可供的選擇為 I:5,其中 I 可為 200,300,400,500,600 或 700。(5 分)
#110739
⑵選擇比壓器(PT)之變壓比 V:1,使得電驛二次側的系統對中性點電壓為 67 伏特。 (5 分)
#110740
⑶若電驛在系統側(一次側)看見的阻抗為Vp / Ip=Zline,試決定電驛量得的阻抗表示 式,Zrelay。(請以Zline、變流比與變壓比之函數表示)(10 分)
#110741
(二)利用等面積準則,列出計算此情境下的臨界清除角δcr的公式。(12 分)
#570018
(一)求初始功率角δ0及故障清除後的最終穩定角δm。(13 分)
#570017
(二)計算 A 相故障電流的標么值大小。(12 分)
#570016
相關試卷
115年 - 115 關務特種考試_三等_電機工程(選試英文):電力系統#138944
115年 · #138944
114年 - 114 地方政府公務特種考試_三等_電力工程:電力系統#134738
114年 · #134738
114年 - 114 專技高考_電機工程技師:電力系統#133708
114年 · #133708
114年 - 114 公務升官等考試_薦任_電力工程:電力系統#133165
114年 · #133165
114年 - 114 高等考試_二級_電力工程:電力系統#131586
114年 · #131586
114年 - 114 高等考試_三級_電力工程:電力系統#128774
114年 · #128774
114年 - 114 關務特種考試_三等_電機工程(選試英文):電力系統#126644
114年 · #126644
113年 - 113 臺灣菸酒股份有限公司_從業職員及從業評價職位人員甄試試題_電子電機:電力系統(含電路學)#133978
113年 · #133978
113年 - 113 地方政府公務特種考試_三等_電力工程:電力系統#124553
113年 · #124553
113年 - 113 專技高考_電機工程技師:電力系統#123952
113年 · #123952