題組內容
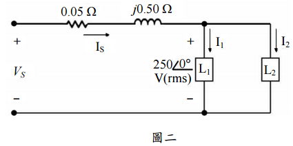
二、圖二所示電路中,電源 VS 有兩個負載 L1 及 L2,第一個負載以 0.8 的領先功率因數 吸收 8 kW 的平均功率,第 2 負載以 0.6 的落後功率因數吸收 20 kVA,試求:

⑴兩 個負載並聯時的功率因數,
詳解 (共 1 筆)
ms0462049
詳解 #4792199
P1=8kW ...
(共 174 字,隱藏中)
前往觀看