阿摩線上測驗
登入
首頁
>
電路學
>
98年 - 98 公務升官等考試_薦任_電力工程、電子工程:電路學#38323
> 申論題
題組內容
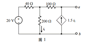
一、如圖 1 所示,
⑴試求其戴維寧等效電路;
相關申論題
⑵若在 a 與 b 兩端連接一個 100 歐姆之電 阻,試求此電阻消耗之功率。(20 分)
#112916
⑴試求t<0 之iL;
#112917
⑵試求t≥0 之iL。(20 分)
#112918
一、一群電子通過某一通道的電量表現形式為q(t)=6tesin(2πt) mC,求在t=1 秒的時候,通 過通道的電流量和在 1 微秒之內,通過通道的電子數目。C是庫倫。(20 分)
#112922
⑴ 若梁 AD 為剛體(Rigid),試求 D 點之旋轉角。(10 分)(假設 K1=2K2)
#112927
⑵ 若梁 AD 為彈性體(Elastic),且其材料與斷面參數分別為 E、I,試以⑴ 小題之 結果,估算 D 點之旋轉角(一次解 first order solution)。(10 分) (假設 K1=2 EI/L3;K2=EI/L3)
#112928
⑶ ⑵ 小題之解為上限解(upper bound solution)或下限解(lower bound solution)? 試說明之。(5 分)
#112929
⑴ 試以共軛梁法(conjugate beam method)求 MA及 MB,並以 E, I, L 表示之。(15 分)
#112930
⑵ 請問在結構學中,MA與 MB/MA各有何意義?又各被定義為何?(10 分)
#112931
⑴ b 點之垂直位移。(10 分)
#112932
相關試卷
115年 - 115 身心障礙特種考試_三等_電子工程:電路學#138936
115年 · #138936
114年 - 114 地方政府公務特種考試_三等_電力工程、電子工程、電信工程:電路學#134770
114年 · #134770
114年 - 114 專技高考_電機工程技師:電路學#133707
114年 · #133707
114年 - 114 專技高考_電子工程技師:電路學#133700
114年 · #133700
114年 - 114 公務升官等考試_薦任_電力工程、電子工程、電信工程:電路學#133241
114年 · #133241
114年 - 114 高等考試_三級_電力工程、電子工程、電信工程:電路學#128784
114年 · #128784
113年 - 113-2 國營臺灣鐵路股份有限公司_從業人員甄試_第8階-助理工程師-電機:電路學#137142
113年 · #137142
113年 - 113 地方政府公務特種考試_三等_電力工程、電子工程:電路學#124508
113年 · #124508
113年 - 113 專技高考_電機工程技師:電路學#123962
113年 · #123962
113年 - 113 專技高考_電子工程技師:電路學#123933
113年 · #123933