阿摩線上測驗
登入
首頁
>
基本電學(概要)
>
100年 - 100 身心障礙特種考試_四等_電力工程、電子工程:基本電學#46157
> 申論題
申論題
試卷:100年 - 100 身心障礙特種考試_四等_電力工程、電子工程:基本電學#46157
科目:基本電學(概要)
年份:100年
排序:0
申論題資訊
試卷:
100年 - 100 身心障礙特種考試_四等_電力工程、電子工程:基本電學#46157
科目:
基本電學(概要)
年份:
100年
排序:
0
題組內容
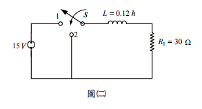
五、就圖⑵所示之電路而言,若電路無初能,於t=0
+
時,將開關S置於 1 處,試求
申論題內容
⑵υ
L
及υ
R1
表示式,並繪出其對時間之響應 圖。(20 分)