阿摩線上測驗
登入
首頁
>
電路學
>
99年 - 99 關務特種考試_三等_電機工程:電子學與電路學#27571
> 申論題
題組內容
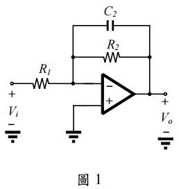
一、如圖 1 所示之理想運算放大器(operational amplifier)電路:(20 分)
⑵此電路之功能為何?
相關申論題
⑴求轉移函數(transfer function) Vo(s)/Vi(s);
#49879
⑴請問此為何種回授?
#49881
⑵證明電晶體工作於作用區(active region)。
#49882
⑶求電壓增益Vo/Vs。
#49883
四、試求圖 3 電路中的輸出電壓 vo(t)。(25 分)
#569964
三、當連接至 120 V(rms)、60 Hz 的電源時,某負載在功率因數(pf)為 0.8 落後(lagging)下消耗 4 kW 的實功。假設將一部 1 kW 的太陽能發電機(只 產生實功)與該負載並聯。試求將功率因數(pf)提升至 0.9 落後所需的 電容值。(25 分)
#569963
二、若 v(0) = 0 V,試求圖 2 電路中 t > 0 時的 v(t)。(25 分)
#569962
(二)計算能消耗(汲取)最大功率的 R 值為多少?(8 分)此時的最大負載功率是多少?(7 分)
#569961
(一)求 R 的值,使得 Vo = 1.8 V。(10 分)
#569960
4. 輸出電壓
#562431
相關試卷
115年 - 115 身心障礙特種考試_三等_電子工程:電路學#138936
115年 · #138936
114年 - 114 地方政府公務特種考試_三等_電力工程、電子工程、電信工程:電路學#134770
114年 · #134770
114年 - 114 專技高考_電機工程技師:電路學#133707
114年 · #133707
114年 - 114 專技高考_電子工程技師:電路學#133700
114年 · #133700
114年 - 114 公務升官等考試_薦任_電力工程、電子工程、電信工程:電路學#133241
114年 · #133241
114年 - 114 高等考試_三級_電力工程、電子工程、電信工程:電路學#128784
114年 · #128784
113年 - 113-2 國營臺灣鐵路股份有限公司_從業人員甄試_第8階-助理工程師-電機:電路學#137142
113年 · #137142
113年 - 113 地方政府公務特種考試_三等_電力工程、電子工程:電路學#124508
113年 · #124508
113年 - 113 專技高考_電機工程技師:電路學#123962
113年 · #123962
113年 - 113 專技高考_電子工程技師:電路學#123933
113年 · #123933