阿摩線上測驗 登入

申論題資訊

試卷:107年 - 107 高等考試_二級_電力工程:電力電子#72470
科目:電力電子學
年份:107年
排序:0

題組內容

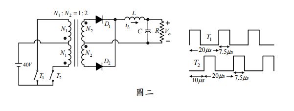
二、某電力電子電路,其開關控制信號如圖二所示。電路中皆為理想元件, 電感值 250μH,電容值 2000μF,負載電阻為 30 Ω。該電路在穩態下, 工作於連續電流導通模式(Continued Current Mode, CCM)。5bc9890113cde.jpg

申論題內容

⑶穩態下,請計算電路電感電流 Li 之峰對峰值(單位:安培)。(6 分)