阿摩線上測驗
登入
首頁
>
電路學
>
94年 - 94-2 高等考試_三級_電力工程、電子工程:電路學#38276
> 申論題
題組內容
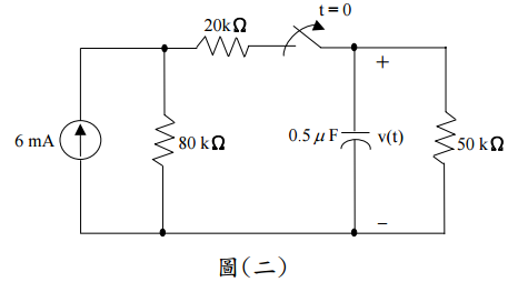
二、 如圖(二)所示,開關原先處於關閉狀態,於 t = 0 瞬間打開,試求: (每小題 5 分,共 20 分)
⑶電容儲存的初始能量
相關申論題
⑴ v(t)之初始值
#112438
⑵ v(t),t ≥ 0
#112439
⑷消耗原先儲存能量 80%的時間
#112441
⑴io (0+ )及i o (∞)
#112442
⑵io (t)
#112443
⑵共振頻率ω0 =?(5 分)
#112446
⑶頻寬 B=?(5 分)
#112447
四、試求圖 3 電路中的輸出電壓 vo(t)。(25 分)
#569964
三、當連接至 120 V(rms)、60 Hz 的電源時,某負載在功率因數(pf)為 0.8 落後(lagging)下消耗 4 kW 的實功。假設將一部 1 kW 的太陽能發電機(只 產生實功)與該負載並聯。試求將功率因數(pf)提升至 0.9 落後所需的 電容值。(25 分)
#569963
二、若 v(0) = 0 V,試求圖 2 電路中 t > 0 時的 v(t)。(25 分)
#569962
相關試卷
115年 - 115 身心障礙特種考試_三等_電子工程:電路學#138936
115年 · #138936
114年 - 114 地方政府公務特種考試_三等_電力工程、電子工程、電信工程:電路學#134770
114年 · #134770
114年 - 114 專技高考_電機工程技師:電路學#133707
114年 · #133707
114年 - 114 專技高考_電子工程技師:電路學#133700
114年 · #133700
114年 - 114 公務升官等考試_薦任_電力工程、電子工程、電信工程:電路學#133241
114年 · #133241
114年 - 114 高等考試_三級_電力工程、電子工程、電信工程:電路學#128784
114年 · #128784
113年 - 113-2 國營臺灣鐵路股份有限公司_從業人員甄試_第8階-助理工程師-電機:電路學#137142
113年 · #137142
113年 - 113 地方政府公務特種考試_三等_電力工程、電子工程:電路學#124508
113年 · #124508
113年 - 113 專技高考_電機工程技師:電路學#123962
113年 · #123962
113年 - 113 專技高考_電子工程技師:電路學#123933
113年 · #123933