題組內容
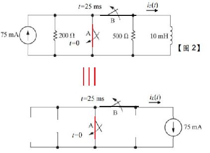
第二題: 【圖 2】所示的一階 RL 電路,開關 A 原本是斷開、開關 B 則是閉合,並且持續很長一 段時間,電路達到穩定狀態。然後在 t = 0 秒時,開關 A 閉合;再經過 10 ms(毫秒)後, 開關 B 斷開,請計算:
(二)開關 A 閉合後之瞬間,t = 0+秒時,電感的電流 iL(0+ )=?【5 分】
詳解 (共 2 筆)
詳解
-75mA
詳解
請問各位高手~
A閉合後,電路簡化會變成怎樣
有人能提供電路圖嗎?

兩個電阻200.500跟電流源75mA 會不見嗎?