阿摩線上測驗
登入
首頁
>
基本電學(概要)
>
97年 - 97 地方政府特種考試_四等_電力工程、電子工程、電信工程:基本電學#48698
> 申論題
題組內容
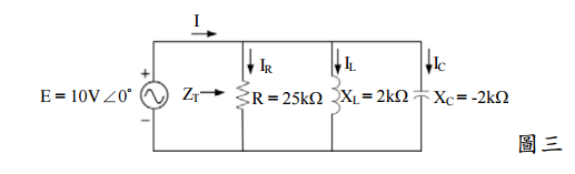
三、有一電路如圖三,交流電壓源為E = 10V∠0
o
,此電源並聯一電阻R = 25kΩ、一電感 X
L
= 2kΩ及一電容X
C
= -2kΩ,試求
⑵I
R
、I
L
及I
C
各電流 ⑶計算每ㄧ 阻抗所消耗功率的總和是否等於電源供給的功率。(20 分)
相關申論題
⑴試繪出圖一由ab 端望入的戴維寧等效電路,
#169755
⑵利用⑴所繪出的戴維寧等效電路, 求出當負載RL = 0 及RL = 6Ω時所流經負載的電流為多少?當RL為何值時有最大功率 輸出?(20 分)
#169756
二、在圖二中的電容皆未充過電,即無初能,開關在t = 0 秒時關閉,試求出vc(t) 和 ic(t) 之表示式。當t = 60 秒後,6μF電容上之電壓及電流各為多少?(20 分)
#169757
⑴總阻抗ZT
#169758
四、有一電路如圖四所示,若變壓器為理想,試求IL、VL、ZL。(20 分)
#169760
⑴諧振頻率(以Hz表示)
#169761
⑵諧振時電路的品 值因素Q、IR、VC和IL各為多少?
#169762
⑶頻寬(以Hz表示)。(20 分)
#169763
6. 如圖(6)所示之暫態電路及電流 iL(t)時間響應圖,電流 IS=10A,時間常數 τ 為 0.02 秒。已知電阻 RS=4Ω,且電 感在開關 S1 閉合前無儲存能量,當時間為零時(t=0 秒)開關 S1 閉合(導通),電感 LS 為何?
#566886
5. 有一額定為直流 120V,600W 的電熱線,若修剪掉 1/3 長度並將剩下的 2/3 長度兩端接於 64V 的直流電壓,則 剩下 2/3 長度的電熱線消耗功率為何?
#566885
相關試卷
115年 - 115-1 臺北市立大安高工教師甄選試題_電子/控制科:基本電學#138451
115年 · #138451
114年 - 114 關務特種考試_四等_電機工程(選試英文):基本電學#126651
114年 · #126651
113年 - 113 關務特種考試_四等_電機工程(選試英文)、電機工程(選試日文):基本電學#119481
113年 · #119481
112年 - 112 地方政府特種考試_四等_電力工程、電子工程、電信工程:基本電學#118330
112年 · #118330
112年 - 112 普通考試_電力工程、電子工程、電信工程:基本電學#115756
112年 · #115756
112年 - 112 關務特種考試_四等_電機工程:基本電學#113949
112年 · #113949
111年 - 111 地方政府特種考試_四等_電力工程、電子工程、電信工程:基本電學#112594
111年 · #112594
111年 - 111 中華郵政股份有限公司_職階人員資產營運及工程類科甄試試題_專業職(一)/電力工程:基本電學#111525
111年 · #111525
111年 - 111 普通考試_電力工程、電子工程、電信工程:基本電學#109349
111年 · #109349
111年 - 111 關務特種考試_四等_電機工程:基本電學#107497
111年 · #107497