阿摩線上測驗
登入
首頁
>
電路學
>
105年 - 105 身心障礙特種考試_三等_電力工程:電路學#50267
> 申論題
題組內容
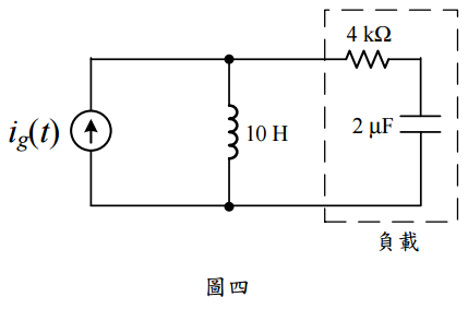
四、圖四電路中,已知電流源 i
g
(t ) = 30 cos 100t (mA) ,負載是由虛線內的電阻(4 kΩ)和 電容(2 μF)組成,試求:
⑴負載上的平均功率 P
o
=?(15 分)
相關申論題
⑴電路中之相依電流源常數 α 應選擇為多少 這個電路才能成為合理的電路? , (15 分)
#178176
⑵在求得常數α 後,計算電壓源 25 V 上的功率損耗 P25V 為多少?(10 分)
#178177
⑴電流 io =?(5 分)
#178178
⑵電流 i1 =?(5 分)
#178179
⑶電流 i2 =?(5 分)
#178180
⑷由電流源(1 A)提供到電路的功率 Ps =?(10 分)
#178181
⑴在某一大於零之頻率下,由 Zab 看入的阻抗等效於純電阻,試求該角頻率 ω =? (rad/sec)(15 分)
#178182
⑵試求在該頻率下的阻抗,Zab =?(10 分)
#178183
⑵負載上的視在功率 S =?(10 分)
#178185
四、試求圖 3 電路中的輸出電壓 vo(t)。(25 分)
#569964
相關試卷
115年 - 115 身心障礙特種考試_三等_電子工程:電路學#138936
115年 · #138936
114年 - 114 地方政府公務特種考試_三等_電力工程、電子工程、電信工程:電路學#134770
114年 · #134770
114年 - 114 專技高考_電機工程技師:電路學#133707
114年 · #133707
114年 - 114 專技高考_電子工程技師:電路學#133700
114年 · #133700
114年 - 114 公務升官等考試_薦任_電力工程、電子工程、電信工程:電路學#133241
114年 · #133241
114年 - 114 高等考試_三級_電力工程、電子工程、電信工程:電路學#128784
114年 · #128784
113年 - 113-2 國營臺灣鐵路股份有限公司_從業人員甄試_第8階-助理工程師-電機:電路學#137142
113年 · #137142
113年 - 113 地方政府公務特種考試_三等_電力工程、電子工程:電路學#124508
113年 · #124508
113年 - 113 專技高考_電機工程技師:電路學#123962
113年 · #123962
113年 - 113 專技高考_電子工程技師:電路學#123933
113年 · #123933