阿摩線上測驗
登入
首頁
>
基本電學(概要)
>
104年 - 104 原住民族特種考試_四等_電子工程:基本電學#42048
> 申論題
申論題
試卷:104年 - 104 原住民族特種考試_四等_電子工程:基本電學#42048
科目:基本電學(概要)
年份:104年
排序:0
申論題資訊
試卷:
104年 - 104 原住民族特種考試_四等_電子工程:基本電學#42048
科目:
基本電學(概要)
年份:
104年
排序:
0
題組內容
四、
申論題內容
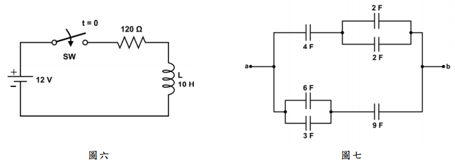
⑵圖七為一電容器組合的電路圖,所有電容值均為 F,試求 a 點與 b 點間的等效電 容為多少 F。(10 分) - 圖六 圖七
詳解 (共 2 筆)
詳解
提供者:油僱108油操、109事務北區雙榜
6.5
詳解
提供者:玄樺
Cab=[(2+2)//4]+[(6+3)//9]=6.5F