阿摩線上測驗
登入
首頁
>
農業機電整合與控制工程
>
102年 - 102 高等考試_二級_農業機械:農業機電整合與控制工程研究#44037
> 申論題
題組內容
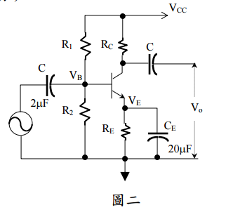
三、如 圖 二 所 示 之 電 子 電 路 , 若 V
CC
= 20V , R
1
= 40kΩ , R
2
= 3.9kΩ , R
C
= 4.7kΩ , R
E
= 0.82kΩ,V
BE
= 0.7V,動態阻抗 r
e
= 26mV/I
E(dc)
,且 β = h
FE
= 200,求:
⑶功率增益 A
P
。(10 分)
相關申論題
一、有一農產品分類系統,由一部 Y 連接、4 極、220V、60Hz、20HP 之三相同步電動 機驅動,倘若其每相的電樞電阻為 0.5Ω,每相的同步電抗為 5Ω。在額定負載時, 其功率因數為 0.8 且落後、效率為 0.9,試求每相的反電勢大小為何?(15 分)
#143652
⑴線圈電感大小為何?(7 分)
#143653
⑵若欲使其電感量減半,則線圈需減少幾匝?(8 分) (設鐵心的相對導磁係數為 200,空氣中的導磁係數 μ0 = 4π × 10-7Wb/Am)
#143654
⑴基極電壓 VB。(5 分)
#143655
⑵輸入阻抗 Zi。(10 分)
#143656
⑴求出使系統穩定的 a 值。(10 分)
#143659
⑵求出決定使系統特性根皆位於 s 平面上 Re = -1 線左邊的 a 值。(15 分)
#143660
五、有一噴農藥的無人機,其控制系統之特徵方程式如下: g(s)=s6+s5+5s4+s3+2s2-2s-8 請以羅斯穩定性判定準則(Routh’s Stability Criterion)分析,共有幾個根在負半平面上?
#262047
四、試設計一樓梯間的電燈開關電路。即上樓時,可在樓下開燈,行至樓上時,可關掉樓梯燈;而下樓時,由樓上開燈,行至樓下時,關掉樓梯燈。此電路必須包括電源、 電燈、開關與必要的接線。
#262046
三、請問感應馬達與同步馬達的運作原理有何不同?
#262045
相關試卷
106年 - 106 高等考試_二級_農業機械:農業機電整合與控制工程研究#65250
106年 · #65250
102年 - 102 高等考試_二級_農業機械:農業機電整合與控制工程研究#44037
102年 · #44037
101年 - 101 高等考試_二級_農業機械:農業機電整合與控制工程研究#44815
101年 · #44815
99年 - 99 高等考試_二級_農業機械:農業機電整合與控制工程研究#46293
99年 · #46293
98年 - 98 高等考試_二級_農業機械:農業機電整合與控制工程研究#47737
98年 · #47737