阿摩線上測驗
登入
首頁
>
農業機電整合與控制工程
> 101年 - 101 高等考試_二級_農業機械:農業機電整合與控制工程研究#44815
101年 - 101 高等考試_二級_農業機械:農業機電整合與控制工程研究#44815
科目:
農業機電整合與控制工程 |
年份:
101年 |
選擇題數:
0 |
申論題數:
15
試卷資訊
所屬科目:
農業機電整合與控制工程
選擇題 (0)
申論題 (15)
⑴請繪製此系統之方塊圖。(10 分)
⑵試求其輸出角位移θ對輸入電壓Va之轉移函數(Transfer Function)。(5 分)
⑶以工作電壓區分,若擬將此載具建構為完整之機電整合系統,尚需加入何種次系 統?請繪製此一載具整合系統之架構與介面示意圖,並說明各次系統之可能構件 與所需之背景知識(即專業學科)。(10 分)
【已刪除】 ⑷應用機電整合系統於農業之挑戰為何?(5 分)
⑴何謂控制器?(5 分)
⑵若 m(t)表示控制器操作量,e(t)表誤差信號,請建立各控制器之數學模式,並據以 說明其作業特性。(10 分)
⑶前述控制器中何種控制器不宜單獨配置?請說明其理由。(5 分)
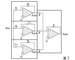
【已刪除】 ⑷圖 2 為何種控制器之實踐電路?試求此控制器之對應增益常數。(10 分)
⑴推導此二系統元件的對應關係。(10 分)
⑵若原機械式系統的元件配置為:M=2,B=4,K=18;因作業環境無法容許超行量 (Overshoot)發生,為符合作業需求,請重新設計元件值並說明理由。(5 分)
⑶本系統為發散還是收斂?請說明之。(5 分)
⑴請寫出系統的轉移函數(Transfer Function)。(5 分)
⑵請寫出系統的狀態方程式(State Equation)。(5 分)
⑶本系統是否具備可控制性(Controllibility)及可觀測性(Observability)?(5 分)
⑷系統是否穩定(Stable)?(5 分)
相關試卷
109年 - 109 經濟部所屬台灣糖業股份有限公司_新進博士級職員甄試試題_智慧農業:農業機電(含農業機電整合、控制工程研究、高等作物學)#102009
109年 · #102009
106年 - 106 高等考試_二級_農業機械:農業機電整合與控制工程研究#65250
106年 · #65250
102年 - 102 高等考試_二級_農業機械:農業機電整合與控制工程研究#44037
102年 · #44037
99年 - 99 高等考試_二級_農業機械:農業機電整合與控制工程研究#46293
99年 · #46293
98年 - 98 高等考試_二級_農業機械:農業機電整合與控制工程研究#47737
98年 · #47737