阿摩線上測驗
登入
首頁
>
農業機電整合與控制工程
>
101年 - 101 高等考試_二級_農業機械:農業機電整合與控制工程研究#44815
> 申論題
題組內容
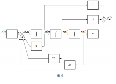
四、假設一溫室新架設加濕控制系統之等效方塊圖如圖 5 所示:
⑶本系統是否具備可控制性(Controllibility)及可觀測性(Observability)?(5 分)
相關申論題
⑷系統是否穩定(Stable)?(5 分)
#148980
⑴請將下列 10 進位數值轉換為 6 進位數值:(5 分) (10.5)10 =?
#148981
⑵請將下列 4 進位數值轉換為 10 進位數值:(5 分) (32.22)4 =?
#148982
⑴試求其真值表(Truth Table)。(5 分)
#148983
⑵請問其為何種邏輯閘?(5 分) 圖一
#148984
⑴請列出半加器的真值表及 Cout 和 Sum 的布林方程式(Boolean Equation)。(5 分)
#148986
⑵請列出全加器的真值表及 Cout 和 Sum 的布林方程式。(5 分)
#148987
⑶請用兩個半加器和必要的邏輯閘組合成一個一位元的全加器。(5 分) A Cout A Cout 半加器 B 全加器 B Sum Cin Sum 圖三
#148988
五、請以 T 型正反器和相關的邏輯閘,設計出 JK 正反器的等效電路。(15 分)
#148989
六、請以 D 型正反器設計一同步計數器,其循環序列為“0,1,2,2,2”。(提示:可 先設計一計數值不重複的計數器,再輸出到一數值轉換器,轉換成所要求的序列。) (20 分)
#148990
相關試卷
109年 - 109 經濟部所屬台灣糖業股份有限公司_新進博士級職員甄試試題_智慧農業:農業機電(含農業機電整合、控制工程研究、高等作物學)#102009
109年 · #102009
106年 - 106 高等考試_二級_農業機械:農業機電整合與控制工程研究#65250
106年 · #65250
102年 - 102 高等考試_二級_農業機械:農業機電整合與控制工程研究#44037
102年 · #44037
101年 - 101 高等考試_二級_農業機械:農業機電整合與控制工程研究#44815
101年 · #44815
99年 - 99 高等考試_二級_農業機械:農業機電整合與控制工程研究#46293
99年 · #46293
98年 - 98 高等考試_二級_農業機械:農業機電整合與控制工程研究#47737
98年 · #47737