阿摩線上測驗
登入
首頁
>
基本電學(概要)
>
97年 - 97 普通考試_電力工程、電子工程、電信工程:基本電學#48717
> 申論題
題組內容
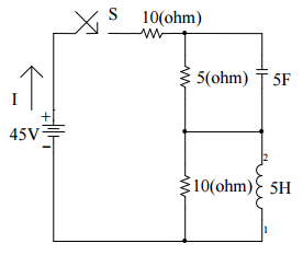
四、如圖所示,試問:(20 分)
⑷ 同第⑶ 小題之情況,在 1、2 兩點間之電壓為何?
詳解 (共 3 筆)
sam255tw
詳解 #2565690
2018/01/09
由題目得知電容損壞為開路情形且為開關閉合...
(共 219 字,隱藏中)
前往觀看
lock820926
詳解 #2730574
2018/04/17
45*10/25=18與題目1、2電壓相...
(共 33 字,隱藏中)
前往觀看
Jun(電雇
詳解 #2305923
2017/06/30
V=IR=1.8*10=18v
(共 17 字,隱藏中)
前往觀看
相關申論題
⑸ 同第⑶ 小題之情況,此電路之時間常數為何?
#169907
⑴ a, b 兩端之等效阻抗 為何?
#169908
⑵ 若此時電源 = 10∠0°(V ) ,且其電源具有一內部阻抗 ,在何種情況下,a,b 兩 點之間之負載可獲得最大功率轉換?
#169909
⑶ 同第⑵ 題,a,b 兩點之間之負載可吸收最大功率為何?
#169910
⑷ 若此時電源 = 10∠0°(V ) ,而電源內部阻抗 = 0 ,求此電路之平均功率為何?
#169911
一、⑴試繪圖說明增強型 n-MOSFET 之半導體結構圖
#169912
⑵一個n通道MOSFET工作於飽和區域,MOSFET常數Kp =20mA/V2 ,臨界電壓( threshold voltage)為Vt=1.5V,若閘極-源極間之電壓為VGS=3V,試求MOSFET 於飽和狀態時之汲極電流ID值以及小信號轉導(transconductance)gm值。(20 分 )
#169913
⑴輸出電壓vo對 時間關係圖,
#169914
⑵電阻R
#169915
及⑶平均二極體電流值ID(av)。(20 分)
#169916
相關試卷
115年 - 115 關務特種考試_四等_電機工程(選試英文):基本電學#138955
115年 · #138955
115年 - 115-1 臺北市立大安高工教師甄選試題_電子/控制科:基本電學#138451
115年 · #138451
114年 - 114 關務特種考試_四等_電機工程(選試英文):基本電學#126651
114年 · #126651
113年 - 113 關務特種考試_四等_電機工程(選試英文)、電機工程(選試日文):基本電學#119481
113年 · #119481
112年 - 112 地方政府特種考試_四等_電力工程、電子工程、電信工程:基本電學#118330
112年 · #118330
112年 - 112 普通考試_電力工程、電子工程、電信工程:基本電學#115756
112年 · #115756
112年 - 112 關務特種考試_四等_電機工程:基本電學#113949
112年 · #113949
111年 - 111 地方政府特種考試_四等_電力工程、電子工程、電信工程:基本電學#112594
111年 · #112594
111年 - 111 中華郵政股份有限公司_職階人員資產營運及工程類科甄試試題_專業職(一)/電力工程:基本電學#111525
111年 · #111525
111年 - 111 普通考試_電力工程、電子工程、電信工程:基本電學#109349
111年 · #109349