阿摩線上測驗
登入
首頁
>
技師◆材料力學
> 100年 - 100年高等一級暨二級考高考一級_土木工程#27118
100年 - 100年高等一級暨二級考高考一級_土木工程#27118
科目:
技師◆材料力學 |
年份:
100年 |
選擇題數:
0 |
申論題數:
4
試卷資訊
所屬科目:
技師◆材料力學
選擇題 (0)
申論題 (4)
【已刪除】一、吊橋之鋼纜如下圖承受 100 kN/m 之均佈荷重,試求此鋼纜在 A、B 兩點之張力。 (25 分)
【已刪除】二、有一圓球在圓柱曲面(半徑為 R + r)上做小振幅之滾動(sin θ ≑ θ)其參數如下圖, 求此圓球之滾動的頻率。(註:圓球之半徑為 r,質量為 m,球心為 c)(25 分)
【已刪除】三、一無限長度之梁在彈性基礎上,承受一集中載重 P,如下圖。試求此梁之變位曲線 y(x)。(註:彈性基礎之單位長度彈性係數為 k,梁之斷面係數為 EI,不須考慮梁 之剪力變形)(25 分)
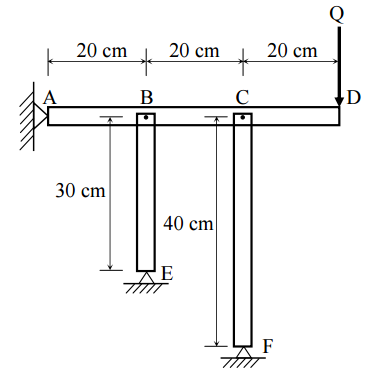
【已刪除】四、梁結構如下圖,節點A, B, C, E, F皆鉸接,梁ABCD為完全剛性(EI = ∞),柱BE, CF之EI = 6.0 × 10
5
N-cm
2
,試求此結構在D點能承受之最大外力Q。(註:只考慮彈 性挫屈,不考慮強度破壞)(25 分)
相關試卷
114年 - 114 專技高考_結構工程技師:材料力學#133661
114年 · #133661
114年 - 114 專技高考_大地工程技師(ㄧ):材料力學#127506
114年 · #127506
113年 - 113 專技高考_結構工程技師:材料力學#123908
113年 · #123908
113年 - 113 專技高考_大地工程技師(ㄧ):材料力學#120298
113年 · #120298
112年 - 112 專技高考_結構工程技師:材料力學#117648
112年 · #117648
112年 - 112 專技高考_大地工程技師(ㄧ):材料力學#114622
112年 · #114622
111年 - 111 專技高考_結構工程技師:材料力學#111960
111年 · #111960
111年 - 111 專技高考_大地工程技師(一):材料力學#108382
111年 · #108382
110年 - 110 專技高考_結構工程技師:材料力學#104219
110年 · #104219
110年 - 110 專技高考_大地工程技師(一):材料力學#101386
110年 · #101386