所屬科目:技師◆材料力學
1 實心圓桿受軸向拉力 P = 50 kN(如圖所示),其斷面為實心圓形。已知該材料的楊氏模數E = 210 GPa,求此桿件在該拉力作用下之軸向伸長量: (A) 0.91 mm (B) 1.62 mm (C) 1.82 mm (D) 2.53 mm
2 如圖所示之均質等斷面桿件受軸力 P 作用。假設材料之應力與應變呈完全彈性行為。求桿件 AC 與 CB 段之正向應力(normal stress)之比值(): (A) 1/1 (B)– (3/2) (C) 2/3 (D)– (2/3)
3 承上題,軸力桿件為圓形斷面,直徑 40 mm,假設材料為線彈性-完全塑性行為(Elastic- perfectly plastic),如圖所示。P=350 kN 時,A 與 B 兩端反力大小之比值()為何? (A) 1.35 (B) 0.85 (C) 2.35 (D) 1.55
4 如圖所示應變計用以量測結構表面 O 點之應變,若已測得於 O 點處 A、B、C 三方向之應變分別為,則 O 點之剪應變為何?(A)(B)(C)(D)
5 一彈性體(Elastomer)之頂部緊密黏結一剛性塊體(Rigid block)如下圖示,其中彈性體之尺 寸為 a=150 mm, b=150 mm, t =50 mm。當剛性塊體受水平側向力 P=20 kN 作用時,彈性體頂 部產生之橫向位移為 2.5 mm,假設此為微小剪應變之情況,試求此彈性體之剪力模數 G(Shear modulus):(A) 1.65 MPa (B) 2.25MPa (C) 17.8 MPa (D) 21.1 MPa
6 如圖所示之平面應力元素,其所受應力:水平方向之壓應力為 36 MPa、垂直方向之拉應力 為 8 MPa,以及指向圖示方向之剪應力為 16 MPa。請試算該應力元素之最大剪應力() 以及伴隨之正向應力(σ): (A)= 18 MPa ; σ =13.2 MPa (B) = 22.3 MPa ; σ = -41.2 MPa (C) = 18 MPa ; σ =0 (D) = 27.2 MPa ; σ = -14 MPa
7 如圖所示,由不同材質之 AB 段與 BC 段組合而成之彈性桿件。兩桿件之斷面積均為15 cm2。在連接點 B 與端點 C 處,分別施加一對大小為 120 kN 且方向相反之軸向力。求 AB 段之正 向應力(normal stress):(A) 80 MPa(張應力) (B) 0 MPa (C) 80 MPa(壓應力) (D) 160 MPa(壓應力)
8 一長度 L=4 m 之均質簡支樑,其斷面寬度 b=250 mm,高 h=400 mm,當受到如下圖示之分佈載重作用時,其中性面(neutral surface)上之最大剪應力為何? (A)3750 kN⁄m2 (B)1250 kN⁄m2 (C)730 kN⁄m2 (D)375 kN⁄m2
9 下圖之圓管桿件其內徑r1 =70 mm,外徑r2 =80 mm,承受大小為 T=2.0 kN-m 之扭矩。求該桿 件所受之最大剪應力: (A) 5.3 MPa (B) 6.0 MPa (C) 10.6 MPa (D) 12 MPa
10 如圖所示之桿件 ABC,兩端固定,AB 段與 BC 段有相同的楊氏模數 E 與熱膨脹係數α。已知 AB 段的橫斷面積為A0,而 BC 段的橫斷面積為 1.5A0。當桿件因整體均勻升溫ΔT時,則 BC 段之壓應力可表示為: (A)(B)(C)(D)
11 一實心圓形斷面之金屬桿件進行抗拉強度試驗,桿件之直徑 d= 12 mm,標距長度(Gage length)為 50 mm(如圖所示)。當拉伸力 P 達到 25 kN 時,標距之間的距離增加 0.145 mm, 試求此金屬桿件之楊氏模數 E: (A) 19.1 MPa (B) 38.1 MPa (C) 76.2 MPa (D) 86.2 MPa 2
12 下圖中桁架 ABC 是由二支斷面積均為2000 mm2 、楊氏模數均為 200 GPa 之鋼質桿件所組成, 其跨度 L= 4 m,θ = 45°。若桁架頂端受到水平力 P=120 kN 之作用,則 B 點之水平位移為: (A) 0.65 mm (B) 0.85 mm (C) 1.25 mm (D) 1.70 mm
13 如圖所示,三支材質相同且均質的桿件 A、B、C 以對稱配置懸掛一剛體。在外力 P 的作用 下,各桿件的軸向剛度 EA 均相等。試求桿件 A 所承受的內力大小:(A) P/6 (B) P/4 (C) P/3 (D) P/2
14 如圖所示,一根剛性桿件以鉸接方式垂直懸掛於天花板,並在點 B 使用一軸力繫桿固定至牆 壁。該繫桿的斷面積 A=120 mm2,楊氏模數 E=200 GPa。於剛性桿底部的自由端施加一水平集中力 P=5 kN。試求點 C 的水平位移量,其最接近下列何值?(A) 0.17 mm (B) 0.35 mm (C) 0.69 mm (D) 1.38 mm
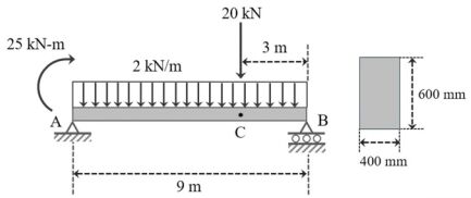
15 下圖之簡支梁受到如圖所示之載重。C 點位於距 B 端 3 m 處,並緊鄰集中載重之右側;斷面 尺寸寬度為 400 mm,高度為 600 mm。求 C 點斷面上之最大撓曲應力: (A) 1.47 MPa (B) 2.77 MPa (C) 4.16 MPa (D) 5.54 MPa
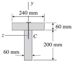
16 T 型梁斷面之幾何尺寸如圖所示:上翼板寬度 b=80 mm、厚度 t=20 mm、整體高度 h=100 mm、 以及腹板高度h1=80 mm。該梁的跨度為 L=4.0 m,集中載重作用於距 B 端 d=1 m 處。求對 z 軸(中性面)之慣性矩I : (A) 2,907,000 mm4 (B) 3,867,000 mm4 (C) 4,246,875 mm4 (D) 6,747,000 mm4
17 承上題,「T 型梁」AB 在集中載重 P=10.0 kN 作用下之最大撓曲(拉)應力σt 為: (A) 120.4 MPa (B) 62.0 MPa (C) 90.3 MPa (D) 167.7 MPa
18 如圖所示之懸臂梁分別於跨度中央受一集中載重 P 作用,及自由端受集中載重 2P 作用,梁 之跨度為 L,假設梁桿件之楊氏模數 E 及慣性矩 I 均為常數,試求自由端之垂直變位: (A)(B)(C)(D)
19 一根擋土樁自地面突出,高度為 H,其撓曲剛度(Flexural Rigidity)為 EI。在受到如圖所示 之側向土壓力 w 作用下,試求擋土樁頂部 A 點自由端產生之轉角:(A)(B)(C) (D)
20 如圖所示之桿件 AB 與桿件 CD,兩根桿件之撓曲剛度(Flexural Rigidity)EI 均相同。已知桿件 AB 的長度為L0,而桿件 CD 的長度為1.25L0 ,求此兩根桿件最小臨界(挫屈)載重之比值 : (A) 0.64 (B) 1.56 (C) 2.78 (D) 3.13
21 有一等斷面桿件,長度為 150 mm,斷面面積為 500 mm2。若該桿件材料為線彈性材料,當其受 到 60 kN 的軸向力時,伸長了 0.075 mm,則該桿件材料的楊氏模數(Young’s Modulus)為何? (A) 250 GPa (B) 240 GPa (C) 230 GPa (D) 220 GPa
22 有一鋼棒長度為 50 cm,其鋼材的單軸拉伸應力-應變曲線如圖所示,若此鋼棒受拉力伸長 2 mm 後將力量釋放,則鋼棒的永久變形量為何?(A) 1.375 mm (B) 1.425 mm (C) 1.575 mm (D) 1.625 mm
23 有一組件由兩支外柱 AB 和 CD 以及一支中央柱 EF 所組成,其中 AB 柱與 CD 柱由材料 1 製 成,其楊氏模數為 E1,斷面積為 A1;EF 柱由材料 2 製成,其楊氏模數為 E2,斷面積為 A2。 若要將 AB 和 CD 柱同時更換為由材料 2 製成,且更換前後的組件,其受相同軸力 P 時具有相同的變形量。求更換後的 AB 柱與 CD 柱斷面積為何? (A)(B)(C)(D)
24 一個鋼製平面桁架如圖所示,每支桿件的斷面積為 4000 mm2,在點 B 和 C 承受外力,則桿 件 AB 中的最大剪應力為何?(A) 125 MPa (B) 150 MPa (C) 225 MPa (D) 250 MPa
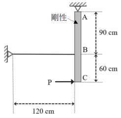
25 如圖所示,一剛性梁由 AB 圓桿和 CD 圓柱支撐,二者材料之楊氏模數皆為 70 GPa。若 AB 桿 的直徑為 40 mm,CD 柱的直徑為 80 mm,則在此外力下鋼梁的轉角為何? (A) 0.203° (B) 0.255° (C) 0.307° (D) 0.351°
26 一桿件 AD 長度為 L,斷面積為 A,楊氏模數為 E,A 點為固定端,該桿件於點 B、C 和 D 分 別承受載重 4P、3P 和 2P。AB、BC 與 CD 的長度分別為 L/6、L/2 和 L/3,求此桿件的應變能為何?(A)(B)(C)(D)
27如圖所示,一水平剛性桿 AB 由五根間距相等的彈簧支撐。彈簧 1、2 和 3 的彈簧常數分別為 3k、2k 和 k。當彈簧未受力時,其下端皆位於同一條水平線上。所有彈簧共同承受剛性桿 AB 之自重 W,求單根彈簧 1 的承受多少力量?(A) 3W/11 (B) 2W/5 (C) 3W/5 (D) 2W/11
28 一金屬材料試片的應力-應變彈性部分如圖所示。試片長度為 100 mm,直徑為 15 mm,當施 加的載重為 50 kN 時,試片的直徑量測值為 14.99 mm。求該金屬材料的剪力模數約為多少? (A) 60.3 GPa (B) 54.2 GPa (C) 51.8 GPa (D) 48.9 GPa
29 如圖所示,一桿件的斷面積為 2000 mm2,材料楊氏模數為 200 GPa,該桿件受到分佈載重作用時,求出端點 A 的位移為何? (A) 0.628 mm (B) 0.714 mm (C) 0.802 mm (D) 0.872 mm
30 三支均質桿件兩端固接於剛性支承上,並於右端施加一拉力 P 如圖所示,其中外側兩支桿件 的材料為 A,中間桿件的材料為 B。若材料 A 的楊氏模數為材料 B 的 3 倍,中間桿件的斷面 積為外側桿件的 4 倍,則外力 P 有多少比例傳遞至中間桿件? (A) 3/7 (B) 2/5 (C) 3/5 (D) 5/11
31 若一板發生變形如虛線所示,則 D 點的剪應變為何? (A)-0.0146 (B) 0.0146 (C) 0.0116 (D)-0.0116
32 一條銅線直徑為 2 mm,其楊氏模數為 110 GPa,承受拉力 100 N。若銅的熱膨脹係數為/℃,使該銅線剛好完全鬆弛的溫度變化為多少? (A)-14.47℃ (B)-12.61℃ (C) 12.61℃ (D) 14.47℃
33 一外伸梁如圖所示,此梁的最大負彎矩約為何? (A) 33.75 kN-m (B) 45.00 kN-m (C) 36.23 kN-m (D) 39.38 kN-m
34 一梁斷面如圖所示,求此梁對中性軸之慣性矩為何? (A)(B)(C)(D)
35 一外伸簡支梁如圖所示,其中 q=10 kN/m、L=4 m。若此梁所能承受之最大撓曲應力為 250 MPa,則此梁斷面所需之最小梁寬 b 為多少? (A) 40.6 mm (B) 35.8 mm (C) 42.5 mm (D) 38.1 mm
36 T 型斷面之梁由兩塊木板釘合而成,如圖所示。若作用在該斷面上的總剪力為 1500 N,且每根 釘子能夠承受的最大剪力為 700 N,則釘子於縱向的最大容許間距約為多少? (A) 90 mm (B) 85 mm (C) 80 mm (D) 75 mm
37 如圖所示一外伸梁承受均佈載重 50 kN/m,求此梁的最大剪應力為何? (A) 55 MPa (B) 50 MPa (C) 45 MPa (D) 40 MPa
38 有一簡支梁如圖所示,其長度為 L,慣性矩為 I,材料楊氏模數為 E,於梁跨中央 C 點連接一 彈簧常數為 k 的彈簧。若在 C 點施加一力量 P,求 C 點的垂直撓度 δc 為多少?(A)(B)(C)(D)
39 一柱 為 H 型鋼 斷面,彈性模數為 200 GPa, 此 柱斷面積 為 7200 mm2,強軸慣性矩為 1.6 ✕108mm4,弱軸慣性矩為 1.1✕107mm4。若此柱底端為固端,頂端沿強軸方向可自由移動、沿弱軸方向為滾支承,如圖所示。求此柱的臨界挫屈力約為多少? (A) 2.00 MN (B) 1.75 MN (C) 1.50 MN (D) 1.25 MN
40 如圖所示,求臨界載重為何? (A)(B)(C)(D)
一、有一ABC水平桿件如下圖所示,AB段由銅組成,其彈性係數Ec = 120 GPa, 熱膨脹係數 =/°C,橫斷面面積 Ac =m2 。BC 段由鋼組成,其彈性係數 Es =200 GPa,熱膨脹係數/°C ,橫斷面面積。ABC 桿件之 A 點為固定端,C 點與牆面有一 間隙存在。設 L = 2 m,當 ABC 桿件溫度均勻上升10°C時,試求 ABC 桿件所受之水平軸力、AB 銅桿件中之正向應力及 BC 鋼桿件中之正向應力,請註明應力為張力或壓力。 (15 分)
二、有一簡支梁斷面如下圖所示,此梁受一集中載重 P。如此梁之最大容 許剪應力為 1 MPa,最大容許正向應力為 8 MPa,則 P 之 最大值為何?(20 分)
三、有一平面應力元素受應力如下圖所示,如此元素逆鐘向旋轉 30° 時,其正向應力為壓應力 53.3 MPa,請計算、最大主軸應力σ1及最小主軸應力σ2 。(15 分)提示: