阿摩線上測驗
登入
首頁
>
初等/五等/佐級◆基本電學大意
> 101年 - 101 原住民族特種考試_五等_電子工程:基本電學大意#44617
101年 - 101 原住民族特種考試_五等_電子工程:基本電學大意#44617
科目:
初等/五等/佐級◆基本電學大意 |
年份:
101年 |
選擇題數:
40 |
申論題數:
0
試卷資訊
所屬科目:
初等/五等/佐級◆基本電學大意
選擇題 (40)
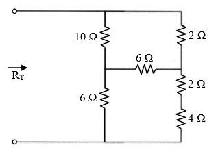
1 如圖示電路,跨越端點A及B之等效電阻R
AB
為多少Ω
(A)20(B)28(C)30(D)32
2 若一導線之長度增加為原來的 3 倍,直徑增加為原來的 2 倍,則其電導值變為原來的幾倍?(A)9/4 (B) 3/4 (C) 4/3 (D) 4/9
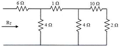
3 如圖示電路,等效電阻RT為多少Ω? 6
(A) 2 (B) 4 (C) 6 (D) 8
4 有一電阻,其四環色碼順序分別為紅色、黑色、黑色、金色,電阻的溫度係數為 0.004℃
-1
,由一可 調整之直流電源供應器供給 1 安培的電流後,溫度上昇 25℃,試問若欲維持其電流大小,則此時直 流電源供應器的可能最大端電壓為: (A) 26.5 (B) 23.1 (C) 22 (D) 20
5 一元件具有 a 及 b 兩端點,若 a 端點的電位為 25 伏特且高於 b 端點,將 3 庫倫電荷由 a 端點移至 b 端點需作功 60 焦耳,試問 b 端點之電位為多少伏特? (A) 20 (B) 15 (C) 10 (D) 5
6 敘述「沿著電路中任一迴路之所有電壓代數總和為零」是那一定律? (A)克希荷夫電壓定律 (B)克希荷夫電流定律 (C)高斯電壓定律 (D)亨利電流定律
7 若一電阻於 25℃時量測之電阻值為 10 kΩ,溫度係數為 0.005℃
-1
,試問當量測之電阻值為 10.5 kΩ時,此 時電阻溫度約為多少℃? (A) 55 (B) 45 (C) 40 (D) 35
【已刪除】8 如圖所示之電路,V
2
的節點電壓方程式為何?
(A)V
1
-3V
2
=6 I (B)V
1
+3V
2
=6 I (C) -V
1
+3V
2
=6 I (D) -V
1
-3V
2
=6 I (E)送分
9 空氣的介電係數ε
0
為多少法拉∕公尺? (A) 0.1 (B) 1 (C) 9×10
9
(D) 8.85×10
-12
10 某一元件每小時作功 3600 焦耳,其功率為多少瓦? (A) 1 (B) 6 (C) 60 (D) 3600
11 設Δ型負載中三個阻抗值都為R,其等效之Y型負載中三個阻抗值各為R1、R 2與R 3。則R
1
、R
2
、R
3
之 數值各為多少? (A)R1 = R/3、R
2
= R/3 與R
3
= R/3 (B)R
1
= 3R、R
2
= 3R與R
3
= 3R (C)R
1
= R、R
2
= R與R3 = R (D)R
1
= R/3、R2 = R與R
3
= 3R
12 如圖所示之電路,電流 I 為多少安培(A)?
(A) 1 (B) 1.5 (C) 2 (D) 2.5
13 如圖示電路,電壓Vo 之值為何?
(A) 12 V (B) 16 V (C) 20 V (D) 24 V
14 如圖示電路,isc的值為何?
(A) 3 A (B) 5 A (C) 8 A (D) 15 A
15 如圖所示電路,試求電壓VX為多少伏特?
(A) -6 (B) 12 (C) 6 (D) -12
16 如圖所示電路,試求電流IX為多少安培?
(A) 11 (B) 10 (C) 12 (D) 8
17 如圖所示電路,RL為可變電阻,試求RL為幾歐姆時,可獲得最大功率?
(A) 2 (B) 3 (C) 5 (D) 8
18 如圖所示電路,RL為可變電阻,試求RL為幾歐姆時,可獲得最大功率?
(A) 2 (B) 3 (C) 4 (D) 6
19 有一電容器,以空氣為介質,其金屬板面積為 6.45 平方公分,距離為 0.00254 公分,試問其電容值 為多少? (A) 225 pF (B) 88.5 nF (C) 5.7 nF (D) 200 pF
20 如圖所示,Vs = 20 V、R = 1 MΩ、C = 1 μF,開關SW閉合前電容器未儲能,則SW閉合後需經多少時 間電容器兩端電壓達 12.64 V?
(A) 0.1 秒 (B) 1 秒 (C) 5 秒 (D) 0.5 秒
21 兩平行極板相距 2 公分,其間以空氣為介質,若要得到 0.5 法拉之電容值,則極板面積約為多少? (A) 113 平方公里 (B) 1130 平方公里 (C) 1130 平方公尺 (D) 336 平方公里
22 電容值 C1:C2:C3 = 1:2:5,則此三電容器串聯後連接至一電壓源,其電壓降之比為: (A) 5:2:1 (B) 5:3:1 (C) 1:2:5 (D) 10:5:2
23 RC 串聯電路中,R 為定值,若 C 值增加,其時間常數: (A)不變 (B)增加 (C)可能會增加也可能會減少 (D)減少
24 一個具有 100 匝的線圈,其線圈內之磁通量在 0.1 秒內由 1.2 韋伯升至 2.4 韋伯。試問出現在線圈之 感應電壓為多少? (A) 100 V (B) 240 V (C) 600 V (D) 1200 V
25 某一電感器 X 與另一個 1.5 亨利的電感器有互感。已知兩者間的耦合係數為 0.6,互感值為 0.9 亨利。 試問電感器 X 的電感值為多少亨利? (A) 3.5 (B) 2.5 (C) 1.5 (D) 0.5
26 兩個電感值均為 2 H,互感值為 M 之電感器串聯如下圖。若等效電感值為 7 H,則兩電感器間的耦合 係數為多少?
(A) 0.85 (B) 0.75 (C) 0.65 (D) 0.55
27 某一電感器通過 2 安培電流時,其儲存的能量為 0.4 焦耳。若欲將儲存的能量提高至 1.5 焦耳,則其 通過之電流應為多少安培? (A) 7.5 (B) 5.7 (C) 3.9 (D) 2.0
28 某元件兩端所跨電壓為 v(t) = 10 cos(t+60°)伏特,流經電流為 i(t) = 10 ×sin(t+60°)安培,則該元件為: (A)電阻 (B)電感 (C)電容 (D)電池
29 如圖所示,T 為電壓之週期,若電壓跨接於 5 Ω 電阻上,則流經該電阻之電流平均值為多少?
(A) 2 安培 (B) 5 安培 (C) 10 安培 (D) 20 安培
30 試求下圖電壓之有效值(rms):
31 交流電的傳輸過程中常將訊號轉成高壓,下列有關高壓輸電特點之敘述,何者錯誤? (A)不適合長距離輸電 (B)減少線路損失 (C)可減少電壓降 (D)可減少輸電電流
32 有一交流電路之電壓 v(t) = -100sin(377t -15°) V、電流 i(t) = 10cos(377t +15°) A,則其電壓與電流之相 位關係為何? (A)電壓超前電流 30° (B)電壓落後電流 30° (C)電壓超前電流 60° (D)電壓落後電流 60°
33 有一 RL 電路之電阻值為 8 歐姆,使用 60 Hz 電源時之功率因數為 0.8,若改用 80 Hz 電源時之功率 因數為何? (A) 0.6 (B) 0.707 (C) 0.866 (D) 0.9
34 有一串聯電路,外加一相量式為 100∠60°之正弦電壓源,若其串聯阻抗為 4+j3,則此電路之功率因 數為何? (A) 0.5 (B) 0.6 (C) 0.8 (D) 1.0
35 有一串聯電路,外加一相量式為 100∠30°之正弦電壓源,若其串聯阻抗為 4-j3,則此電路之功率因 數為何? (A) 0.5 (B) 0.6 (C) 0.8 (D) 1.0
36 試求圖中電壓V
o
之相量值:
(A) 100∠90° V (B) 205∠45° V (C) 30∠-40° V (D) 125∠180° V
37 假設電源頻率均為 15.92 Hz,試求圖中電壓V 之相量值:
(A) 7∠-26.16° V (B) 5∠-18.13° V (C) 14∠-30° V (D) 15∠-20.03° V
38 試求圖中電流Io之相量值:
(A) 20.56∠100.46° A (B) 3.82∠-50.86° A (C) 6.58∠-25.45° A (D) 1.25∠42.32° A
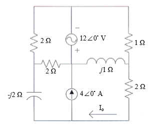
39 如圖示電路,等效電阻RT為多少Ω?
(A) 2 (B) 3 (C) 4 (D) 5
40 試求圖中跨接於電感的電壓V2之相量值:
(A) 23.45∠56.32° V (B) 71.55∠-71.57° V (C) 65.52∠32.56° V (D) 63.25∠20.31° V
申論題 (0)
相關試卷
115年 - 115 初等考試_電子工程:基本電學大意#136711
115年 · #136711
114年 - 114 初等考試_電子工程:基本電學大意#124884
114年 · #124884
113年 - 113-2 國營臺灣鐵路股份有限公司_從業人員甄試_第 11 階-服務員-電機:基本電學大意#137070
113年 · #137070
113年 - 113 國營臺灣鐵路股份有限公司_從業人員甄試_第 11 階-服務員-電機:基本電學大意#118978
113年 · #118978
113年 - 113 初等考試_電子工程:基本電學大意#118528
113年 · #118528
112年 - 112 地方政府特種考試_五等_電子工程:基本電學大意#118365
112年 · #118365
112年 - 112 鐵路、國家安全情報特種考試_佐級、五等_電力工程、電子工程、電子組:基本電學大意#114946
112年 · #114946
112年 - 112 身心障礙特種考試_五等_電子工程:基本電學大意#113918
112年 · #113918
112年 - 112 初等考試_電子工程:基本電學大意#112884
112年 · #112884
111年 - 111 地方政府特種考試_五等_電子工程:基本電學大意#112591
111年 · #112591