阿摩線上測驗
登入
首頁
>
初等/五等/佐級◆基本電學大意
> 101年 - 101 鐵路特種考試_佐級_機檢工程、電力工程、電子工程:基本電學大意#22373
101年 - 101 鐵路特種考試_佐級_機檢工程、電力工程、電子工程:基本電學大意#22373
科目:
初等/五等/佐級◆基本電學大意 |
年份:
101年 |
選擇題數:
40 |
申論題數:
0
試卷資訊
所屬科目:
初等/五等/佐級◆基本電學大意
選擇題 (40)
1 下列何者材料的導電率最差? (A)鋁 (B)銅 (C)鐵 (D)鉛
2 將 60 瓦特(W)的燈泡換成 100 瓦特(W)的燈泡後,燈泡之亮度變高,其主要原因為何? (A)燈泡的電阻變大 (B)通過燈泡的電流變小 (C)燈泡中的電壓升高 (D)燈泡的電阻變小
3 某電壓為 5 伏特(V)之電池,可提供 200 焦耳(J)的能量。若以某電容器取代該電池,在提供相同電壓 及能量下,則電容器之電容值為多少法拉(F)? (A)40 (B)16 (C)5 (D)0.5
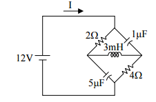
4 某電容器之電容值為 10 微法拉(μF),已知其端電壓為 200 伏特(V),則其所儲存之能量為多少焦耳(J)? (A)0.02 (B)0.2 (C)2 (D)20
5 某平行電容器之極板面積為 10 平方米(m
2
)、兩極板相距 1 毫米(mm),已知其電容值為 8.85 微法拉 (μF),則電容器介質之相對介電常數為何? (A)25 (B)50 (C)100 (D)200
6 如圖所示之電路,當開關 S 接於 a、b、c、d 何節點時,電流 I 之值為最大?
(A)a (B)b (C)c (D)d
7 三個電阻1/27歐姆(Ω)、1/11 歐姆(Ω)、1/12歐姆(Ω)並聯在一起,如圖所示,則其總電阻值RT為多少歐姆 (Ω)?
(A)0.01 (B)0.02 (C)0.05 (D)0.09
8 某電路如圖所示,則電阻R歐姆(Ω)上所消耗之功率為多少瓦特(W)(設E1與E2之單位為伏特(V))?
9 電阻與電容之串聯電路,此電路時間常數 T 與電阻值 R 及電容值 C 的關係為:
10 電阻及電感之串聯電路,此電路時間常數 T 與電阻值 R 及電感值 L 的關係為:
11 某電阻-電感-電容(R-L-C)串聯諧振電路之 Q 值為 20,頻帶寬度為 50 赫芝(Hz),則其諧振頻率為多少 赫芝(Hz)? (A)500 (B)1000 (C)1500 (D)2000
12 八極交流同步發電機轉子旋轉一圈,定子線圈感應電勢將出現幾個週期之變化? (A)1 (B)2 (C)4 (D)8
13 如圖所示,週期性電壓波形之週期為:
(A)2.5 ms (B)5 ms (C)10 ms (D)15 ms
14 一電阻器外加的電壓 v(t)= 10cost 伏特(V),流過的電流 i (t)= 2cost毫安培(mA),則瞬間消耗的功率為: (A)2 cos
2
t瓦(W) (B)20 cos
2
t仟瓦(kW) (C)20 cos
2
t毫瓦(mW) (D)20 cos
2
t瓦(W)
15 若 1 歐姆(Ω)電阻與 1 歐姆(Ω)電感抗並聯,則此電路的等效導納為多少姆歐(℧)? (A)1-j1 (B)1+j1 (C)j1/(1+j1) (D)j1/(1-j1)
16 某電路工作於 100 赫芝(Hz),該電路上某一點的電壓與電流間的相位差為 90°,此相位差表示在時間上的 差為多少毫秒(ms)? (A)1 (B)1.25 (C)2.5 (D)5
17 如圖所示之電路,其平均功率為多少瓦特(W)?
(A)5 (B)10 (C)20 (D)40
18 如圖所示,則下列節點電流方程式中,何者正確?
19 如圖所示,可變電阻R
L
等於多少歐姆(Ω)時,將可獲得最大功率?
(A)3 (B)5 (C)10 (D)14
20 如圖所示,則該電路之時間常數為多少微秒(μs)?
(A)20 (B)25 (C)33.3 (D)100
21 如圖所示之電路,若電路已達穩態,則電流為多少安培(A)?
(A)0 (B)2 (C)6 (D)9
22 如圖所示之電路,則以下何者正確?
(A)I1>I2>I3 (B)I2>I3>I1 (C)I2>I1>I3 (D)I3>I2>I1
23 某電路如圖所示,則各電阻器上之電壓降,何者最大?
(A)V1 (B)V2 (C)V3 (D)V4
24 如圖所示之電路,R1:R2=2:3;若電流I1=3 安培(A),R2上所消耗之功率為 24 瓦特(W),則R2為多 少歐姆(Ω)?
(A)2 (B)4 (C)6 (D)8
25 四個品質、特性完全相同之電燈泡甲、乙、丙、丁,如圖所示接於電源 E 上,則那一個燈泡最亮?
(A)甲 (B)乙 (C)丙 (D)丁
26 一電源E伏特(V),內電阻為r歐姆(Ω),與負載R
L
接成如圖所示之電路,當R
L
=3 歐姆(Ω)時,電流I =1 安培(A),又當R
L
為斷路時,a、b兩節點之端電壓V
ab
=6 伏特(V),則當R
L
為短路時,電流I為多少安 培(A)?
(A)0.5 (B)2 (C)4 (D)6
27 有一變壓器,初級電壓 400 伏特(V),次級電壓 100 伏特(V),則初級與次級之線圈匝數比為: (A)4:1 (B)1:4 (C)1:2 (D)2:1
28 長度 1 米之導體以每秒 5 米之速度在 B=4 韋伯/平方米磁場中運動,若導體之運動方向與磁場垂直,則導體 之感應電動勢大小為: (A)100 伏特(V) (B)20 伏特(V) (C)10 伏特(V) (D)2 伏特(V)
29 相鄰之兩平行長導線,若其中之電流方向相反,則兩導線互相作用的磁力為: (A)扭轉 (B)互相排斥 (C)互相吸引 (D)零
30 兩電容器C1=3 微法拉(μF)、C2=6 微法拉(μF)串聯後接於電壓 150 伏特(V)兩端,則C2兩端之電壓為 多少伏特(V)? (A)50 (B)60 (C)90 (D)100
31 安匝是下列那一個物理量的單位? (A)磁動勢 (B)磁通量 (C)磁通密度 (D)磁阻
32 輸出為 10 馬力之 100 伏特(V)的直流馬達,其效率為 74.6%,則輸入電流為若干安培(A)? (A)10 (B)74.6 (C)100 (D)1000
33 某商店有雙管日光燈 50 盞,每管日光燈消耗功率為 40 瓦特(W),平均每月使用 30 天,每天 24 小時,則 該商店照明用的電能是每月多少度電? (A)940 (B)2000 (C)2880 (D)4000
34 一額定為 110 伏特(V)、100 瓦特(W)的燈泡和另一額定為 110 伏特(V)、10 瓦特(W)的燈泡串接 後,以 110 伏特(V)的電源供電,則總消耗的功率為多少瓦特(W)? (A)110 (B)100 (C)10 (D)9.09
35 穩態交流電路中,50 歐姆(Ω)電感抗之端電壓為 v(t)= 100sin(377t) 伏特(V),其流過此電感抗的電流為 多少安培(A)? (A) 100sin( 377t)(B) 100sin( 377t − 90°) (C)2sin( 377t) (D) 2sin( 377t− 90°)
36 如圖所示,若 R
L
= 2 歐姆(Ω),則此R
L
消耗功率為多少瓦特(W)?
(A)6 (B)4 (C)2 (D)0.5
37 在下圖中,C1 =12微法拉(μF),C2 = 6 微法拉(μF),C3 = 6 微法拉(μF),則C1兩端上之電壓為多少伏 特(V)?
(A)50 (B)60 (C)100 (D)120
38 一可變電阻器R
L
及一電阻值為R歐姆(Ω)之電阻器串聯後,接於E伏特(V)之電源上,如圖所示。已知當R
L
= R 歐姆(Ω)時,R
L
上所消耗之功率為 9 瓦特(W),則當RL調整為 R
L
= 2R 歐姆(Ω)時,R
L
上所消耗之功率 為多少瓦特(W)?
(A)3 (B)6 (C)8 (D)12
39 某電路如圖所示,則 4 微法拉(μF)電容器所儲存之電量為多少微庫倫(μC)?
(A)120 (B)240 (C)360 (D)600
40 某銅線的電阻係數若為 1.724×10
-6
Ω-cm
2
/cm,銅線的半徑為 1 毫米(mm),其總電阻大小為 5.5×10
-3
歐姆 (Ω),則該銅線的長度為多少米?(以最接近之數值為準) (A)0.5 (B)1.0 (C)2.0 (D)5.5
申論題 (0)
相關試卷
115年 - 115 初等考試_電子工程:基本電學大意#136711
115年 · #136711
114年 - 114 初等考試_電子工程:基本電學大意#124884
114年 · #124884
113年 - 113-2 國營臺灣鐵路股份有限公司_從業人員甄試_第 11 階-服務員-電機:基本電學大意#137070
113年 · #137070
113年 - 113 國營臺灣鐵路股份有限公司_從業人員甄試_第 11 階-服務員-電機:基本電學大意#118978
113年 · #118978
113年 - 113 初等考試_電子工程:基本電學大意#118528
113年 · #118528
112年 - 112 地方政府特種考試_五等_電子工程:基本電學大意#118365
112年 · #118365
112年 - 112 鐵路、國家安全情報特種考試_佐級、五等_電力工程、電子工程、電子組:基本電學大意#114946
112年 · #114946
112年 - 112 身心障礙特種考試_五等_電子工程:基本電學大意#113918
112年 · #113918
112年 - 112 初等考試_電子工程:基本電學大意#112884
112年 · #112884
111年 - 111 地方政府特種考試_五等_電子工程:基本電學大意#112591
111年 · #112591