阿摩線上測驗
登入
首頁
>
技師◆材料力學
> 102年 - 102年專門職業及技術人員高等建築師、技師、第二次食品技師暨普通不動產經紀人、記帳士考高等_結構工程技師#25967
102年 - 102年專門職業及技術人員高等建築師、技師、第二次食品技師暨普通不動產經紀人、記帳士考高等_結構工程技師#25967
科目:
技師◆材料力學 |
年份:
102年 |
選擇題數:
0 |
申論題數:
8
試卷資訊
所屬科目:
技師◆材料力學
選擇題 (0)
申論題 (8)
⑴請問金屬纜線 AD 之彈性係數 E(GPa)?(5 分)
⑵試計算 C 點之垂直位移?(10 分)
⑶試計算當作用於 C 點之外力移除後,纜線 AD 之永久變形量(permanent set)? (10 分)
⑴請求出作用於該梁之力。(5 分)
⑵繪出其彎矩圖(bending-moment diagram)並標示相關極值。(8 分)
⑶設梁受彎矩後 z 軸為中性軸,請計算該梁之最大拉應力(tensile stress)。(12 分)
【已刪除】三、如圖三(a)所示之懸臂梁,其斷面為矩形(25 mm 寬、100 mm 高)如圖三(b)所示。 梁之彈性係數 E= 200 GPa,波松比(Poisson’s ratio)v = 0.333。此梁受一外力 P 作 用於自由端之斷面形心上,力與斷面夾 45°角。今一應變計(strain gage)A 貼於 1/2 梁 高的位置(如圖三(a)所示之 C 點)並與其軸心線夾 60°角。若量測值 ε
A
=-165 ×10
-6
, 求外力 P 之值及梁之最大剪應變 γ
max
。(25 分)
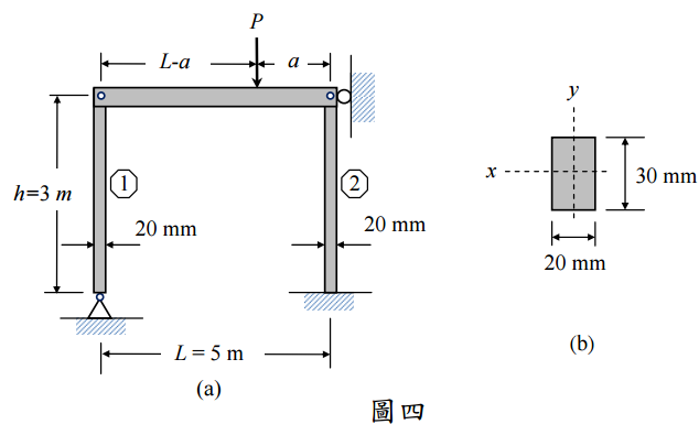
【已刪除】四、如圖四(a)所示之剛構架(frame)受外力 P 作用於梁上,梁與兩柱以栓接(pin connected)方式連接,且兩柱另一端分別為鉸接(hinge)與固接(fixed)。兩柱之 斷面如圖四(b)所示,其彈性係數 E= 200 GPa。柱 2 頂端之滾支承(roller)限制了 剛架的側向位移。若僅考慮柱之挫屈(buckling)行為,當兩柱同時發生挫屈時, 請問此時外力 P 之值及其作用位置之比值(a/L)為何?(25 分)
相關試卷
114年 - 114 專技高考_結構工程技師:材料力學#133661
114年 · #133661
114年 - 114 專技高考_大地工程技師(ㄧ):材料力學#127506
114年 · #127506
113年 - 113 專技高考_結構工程技師:材料力學#123908
113年 · #123908
113年 - 113 專技高考_大地工程技師(ㄧ):材料力學#120298
113年 · #120298
112年 - 112 專技高考_結構工程技師:材料力學#117648
112年 · #117648
112年 - 112 專技高考_大地工程技師(ㄧ):材料力學#114622
112年 · #114622
111年 - 111 專技高考_結構工程技師:材料力學#111960
111年 · #111960
111年 - 111 專技高考_大地工程技師(一):材料力學#108382
111年 · #108382
110年 - 110 專技高考_結構工程技師:材料力學#104219
110年 · #104219
110年 - 110 專技高考_大地工程技師(一):材料力學#101386
110年 · #101386