阿摩線上測驗
登入
首頁
>
台電◆電子學
> 104年 - 104 台灣電力公司_新進僱用人員甄試:電子學#28426
104年 - 104 台灣電力公司_新進僱用人員甄試:電子學#28426
科目:
台電◆電子學 |
年份:
104年 |
選擇題數:
50 |
申論題數:
0
試卷資訊
所屬科目:
台電◆電子學
選擇題 (50)
1.一汽車用蓄電池,用5A電流充電時,端電壓為12.4V,用3A電流充電時,其端電壓為13V,則該蓄電池的內阻為多少? (A)0.6 (B)0.5 (C)0.4 (D)0.3
2.關於橋式整流電路,下列敘述何者有誤? (A)為一全波整流電路(B)二極體之PIV= 2Vm (C)輸出頻率為電源頻率之兩倍(D)輸出直流電壓=2Vm/π
3.家用的交流電源110V、60Hz,經半波整流,但未濾波,則此整流後電壓平均值約為多少? (A)70V (B)60V (C)50V (D)40V
4如右圖所示之電路,若D屬理想二極體,則下列何種做法對改善其漣波因數(ripple factor)的效果最差?
(A)將電容值加大(B)將輸入電壓變小 (C)將電阻值加大(D)改用全波整流
5.如右圖所示之橋式整流電路,假設二極體均為理想二極體,當輸入交流電壓Vin(t)大於0伏特時,請問二極體的狀態,下列何者正確?)
(A)D1、D3導通,D2、D4不導通 (B)D2、D4導通,D1、D3不導通 (C)D1、D4導通,D2、D3不導通 (D)D2、D3導通,D1、D4不導通
6如右圖所示之某倍壓電路,其輸出直流電壓約為幾伏特? (A)141V (B)100V (C)200V (D)75V
7有一電壓源-3+4√2(sin5t)V,其平均值電壓與有效值電壓比約為多少? (A)-1 (B)0 (C)0.75 (D)-0.6
8如右圖所示,若其頻率為4kHz,則其工作週期(duty cycle)為多少? (A)10% (B)20% (C)30% (D)40%
9如右圖所示之電路,二極體皆為鍺質二極體,則I約為多少?
(A)2mA (B)1.8mA (C)2.8mA (D)3.8mA
10如右圖所示之電路,流過稽納(Zener)二極體之電流約為多少?
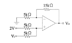
(A)3.7mA (B)3.1mA (C)1.6mA (D)0.63mA
11下列有關PN接面二極體的敘述,何者有誤? (A)矽二極體的障壁電壓(barrier potential)較鍺二極體高 (B)二極體加順向偏壓後,空乏區變窄 (C)溫度上升時,障壁電壓上升 (D)溫度上升時,漏電流上升
12下列何者二極體一般不是工作於逆向偏壓?(A)光二極體(photo diode) (B)稽納二極體(Zener diode) (C)變容二極體(varactor) (D)蕭基二極體(Schottky diode)
13在雙載子接面電晶體(BJT)放大器中,具有最大電壓增益與電流增益乘積的是何種組態? (A)共基極放大器(B)共射極放大器(C)共集極放大器(D)共汲極放大器
14如右圖所示電路,若hre=hoe=0、hie=1k、hfe=100則Vi點與接地間的輸入阻抗為多少?
(A)150kΩ、 (B)180kΩ、 (C)190kΩ、 (D)205kΩ.
15下列有關電晶體基本放大電路組態特性的敘述,何者有誤? (A)共射極組態放大電路又稱為射極隨耦器 (B)共射極組態之輸入與輸出信號位差180度 (C)共基極組態放大電路的高頻響應最佳 (D)共射極組態具有電流放大與電壓放大的作用
16如右圖共射極放大電路的交流等效電路中,電流增益Io/Ii為何?
17如右圖所示之電路,假設雙極性接面電晶體的β=100,VBE =0.7 V ,則在工作點Q上所對應之電壓VCE 值應為多少?
(A)7.56V、(B)8.84V、(C)9.2V、(D)10.69V
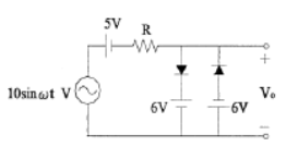
18電晶體做為開關電路,負載為電感性時的保護措施為何? (A)將電阻器與負載並聯 (B)將電阻器與負載串聯 (C)將電容器與負載串聯 (D)將二極體與負載並聯
19如右圖所示之電路,若VCC=20V、RL=50Ω則此放大器最大交流輸出功率為何?
(A).1W (B).2W (C).3W (D).4W
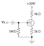
20如右圖所示之電路,若電晶體的β值為100,則使電晶體處於飽和狀態的最小IB約為多少?
β (A) 1mA (B) 0.1mA (C) 0.05mA (D) 0.5mA
21有40W輸出的放大器連接至10Ω的揚聲器,若放大器的電壓增益為40dB,且為額定輸出時,求其輸入電壓為何?Ω (A)40mV (B)0.1V (C)0.2V (D)0.4V
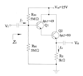
22如右圖所示之達靈頓電路,則zi的值為多少?
(A)5MΩ (B) 2.5 MΩ (C) 1.67 MΩ(D) 0.5 MΩ
23假設一功率電晶體之接面最高允許溫度TJ(max)=175℃,於外殼溫度下Tc=25℃,若熱阻1℃/w,則其最高散逸功率為多少? (A)300W (B)250W (C)200W (D)150W
24對於多級串接放大電路的敘述,下列何者正確? (A)級數越多,頻寬愈寬 (B)級數越多,電壓增益愈高 (C)級數越多,輸入阻抗愈大 (D)級數越多,電路穩定性愈高
25有關光耦合器的敘述,下列何者有誤? (A)具有將輸入與輸出信號隔離的作用 (B)輸出入共用接地端 (C)可應用在兩不同壓降的電路上 (D)為一電子式元件
26如右圖所示,V
DS
=8 V,則V
GS
為多少? = (A)+3.5V (B)-3.5V (C)-4.0V (D)+4.0V
27. N通道加強型MOSFET 的閘-源電壓VGS應如何才能使汲極電流ID導通?(V T 為臨界電壓)(A).VGS >0, VGS < VT、 (B).VGS <0, VGS > VT、 (C).VGS <0, VGS < VT、 (D).VGS >0, VGS >VT
28. 有關於MOSFET的敘述,下列何者有誤? (A)MOSFET有空乏型及增強型兩種形式 (B)MOSFET有N通道及P通道兩種 (C)MOSFET是電流控制元件 (D)MOSFET之閘極與源極間直流電阻很大
29如右圖所示之MOSFET放大電路,若ID=0.2(VGS-1)
2
,求直流電壓值VDS為多少?
(A)1V (B)2V (C)3V (D)4V
30如右圖所示之電路,是屬於下列何種型態之電路,且可形成何種濾波器?
(A)積分器,低通濾波器 (B)積分器,高通濾波器 (C)微分器,低通濾波器 (D)微分器,高通濾波器
31差動放大器中之CMRR愈大愈好,若要提高CMRR值,則其射極直流阻抗(RE)及射極交流阻抗(re)應如何選擇? (A).RE,re皆為高阻抗 (B).RE為高阻抗,re為低阻抗, (C).RE,re皆為低阻抗 (D).RE為低阻抗,re為高阻抗
32.如右圖為理想運算放大器之電路,其電壓增益為多少?
(A)12 (B)-12 (C)16 (D)-16
33下列何者不是理想運算放大器的特性? (A)輸入阻抗無限大 (B)輸入電流不等於零 (C)輸出阻抗為零 (D)電壓增益無限大
重新載圖
34如右圖所示,一個三級串接的放大器,若輸入電壓Vin為4μ,試求輸出電壓為多少?
(A)0.8mV (B)8mV (C)0.4mV (D)4mV
35如右圖所示之電路,輸出電壓VO為多少?
(A)10.8V (B)5.4V (C)15V (D)7.5V
36如右圖所示之理想運算放大器電路,在不飽和情況下,輸出電壓VO為多少?
(A) Vo=Vi (B) Vo=-Vi (C) Vo=Vi+2 (D) Vo=2Vi+4
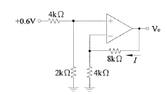
37如右圖所示之理想運算放大器電路,在不飽和情況下,電流I為多少?
(A)0.5mA (B)0.05mA (C)0.15mA (D)0.02mA
38下列有關振盪電路之敘述,何者有誤? (A) RC相移振盪器是屬於電路低頻振盪器 (B)石英晶體振盪是利用晶體本身具有壓電效應而產生振盪 (C)射頻振盪器一般使用韋恩振盪電路 (D)振盪器是一種將直流電變為交流電的裝置
39如右圖所示之施密特觸發器,假設運算放大器飽和時之最大輸出電壓為±15V,求其遲滯電壓VH為多少?
(A)3V (B)4V (C)5V (D)6V
40下列關於BJT電晶體射極隨耦器之特性敘述 ,何者有誤? (A)輸出訊號與輸入訊號相位相同(B)電流增益低於1 (C)電壓增益略小於1(D)輸入阻抗甚高
41如右圖所示,若Vi為三角波,則輸出Vo應為何種波形?
(A)方波(B)正弦波 (C)鋸齒波(D)三角波
42如右圖所示為理想二極體之電路,其穩態最大輸出電壓範圍為何?
(A)-6V~+6V (B)-6V~+5V (C)-5V~+6V (D)-5V~+5V
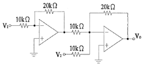
43如右圖所示之電路,運算放大器的飽和電壓為±12;若,v1=-2;v2=3,則Vo為多少?
(A)-14V (B)-12V (C)14V (D)12V
44下列那一種方法不能使已經導通的SCR(Silicon Controlled Rectifiers)截止? (A)陽極電流降至維持電流以下(B)切斷陽極電流 (C)使SCR的陽極陰極電壓反相(D)切斷閘極電流
45熱電偶(thermocouple)適合用於測量下列何種物理量? (A)溫度(B)壓力(C)電流(D)電壓
46下列有關各類二極體的敘述,何者有誤? (A)稽納二極體可作為產生參考電壓的元件 (B)發光二極體發光的波長與其偏壓的電壓值成正比 (C)一般發光二極體在使用時,是在順向偏壓下工作 (D)稽納二極體一般使用時,是在逆向偏壓下工作
47.P通道場效電晶體(FET)之電荷載子為何? (A)電子(B)主載子為電洞 (C)主載子為電子,副載子為電洞(D)電洞
48下列多級放大器耦合類別中,低頻響應最佳的為何者? (A)電阻電容耦合(B)變壓器耦合(C)直接耦合(D) 電感耦合
49如右圖所示為理想變壓器電路,D為理想二極體,Vi =156 sin(377t)V,RL=30Ω,則平均值約為多少?
=Ω = (A)5V、(B)10V、(C)15V、(D)20V
50下列關於BJT的敘述,何者有誤? (A)對NPN BJT而言,IE=IB+IC (B)對PNP BJT而言,IE = IB + IC (C)β為共射極放大器的電流增益 (D)α為共集極放大器的電流增益
申論題 (0)
相關試卷
115年 - 115 台灣電力公司_新進僱用人員甄試試題:電子學#139792
115年 · #139792
114年 - 114 台灣電力公司_新進僱用人員甄試試題:電子學#127359
114年 · #127359
113年 - 113 台灣電力公司_大學及研究所獎學金甄選試題_電驛:電路學、電子學及保護協調#129271
113年 · #129271
113年 - 113 台灣電力公司_新進僱用人員甄試試題_專業科目 A:電子學#119792
113年 · #119792
112年 - 112 台灣電力公司_新進僱用人員甄試:電子學#116963
112年 · #116963
111年 - 111 台灣電力公司_新進僱用人員甄試:電子學#107787
111年 · #107787
110年 - 台灣電力公司 110 年度新進僱用人員甄試試題:專業科目 A(電子學)#98715
110年 · #98715
109年 - 109 台灣電力公司_新進僱用人員甄試:電子學#86565
109年 · #86565
108年 - 108 台灣電力公司_新進僱用人員甄試:電子學#78753
108年 · #78753
107年 - 107-12 台灣電力公司_新進僱用人員甄試:電子學#73748
107年 · #73748