阿摩線上測驗
登入
首頁
>
技師◆基礎工程與設計
> 105年 - 105年大地工程技師高等大地工程專業實務(二)(基礎工程與設計)#52489
105年 - 105年大地工程技師高等大地工程專業實務(二)(基礎工程與設計)#52489
科目:
技師◆基礎工程與設計 |
年份:
105年 |
選擇題數:
0 |
申論題數:
7
試卷資訊
所屬科目:
技師◆基礎工程與設計
選擇題 (0)
申論題 (7)
【已刪除】一、某一開挖工程在砂土層中進行,其擋土措施剖面如下圖所示,預計總開挖深度為 8.0 m,擋土壁深度達地表下 16 m。已知背土側均佈載重為 15 kN/m
2
,背土側地下水 位在地表下 5.0 m 處,開挖內側地下水位保持在開挖面處,土壤單位重 γ
t
= 17.50 kN/m
2
,土壤飽和單位重 γ
sat
= 19.81 kN/m
2
,凝聚力 c' = 0 kN/m
2
,內摩擦角 ψ' = 30°。請根據蘭金(Rankine)土壓力理論,並依『建築物基礎構造設計規範』之 規定,檢核該擋土壁貫入深度之安全係數(FS)。註:擋土設施結構體之容許彎矩值 忽略不計。(20 分)
【已刪除】二、如下圖所示,有一基樁直徑為 80 cm,完全被打入黏土層中,已知土層一厚度 10.0 m, 土層二厚度大於 30.0 m,若地下水位在地表下 4.0 m,請分別以 α 法(α 值請參考附 圖)及 λ 法(已知 L = 20 m 時,λ = 0.177;L = 30 m 時,λ = 0.145),計算此樁之極限 承載力。(15 分)
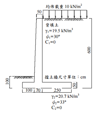
【已刪除】三、某一懸臂式擋土牆剖面及土層性質如下圖所示,若混凝土單位重 γ
c
= 24 kN/m
3
,基礎 與土壤間之外摩擦角 δ = 22°,牆背有 10 kN/m2之地表均佈載重,地下水位位於地表 下深處。假設擋土牆趾(toe)上方重量及牆前被動土壓忽略不計,已知土壤之極限 承載力 = 450 kN/m
2
,請根據蘭金(Rankine)土壓力理論,分別計算擋土牆抗傾倒、 抗滑動、基礎承載力之安全係數為何?(15 分)
四、某一新建工程擬規劃地下室 4 層(預計開挖深度 20 m),地上 10 層之鋼構造建築物, 假設地下室每層重 12 kN/m
2
,基礎重 25 kN/m
2
,地上層每層重 10 kN/m
2
。參考鄰近 之工址之鑽探資料,地表下 60 m 主要為軟弱黏土(單位重 18 kN/m
3
),地表下 60 m 以下為卵礫石層,常時地下水位位於地表下 3 m,高水位位於地表面。若設計單位規 劃之最大地質鑽探孔深為 40 m,研判此深度是否合宜?並說明合宜與否之原因,或 者不合宜時之建議方案。(15 分)
五、試述地錨常見損壞的型式有那些?如何評估和檢查已完工約數十年之某擋土牆面 上地錨之有效性?又如何防止或補救此擋土牆因地錨損壞可能引起的災害?(15 分)
六、試就試驗方法、過程、試驗結果等差異,說明標準貫入試驗與圓錐貫入試驗的差異 性有那些?(10 分)
七、試以都會區深開挖建築工地為例,繪製平面圖與剖面圖,說明常見之安全監測項目 與目的及儀器數量和各自安裝位置為何?(10 分)
相關試卷
114年 - 114 專技高考_大地工程技師:基礎工程與設計(包括開挖工程及基礎相關結構設計)#133716
114年 · #133716
114年 - 114 專技高考_大地工程技師(二):基礎工程與設計#133660
114年 · #133660
113年 - 113 專技高考_大地工程技師(二):基礎工程與設計#123932
113年 · #123932
113年 - 113 專技高考_大地工程技師:基礎工程與設計(包括開挖工程及基礎相關結構設計)#123905
113年 · #123905
112年 - 112 專技高考_大地工程技師(二):基礎工程與設計#117682
112年 · #117682
112年 - 112 專技高考_大地工程技師:基礎工程與設計(包括開挖工程及基礎相關結構設計)#117668
112年 · #117668
111年 - 111 專技高考_大地工程技師(二):基礎工程與設計#111855
111年 · #111855
110年 - 110 專技高考_大地工程技師(二):基礎工程與設計#104206
110年 · #104206
109年 - 109 專技高考_大地工程技師(二):基礎工程與設計#93314
109年 · #93314
109年 - 109 專技高考_大地工程技師:基礎工程與設計(包括開挖工程及基礎相關結構設計)#93271
109年 · #93271