阿摩線上測驗
登入
首頁
>
技檢◆電力電子-乙級
> 105年 - 11600 電力電子 乙級 工作項目 04:電工學 51-102#38888
105年 - 11600 電力電子 乙級 工作項目 04:電工學 51-102#38888
科目:
技檢◆電力電子-乙級 |
年份:
105年 |
選擇題數:
52 |
申論題數:
0
試卷資訊
所屬科目:
技檢◆電力電子-乙級
選擇題 (52)
51. 下圖所示電路中,I 為多少安培?
(A)0A(B)1A(C)3A(D)5A。
52. 下圖所示 RC 串聯電路中,若其功率因數為 0.6 超前,則 R 為多少歐姆?(A)6Ω(B)8Ω(C)9Ω(D)12Ω。
53. 設 v=2sin(314t-30°)V,則通過第一峰值之時間為多少?(A)1/300 秒(B)1/150 秒(C)1/100 秒(D)1/50 秒。
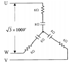
54. 下圖所示電路中,當外加線電壓為 √3×100V 時,負載之虛功率為多?(A)600 VAR(B)800 VAR(C)1800VAR (D)2400VAR。
55. 下圖所示電路中,分支電流 I2 為多少安培?
(A)4(B)8(C)10(D)16。
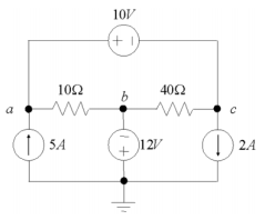
56. 下圖所示電路中,節點 c 的電壓為多少伏特?
(A)-12(B)14(C)9(D)4。
57. 下圖所示電路中,電容器(C)之大小為 10mF,先充電至 100V 後,打開開關,則此電容器儲存能量大小為多 少焦耳?
(A)200(B)100(C)66.7(D)50。
58. 試計算下圖中的分支電流I為多少安培?
(A)1.25∠90°(B)1.25∠-90°(C)3.15∠90°(D)6.25∠-90°。
59. 下圖所示電路中,開關原來是閉合,若要讓電容 C 兩端的電位差在開關打開之後,以最慢的速率下降,電 容與電阻值應選用下列何種組合?
(A)C=20μF,R=1kΩ(B)C=20μF,R=10kΩ(C)C=100μF,R=1kΩ(D)C=100μF,R= 10kΩ。
60. 下列何者不是變壓器的損失?(A)銅損(copper loss)(B)渦流損(eddy current loss)(C)摩擦損(friction loss)(D)磁滯損(hy steresis loss)。
61. 有關變壓器參數量測,下列敘述何者正確?(A)短路測試可量測鐵損(B)短路測試可量測繞線匝數比(C)短路測試 僅需電壓表及電流表(D)開路測試可量測激磁導納。
62. 有 10 個 110V、100W 燈泡並聯使用 5 小時,共消耗幾度電?(A)0.5(B)1(C)5(D)50。
63. 有一組線圈共 5 匝,在 0.5 秒鐘內切割 109條磁力線,其感應電動勢為幾伏?(A)1(B)5(C)10(D)100。
64. 線圈之感應電流所產生的磁場,它的磁極會反對原有的磁極變化,這稱為?(A)法拉第定律(Farady's law)(B)愣 次定律(Lenz’law)(C)安培定律(Ampere law)(D)歐姆定律(Ohm law)。
65. 有關保險絲的敘述,下列何者不正確?(A)過電流保護功能(B)其額定電流應高於最大負載電流(C)它熔點比導線 高(D)它與負載串聯。
66. 下圖所示電路中,一直流電源 12 伏特透過一開關供電給一電阻 R=250Ω,與一電容 C=6μF 串聯,若電容上 原來無任何電荷,當開關關上後時間經過一小時,迴路上之電流大小最接近多少安培?
(A)0(B)1.2(C)2.4(D)4.8。
67. 下圖所示電路中,若 R
1
=1Ω、R
2
=R
3
=3Ω,則 10V 電源所供應電功率為多少瓦?
(A)10(B)25(C)40(D)50。
68. 變壓器的磁通量不變時鐵心若存有空氣隙,則激磁電流會(A)變小(B)變大(C)不變(D)不一定。
69. 某容量為 20kVA 之變壓器,使用電壓及頻率固定,當輸出之仟伏安值由 20kVA 降到 5kVA 時,其變壓器的 鐵損(A)減為原來之 1/4(B)減為原來之 1/16(C)增為原來之 4 倍(D)不變。
70. 某感應電動機在某特定轉速下,氣隙功率為 50kW,電磁功率為 40kW,則轉子之轉差率為(A)0.8(B)0.2(C)0.9(D) 0.1。
71. 提高繞線式感應電動機的轉子電阻時,電動機的最大轉矩會(A)提高(B)減少(C)不變(D)不一定。
72. 某 4 極之三相同步電動機,若輸入電源的頻率為 60Hz,則在穩態時轉軸轉速為(A)1000RPM(B)1500RPM(C)180 0RPM(D)3600RPM。
73. 某三相平衡負載的實功率為 80kW,視在功率為 100kVA,則其功率因素為(A)1.0(B)0.8(C)0.6(D)0.5。
74. 電阻 R=10Ω 與電感 L=2mH 串聯電路,此電路時間常數為何?(A)0.2ms(B)0.5ms(C)1ms(D)2ms。
75. 有四個電阻器串聯,且每電阻器之電阻值皆為 8Ω,則此總電阻為(A)2Ω(B)8Ω(C)16Ω(D)32Ω。
76. 有四個電容器串聯,且每個電容器之電容值皆為 10μF,則此總電容為(A)2.5μF(B)10μF(C)20μF(D)40μF。
77. 某電阻器的端電壓 ,若電阻為 10Ω,則此電阻器消耗平均功率為(A)10W(B)100W(C)1kW(D) 10kW。
78. 某三相平衡電壓源,其線對線電壓為 220V 有效值,則其相電壓峰值為
(A)220/√3V (B)
(C)220V(D)
。
79. 某三相平衡負載在負載端之線電壓為 200V 有效值,其線電流為 10A 有效值,則此三相負載之總視在功率為 (A)
(B)2kVA(C)2 √3kVA (D)6kVA。
80. 某單相負載其端電壓為 100V 有效值,線電流為 5A 有效值,其功率因數為 0.8 滯後,則此負載之平均功率為 (A)500W(B)400W(C)300W(D)200W。
81. 電阻為 3Ω,電感抗為 8Ω 及電容抗為 4Ω,則其串聯總阻抗之絕對值為(A)15Ω(B)11Ω(C)7Ω(D)5Ω。
82. 某負載的視在功率為 1kVA,其功率因數為 0.6 滯後,則此虛功率為(A)1kVAR(B)0.8kVAR(C)0.6kVAR(D)0.5kVA R。
83. 電阻為 R,電容為 C 及電感為 L 之串聯電路,其諧振頻率 為
複選題
84. 已知
,求 之值(使用直角坐標與極座標運算)
複選題
85. 若頻率 ω=2000 弳/秒,1kΩ 電阻的阻抗 Z
R
,3H 電感器的阻抗 Z
L
,0.1µF 電容器的阻抗 Z
C
,下列何者正確?
複選題
86. 應用克希荷夫電流定律,下圖中 I
1
,I
3
,I
4
及 I
5
之值,下列何者正確?(A)I
1
=1A(B)I
3
=2A(C)I
4
=3A(D)I
5
=5A。
複選題
87. 有一並聯電路如下圖所示,求等效電阻,電流I、I
1
、I
2
、I
3
及電流電源供給的功率。(A)等效電阻為 1Ω (B)電流I為 12A(C)I
1
=6A,I
2
=4A,I
3
=2A(D)電壓源供給的功率為 300W。
複選題
88. 下圖所示串並聯電路,由電源兩端看入的等效電阻為 R
T
,電流為I,下列何者正確?
(A)R
T
=6Ω(B)I=4A(C)RT =15Ω(D)I=2A。
複選題
89. 下圖所示電路的I、V
1
、V
2
及 V
3
之值,下列何者正確?
(A)I=9A(B)V
1
=20V(C)V
2
=27V(D)V
3
=18V。
複選題
90. 下圖所示電路中,電阻 3Ω 的兩端點之戴維寧等效電阻 Rth及兩端之電壓 V,下列何者正確?
(A)Rth=8Ω(B)Rth =2.4Ω(C)V=-2.67V(D)V=4.8V。
複選題
91. 一內阻為 0.05 歐姆,電壓為 2.2 伏特之電池,於其兩極間接以一 0.5 歐姆之電阻絲。試求於 5 分鐘內,電池 所供給之電能,電池所提供之電流,及電阻絲與電池內部各產生的熱量。(A)電池所供給之總電能 2640J(B)電 阻絲產生的熱量 1000 卡(C)電池內部消耗的電能 240J(D)電池所提供之電流 5A。
複選題
92. 下圖所示之並聯電路如圖(a),其等效電阻 R
T
及電流源電壓 V 如圖(b),下列何者正確?
(A)R
T
=3Ω(B)R
T
=6Ω(C) V=15V(D)V=10V。
複選題
93. 下圖所示之電路,若 V=100V,求電壓表 V
1
,V
2
和 V
3
的讀值(保險絲為理想,視同短路)
(A)V
1
=0V(B)V
1
=100V(C) V
2
=100V(D)V
3
=100V。
複選題
94. 兩平行極板夾上介電質所構成之電容器中,其電場強度、儲存的能量和電容值決定於(A)平行極板形狀(B)平行 15 極板面積(C)平行極板距離(D)介電材料。
複選題
95. 如下圖所示 RC 電路,若電容器的初始電壓 υ(0)=0V,求電容器在時間 t≧0 時的電壓 v 及 t=5T 時之電壓值, T 為 RC 時間常數
(A)υ=6(1-e
-4t
)V(B)υ=6(1-e
-2t
)V(C)t=5T,υ=5.96V(D)t=5T,υ=3V。
複選題
96. 某銅導線在 22℃ 時的電阻為 100Ω,則該銅線在 30℃ 及-16℃ 之電阻為何?(A)R
30
=105Ω(B)R
30
=103Ω(C)R
-16
=85 Ω(D)R
-16
=80Ω。
複選題
97. 一白熾燈之額定電壓為 110 伏特,功率為 60 瓦特,其額定電流 I 及電阻 R 各為若干?若電力公司所提供之 電壓為 100 伏特,則此電燈實際消耗功率 P 為若干?(A)I=0.6A(B)I=0.545A(C)R=150Ω(D)P=49.5W。
複選題
98. 某電動機輸出為 10kW,其效率為 80%,工作 10 小時,試求需要多少仟瓦小時?若電費每度 3.0 元,試問需 多少電費?(A)125 仟瓦小時(B)100 仟瓦小時(C)375 元(D)300 元。
複選題
99. 交流感應電動機的轉速與(A)極數成反比(B)極數成正比(C)電壓成反比(D)頻率成正比。
複選題
100. 不適合於需要高起動轉矩的應用場合之直流馬達為(A)串激馬達(B)分激馬達(C)他激馬達(D)差複激馬達。
複選題
101. 他激式直流馬達的電磁轉矩與(A)電樞電流成正比(B)磁通成反比(C)電樞電流成平方正比(D)磁通成正比。
複選題
102. 關於三相鼠籠式感應電動機之敘述,下列何者正確?(A)改變外加電源頻率可改變轉速(B)啟動電流大於滿載額 定電流(C)更換電源相序可改變轉向(D)逆轉之額定輸出功率大於正轉之額定輸出功率。
申論題 (0)
相關試卷
114年 - 11600 電力電子 乙級 工作項目 09:裝備測試與檢修 1-43(2025/12/12 更新)#134852
114年 · #134852
114年 - 11600 電力電子 乙級 工作項目 08:電力電子系統與應用 101-164(2025/12/12 更新)#134851
114年 · #134851
114年 - 11600 電力電子 乙級 工作項目 08:電力電子系統與應用 51-100(2025/12/12 更新)#134850
114年 · #134850
114年 - 11600 電力電子 乙級 工作項目 08:電力電子系統與應用 1-50(2025/12/12 更新)#134849
114年 · #134849
114年 - 11600 電力電子 乙級 工作項目 07:程式設計與微電腦應用 1-31(2025/12/12 更新)#134848
114年 · #134848
114年 - 11600 電力電子 乙級 工作項目 06:邏輯與數位系統 1-61(2025/12/12 更新)#134847
114年 · #134847
114年 - 11600 電力電子 乙級 工作項目 05:電子學 51-85(2025/12/12 更新)#134846
114年 · #134846
114年 - 11600 電力電子 乙級 工作項目 05:電子學 1-50(2025/12/12 更新)#134845
114年 · #134845
114年 - 11600 電力電子 乙級 工作項目 04:電工學 51-117(2025/12/12 更新)#134843
114年 · #134843
114年 - 11600 電力電子 乙級 工作項目 04:電工學 1-50(2025/12/12 更新)#134842
114年 · #134842