阿摩線上測驗
登入
首頁
>
技檢◆電力電子-乙級
> 105年 - 11600 電力電子 乙級 工作項目 08:電力電子系統與應用 101-142#38911
105年 - 11600 電力電子 乙級 工作項目 08:電力電子系統與應用 101-142#38911
科目:
技檢◆電力電子-乙級 |
年份:
105年 |
選擇題數:
42 |
申論題數:
0
試卷資訊
所屬科目:
技檢◆電力電子-乙級
選擇題 (42)
101. 降壓型直流截波器(buck dc chopper)在電流為連續模式下操作,有關電感電流漣波成份的敘述,下列何者正 確?(A)電感電流之峰對峰值與切換頻率成正比(B)電感電流之峰對峰值與電感值成正比(C)電感電流之峰對峰 值與切換頻率無關(D)電感電流之峰對峰值與電感值成反比。
102. 有關 GTO(gate turn-off thyristor)之敘述,下列何者正確?(A)閘極電流可作導通狀態操作控制,但無法作截止狀 態控制(B)閘極電流可作導通狀態操作控制,亦可作截止狀態控制(C)閘極電流不能作導通狀態操作控制,但可 作截止狀態控制(D)閘極電流不能作導通及截止狀態操作控制。
複選題
103. 使用雙極性接面電晶體作線性電壓調節器操作時,下列何者正確?(A)電晶體操作於作用區(B)電晶體操作於飽 和區(C)電晶體作為可變電阻操作(D)電晶體操作於截止區。
複選題
104. 線性調節器與切換型轉換器的比較,下列何者正確?(A)線性調節器的效率較高(B)切換型轉換器的效率較高(C) 切換型轉換器的體積較小(D)線性調節器的輸出電壓漣波較低。
複選題
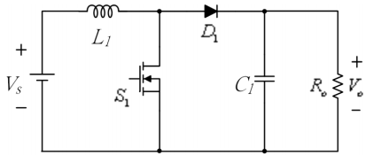
105. 下圖為降壓型轉換器的電路,下列敘述何者正確?
(A)功率級電晶體(MOSFET)S1工作於作用區(B)功率級電晶 體(MOSFET)S1工作於歐姆區或截止區(C)二極體 D1可作電感電流飛輪用(D)電容 C1作為輸出電壓的濾波及穩壓 使用。
複選題
106. 昇壓型轉換器如下圖,若 fs為 S
1
的切換頻率,D
1
為 S
1
導通的責任週期,△i
L
為電感電流峰對峰值。在電感電 流連續操作之電感電流最大值 I
max
及電感電流最小值 I
min
為
複選題
107. 有關昇壓型轉換器的描述,下列何者正確?(A)輸出電壓高於輸入電壓(B)輸出電壓低於輸入電壓(C)電感越小, 其電感電流越容易連續(D)電感越大,其電感電流越容易連續。
複選題
108. 下圖為昇壓型轉換器,開關元件 S1的切換頻率為 25kHz,輸入電壓 V
s
為 12V,輸出電壓 V
0
為 15V,若電感 電流為連續模式操作,則下列何者為正確?
(A)開關元件 S
1
的導通時間為 8μs(B)開關元件 S
1
的導通責任週期 為 0.2(C)開關元件 S
1
的導通時間為 32μs(D)開關元件 S
1
的導通責任週期為 0.8。
複選題
109. 下圖為降壓型轉換器,開關元件 S1的切換頻率為 100kHz,輸入電壓 V
s
為 12V,輸出電壓 V
o
為 3V,若電感 電流為連續模式操作,則下列何者為正確?
(A)開關元件 S
1
的導通責任週期為 0.25(B)開關元件 S
1
的導通責任 週期為 0.5(C)開關元件 S
1
的導通狀態時間為 2.5μs(D)開關元件 S
1
的截止狀態時間為 7.5μs。
複選題
110. 下圖所示電路中,降昇壓轉換器(buck-boost converter),在穩態操作且電感電流 iL為連續,d1為開關元件 S1的 導通責任週期,切換週期為 T,則電感電流最大值 Imax及最小值 Imin為
複選題
111. 下圖為降昇壓轉換器(buck-boost converter),在穩態操作且電感電流 i
L
為連續,d
1
為開關元件 S
1
的導通責任週 期,T
s
為開關切換週期,f
s
為切換頻率,電感電流為臨界條件時的電感最小值 L
min
及輸出電壓的漣波△V
o
為
複選題
112. 有關軟性切換(soft switching)轉換器的特性,下列何者正確?(A)在零電流時切換(B)在零電壓時切換(C)切換損失 高(D)切換損失極低。
複選題
113. 轉換器的切換頻率與濾波元件及變壓器的關係,下列何者正確?(A)切換頻率越高,濾波元件的電感及電容值 越大(B)切換頻率越高,變壓器的體積越大(C)切換頻率越高,濾波元件的電感或電容值越小(D)切換頻率越高, 變壓器的體積越小。
複選題
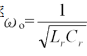
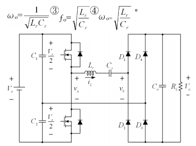
114. 下圖為諧振式轉換器,有關諧振角頻率o及特性阻抗 Z
0
,下列何者正確?
(A)諧振角頻率
(B)諧振頻 率
(C)諧振電路的特性阻抗
(D)諧振電路的特性阻抗
。
複選題
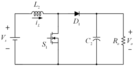
115. 下圖為諧振式轉換器,有關開關元件 S1的切換過程,下列何者正確?
(A)電感 L
r
的電流 i
L
為零時,開關元件 S
1
截止(B)電感 Lr的電流 iL為零時,開關元件 S
1
導通(C)此開關元件 S
1
為零電壓切換(D)此開關元件 S
1
為零電流切 換。
複選題
116. 下圖為串聯諧振式 轉換器的電路,此電路的諧振頻率 f
o
及角頻率 ω
o
為
複選題
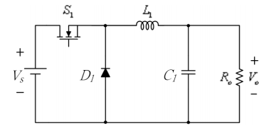
117. 串聯諧振式 轉換器,下圖所示穩態的交流電路,其基本波振幅 V
b1
及 V
a1
的關係
複選題
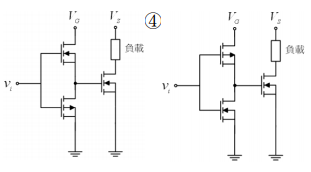
118. N 型 MOSFET 的驅動級電路,下列何者正確?
複選題
119. 有關 N 型 MOSFET 的驅動電路,下列敘述何者正確?(A)導通狀態的穩態電流為零(B)導通狀態的穩態電壓為 零(C)截止狀態的穩態電流為零(D)截止狀態的穩態電壓高於臨界電壓。
複選題
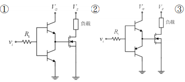
120. 下圖為雙極性電晶體的驅動電路及基極電流,其中 V
BE
為飽和區的基極與射極電壓,則基極電流 I
B1
及 I
B2
為
複選題
121. 有關功率級電晶體的散熱方面,以熱阻(thermal resistance)
,單位為 ℃/W,下列何者正確?(A)P 為熱功 率,單位為 W(B)P 為熱電流,單位為 A(C)T1-T2為兩點之間的溫度,單位為℃(D)T
1
-T
2
為兩點之間的溫度,單位 為°K。
複選題
122. 有關開關元件的緩振電路(snubber circuit),下列何者正確?(A)降低開關元件在切換期間的功率損失(B)提高開 關元件在切換期間的功率損失(C)保護開關元件,避免高電壓之切換應力(D)保護開關元件,避免大電流之切換 應力。
複選題
123. 電力電子不可控制元件(uncontrolled devices),下列哪些選項正確?(A)功率二極體(diode)(B)電晶體(BJT)(C)金氧 半場效電晶體(MOSFET)(D)蕭特基二極體(Schottky diode)。
複選題
124. 電力電子電流驅動元件(current drivedevices),下列哪些選項正確?(A)可關斷閘流體(GTO)(B)功率電晶體(BJT) (C)功率金氧半場效電晶體(MOSFET)(D)絕緣閘雙極性電晶體(IGBT)。
複選題
125. 已導通的可切斷閘流體(GTO)之截止條件,下列哪些選項正確?(A)使陽極電流小於保持電流(holding current) (B)閘極加入較大的負向電流(C)截斷陽極電路(D)閘極開路。
複選題
126. 下圖電路中 SCR 之觸發電壓(trigger voltage)V
T
=0.75V、觸發電流(trigger current)I
T
=7mA 與保持電流(h olding current)I
H
=6mA,下列哪些選項正確?
(A)陽極電流小於 6mA 時,SCR 仍可保持導通
(B)閘極電流大於 7 mA 時,SCR 可觸發導通
(C)SCR 切斷(off)時之輸出電壓 V
out
=0.75V
(D)能觸發 SCR 之輸入電壓 V
in
=7.75V。
複選題
127. 理想的電感器與電容器,在穩態週期的電壓與電流操作時,下列哪些選項正確?(A)電感器瞬間功率為零(B)電 感器平均功率為零(C)電容器瞬間功率為零(D)電容器平均功率為零。
複選題
128. 下圖所示之電壓波形 v(t),下列哪些選項正確?
(A)週期為 2s(B)平均值為 10V(C)峰對峰值為 15V(D)有效值為
。
複選題
129. 下圖所示為能量從電源端傳送至負載端,假設 vs(t)=4cos(ωt)+0.5(3ωt-15°)+0.1cos(7ωt+45°)V,i(t)=0.5cos(ωt+ 60°)+0.2cos(3ωt+45°)+0.08cos(3ωt+45°)A,下列哪些選項正確?
(A)電源端電壓平均值為 0V(B)電流平均值為 0A (C)電源端電壓有效值約為 4.6V(D)電流有效值約為 0.385A。
複選題
130. 有一負載之端電壓及端電流分別為 v(t)=240√2(ωt)+80√2 cos(3ωt)V及 i(t)=60√2 cos(ωt-30°)+20 √2cos(3ω+30°)+12√2 cos(5ωt-60°)+9√2 (7ωt)A ,式中 ω=377rad/s,下列哪些選項正確?(A)端電壓有效值約為 253V(B)電流 總諧波失真約為 0.4167(C)送至負載之平均功率約為 21500W(D)功率因數約為 0.843。
複選題
131. 下圖所示單相半波整流電路具有純電阻負載,輸入電源為 110V、60Hz,電阻負載為 5Ω,下列哪些選項正 確?
(A)負載之電壓平均值約 49.5V(B)負載之電壓有效值約 77.8V(C)二極體 D 峰值逆向電壓為 110V(D)送至負載 之平均功率約為 1210W。
複選題
132.
左圖中 L 為不含任何電阻之純電感,並假設二極體導通時壓 降為零,下列哪些選項正確?
(D)L 所消耗的平均功率為零。
複選題
133. 下圖所示之未加電源電路,初值條件為 ν
c
(0)=-100V,i
L
(0)=0A,SCR 在 t=0 時激發,下列哪些選項正確?
(A) SCR 不會導通(B)LC 持續振盪(C)理想反向後電容電壓為 100V(D)電感電流峰值為 10A。
複選題
134. 下圖所示具有濾波電容半波整流電路,輸入正弦波電源電壓有效值為 20V,R
L
=10kΩ,C=68μF,下列哪些 選項正確?
(A)輸出電壓平均值約為 28V(B)負載電流愈大,輸出漣波電壓愈小(C)若增大濾波電容,輸出漣波電 壓會變小(D)二極體電流為弦波的正半波。
複選題
135. 下圖所示之具有濾波電容橋式全波整流電路,輸入正弦波電源電壓有效值為 120V,R
L
=100Ω,C=100μF,下 列哪些選項正確?
(A)輸出電壓平均值約為 168V(B)負載電流愈大,輸出漣波電壓愈大(C)若增大濾波電容,輸 出漣波電壓變大(D)二極體電流為脈波。
複選題
136. 下圖所示三相平衡交流電壓經過一個三相全波二極體橋式整流電路連接至一個 100Ω 電阻器負載,若三相電 壓之相電壓峰值為 180V,且二極體為理想元件,下列哪些選項正確?
(A)每一瞬間都有 2 個二極體導通(B)一 個週期中每個二極體導通 60°(C)負載的直流電壓約為 300V(D)通過每一個二極體的峰值電流約為 3.12A。
複選題
137. 下圖所示為單相二極體全波橋式整流電路,交流電源 ,若負載為 10A 之電流源,下列哪 些選項正確?
(A)電源端之電壓有效值為 100V(B)負載電流有效值為 10A(C)電源電流基本波有效值為
(D)電 源端的功率因數為 0.9。
複選題
138. 由 SCR 及二極體組成之三相半轉換器(semi-converter),其電源為三相 Y 接 220V、60Hz(變壓器二次側 Y 接而 成),若負載電流為 12A,連續且無漣波成分。於激發延遲角=60°時,下列哪些選項正確?(A)SCR 電流平均值 為 4A(B)SCR 電流有效值約為 6.93A(C)整流效率為 1(D)變壓器利用率約為 0.5。
複選題
139. 下圖所示為單相半控全波全橋整流電路,交流電源v(
i
)t=120√2sin(377t)V ,若負載電阻為 20Ω,觸發延遲角 為 30°,下列哪些選項正確?
(A)負載端電壓平均值為 120V(B)負載電流有效值約為 5.91A(C)負載平均功率約為 699W(D)電源端的功率因數約為 0.986。
複選題
140. 下圖所示之交流電壓控制器電路,電源v(
s
)t=√2 110sin(2π60t)V ,負載 R=5Ω,閘流體激發延遲角調在 α= 60°,下列哪些選項正確?
(A)負載端電壓有效值約為 99V(B)負載端電壓平均值為 0V(C)負載之平均功率為 0W (D)電源側功率因數約為 0.9。
複選題
141. 下圖所示之單相交流電壓控制器(AC voltage controller),接電阻性負載,下列哪些選項正確?
(A)可採導通- -截止(on-off)或相位控制(phase control)兩種控制模式(B)兩 SCR 可同時導通(C)兩 SCR 分別導通時間若相同,電 源與負載之電流平均值為 0A(D)兩 SCR 分別導通時間若相同,則流過每個 SCR 之電流有效值為負載電流有效 值的
倍。
複選題
142. 下圖所示之三相交流電壓控制器,Y 接電阻性負載,下列哪些選項正確?
(A)SCR 每隔 120°導通一次(B)輸出電 壓正、負半週對稱(C)負載電流無偶次諧波(D)當激發延遲角 α≧150°時,輸出電壓為零。
申論題 (0)
相關試卷
114年 - 11600 電力電子 乙級 工作項目 09:裝備測試與檢修 1-43(2025/12/12 更新)#134852
114年 · #134852
114年 - 11600 電力電子 乙級 工作項目 08:電力電子系統與應用 101-164(2025/12/12 更新)#134851
114年 · #134851
114年 - 11600 電力電子 乙級 工作項目 08:電力電子系統與應用 51-100(2025/12/12 更新)#134850
114年 · #134850
114年 - 11600 電力電子 乙級 工作項目 08:電力電子系統與應用 1-50(2025/12/12 更新)#134849
114年 · #134849
114年 - 11600 電力電子 乙級 工作項目 07:程式設計與微電腦應用 1-31(2025/12/12 更新)#134848
114年 · #134848
114年 - 11600 電力電子 乙級 工作項目 06:邏輯與數位系統 1-61(2025/12/12 更新)#134847
114年 · #134847
114年 - 11600 電力電子 乙級 工作項目 05:電子學 51-85(2025/12/12 更新)#134846
114年 · #134846
114年 - 11600 電力電子 乙級 工作項目 05:電子學 1-50(2025/12/12 更新)#134845
114年 · #134845
114年 - 11600 電力電子 乙級 工作項目 04:電工學 51-117(2025/12/12 更新)#134843
114年 · #134843
114年 - 11600 電力電子 乙級 工作項目 04:電工學 1-50(2025/12/12 更新)#134842
114年 · #134842