所屬科目:電路學
⑴試求 a–b 端點間之戴維寧等效電路。
⑵利用⑴小題的結果,試問在 a–b 端點間植入多大電阻才能吸收最大功率?
⑶求⑵小題之最大功率。
二、如圖二所示,若= 10[u(t) – u(t – 1)] A,且 i(0) = 0 A,試以微分方程方法求解 i(其中 u(t)為單位步級函數)。
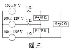
三、如圖三所示之三相電路,求三相線電流相量。其中三相電壓源大小為均方根值。
⑴網路函數 H(s)=V2(s)/V1(s)。
⑵波幅響應|H(jω)|。
⑶截止頻率(rad/s)。
五、如圖五所示,若 i(0) = 0 A,v(0) = 4 V,且兩電感器之互感量為 2 H,試以微分方程方法求 t > 0 的 i。