所屬科目:統測◆01機械群◆(一)機件原理、機械力學
8. 一組四級相等塔輪皮帶傳動系統,最低之輸出轉速 N1 為 100 rpm 且各級輸出轉速呈現 等比級數,若第三級輸出轉速 N3為 400 rpm,求主動輪轉速約為多少 rpm? (註:≒1.41, ≒1.73 ) (A) 141 (B) 173 (C) 282 (D) 346
14. 一複式輪系如圖 ( 一 ) 所示,A 輪為 100 齒,B 輪 60 齒,C 輪 120 齒,若 A、B 軸中心距 與 C、D 軸中心距相等,各齒輪模數也相同,則下列何者為 A 輪轉速對 D 輪轉速之比值? (A) 0.2 (B) 0.5 (C) 2.0 (D) 5.0
15. 如圖(二)所示一複式周轉輪系,A 輪軸心固定,A、B、C 三輪之齒數分別為 100齒、80齒 與 120 齒,A 輪順時針 6 rpm,旋臂 m 逆時針 2 rpm,若要 D 輪順時針 22 rpm旋轉,則 D輪 齒數為何? (A) 20齒 (B) 30齒 (C) 50齒 (D) 90齒
16. 如圖(三)所示之單塊制動器,圖中 b 長度為 a 的 4 倍,鼓輪之扭矩為 20 N - m,鼓輪直徑 40 cm 作順時針旋轉,摩擦係數為 0.2,若施力端最小制動力 P = 125 N 可完成煞車,則 b 的長度為多少 cm? (A) 20 (B) 40 (C) 80 (D) 100
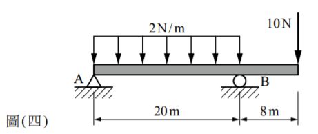
22. 有一外伸樑受力如圖(四)所示,求支承點 B 的反力為多少 N? (A) 16 (B) 34 (C) 40 (D) 50
23. 如圖 ( 五 ) 所示,有一扳手轉動螺帽,分別承受 A、B、C、D 四個大小相同而方向不同的 施力,試問哪個力最容易轉動螺帽? (A) A (B) B (C) C (D) D
24. 如圖(六)所示,B 點吊一物重為 60N,試問繩索 AB 的張力為多少 N? (A) 10 (B) 10 (C) 30 (D) 30
25. 如圖 ( 七 ) 所示,一均勻圓盤上受同方向的二質點力 W1及 W2垂直作用於 xy 平面,其力 大小與座標分別為 10N(4,6)及 30N(8,–4),現有另一同方向的質點力 W3,其大小為 20N, 欲使圓盤於圓心( 0 ,0 )位置達到力矩平衡,則 W3應作用於何處(xy座標)? (A) (14 , 3 ) (B) ( –3 , 14 ) (C) (–14 , 3 ) (D) ( –14 , –3 )
26. 如圖 ( 八 ) 所示,有一梯子重 100 N,靠在光滑的牆壁,梯腳與地面的靜摩擦係數為 0.1, 欲移動梯子向右滑動,求 P 力的最小值為多少 N? (A) 30 (B) 40 (C) 50 (D) 60
27. 如圖(九)所示,有一均勻物體重 100N,地面的靜摩擦係數為 0.2,若水平力 P 為使該物體 移動的最小力,試問施力點的最大高度 h 為多少 cm,才不至於使物體傾倒? (A) 15 (B) 20 (C) 25 (D) 30
29. 一列火車從南港站行駛到松山站的速度 v 與時間 t 關係如圖 ( 十 ) 所示,試求出兩站間的 距離為多少 m? (A) 2800 (B) 2900 (C) 3000 (D) 3100
31. 如圖 ( 十一 ) 所示,有一鐵箱質量為 100 kg,鐵箱與地面間之動摩擦係數 μd = 0.25 ,當 水平作用力 P=600N,則鐵箱的加速度為多少 m/s 2?(假設重力加速度為 10m/s 2 ) (A) 2.5 (B) 3.5 (C) 4.5 (D) 5.5
32. 等速旋轉且角速度為 的軸上附加一個質量 m,其旋轉半徑為 r,則對該質量的敘述何者 正確? (A) 切線速度為 (B) 向心加速度為(C) 切線加速度為 (D) 向心力為
33. 若作用力 F 與位移 S 的夾角為 θ ,則下列敘述何者正確? (A) θ =180° 時,則功 (B) θ =180° 時,則作用力與位移的方向互相垂直 (C) θ = 90° 時,則功 (D) θ = 0° 時,則作用力與位移的方向相反
36. 有一鋼桿承受軸向力情況如圖 ( 十二 ) 所示,其中 AB 段的截面積為 500 mm 2,BC 段的 截面積為 600 mm 2,設鋼的彈性係數為 200 GPa,則此桿的總變形量為多少 mm?( 伸長為 正值、縮短為負值) (A) 1.2 (B) 1.6 (C) –1.2 (D) –1.6
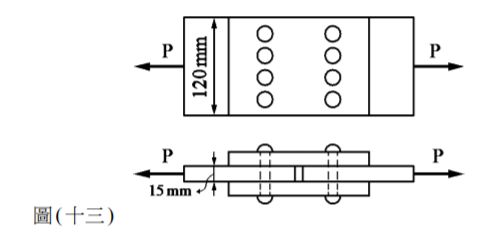
37. 使用 8 個鉚釘,以雙蓋板對接方式進行鉚接如圖(十三)所示,若 P=6280N,且鉚釘直徑 為 10mm,則每根鉚釘所承受的剪應力為多少 MPa?(註: π ≒3.14 ) (A) 5 (B) 10 (C) 20 (D) 40
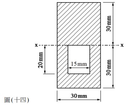
38. 如圖(十四)所示的組合面積,該面積對水平軸 x 的慣性矩為多少 cm 4? (A) 50 (B) 53 (C) 54 (D) 60
39. 一外伸樑承受集中力與均佈負載如圖 ( 十五 ) 所示,若不計樑本身重量,則下列何者為 正確的剪力圖? (A) (B) (C) (D)