所屬科目:統測◆01機械群◆(一)機件原理、機械力學
13. 如圖 ( 一 ) 之輪系,齒輪 A、B、C 及 D 之齒數分別為 30 齒、60 齒、20 齒及 40 齒,若 主動輪 A 轉速 100 rpm 順時針方向迴轉,則此輪系之輪系值 e 為多少及 D 輪之轉速 ND 為 多少rpm? (A) e=– 0.25;ND =25逆時針 圖 ( 一 ) (B) e= + 0.25;ND =25順時針 (C) e = – 4; ND = 400 逆時針 (D) e = + 4; ND = 400順時針
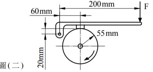
15. 一塊狀制動器尺寸如圖 ( 二 ) 所示,若輪鼓順時針旋轉,轉速 1200 rpm,傳送功率 P 為 1 kW,制動器摩擦係數 μ 為0.25,求其施力F最少須為多少N? (A) 150 / π (B) 250 / π (C) 500 / π (D) 650 / π
19. 一滑車組如圖(三)所示,求其機械利益M為多少? (A) 3 (B) 4 (C) 5 (D) 6
22. 如圖(四)所示的組合樑,BD為繩索,在平衡狀態下,試求C 支承的負荷為多少N? (A) 80 (B) 90 (C) 100 (D) 110
23. 一力 F 作用於一剛體三角形零件上,此零件與一錐形面緊密貼合,如圖 ( 五 ) 所示。如果 將此作用力F=260N分解成兩個分量,一分量Fp與AB線方向平行,另一分量Fv與AB線 方向垂直,則下列敘述何者為正確?(A) Fp=240N (B) Fv=240N (C) Fp=120N (D) Fv=120N
24. 如圖 ( 六 ) 所示,堆高機的重量為 W,負載貨物的重量為 F。已知堆高機重心與負載貨物 重心各距離前輪B點為1.5m與1m,而當W=15000N,在保持所有輪胎均貼地的狀況下, 該堆高機所能起重負載貨物的最大重量F為多少N? (A) 10000 (B) 15000 (C) 22500 (D) 32500
25. 如圖 ( 七 ) 所示的組合空心截面,其截面尺寸參數為: H、R、V、W, x - y 座標系原點如 圖示O 點,令此截面的形心位置座標為( ),其中 =0,則下列 的表示式何者正確? (A)(B) (C) (D)
26. 如圖(八)所示,所有接觸面的靜摩擦係數為0.25,而動摩擦係數為0.2。物體C 重1000N, 且用水平繩索AB 固定;物體D 重1500N。試求欲移動物體D 所需的最小水平作用力P 為 多少N? (A) 825 (B) 875 (C) 925 (D) 975
27. 如圖(九)所示的均質梯子AB長度為3m,其質量為10kg,斜靠一光滑垂直牆上。如果一位 質量為45 kg的人由A端緩慢地往上爬,為了確保此人爬至梯子頂端B點仍不使梯子滑動, 則梯子與地面間的靜摩擦係數至少應為多少?[ cos(60°)=0.5,sin( 60°)=0.866] (A) 0.225 (B) 0.325 (C) 0.425 (D) 0.525
31. 兩個物體質量皆為 M,連結在定滑輪繩子的兩端,如圖 ( 十 ) 所示。如果不考慮摩擦力與 繩子質量,請問該繩子的張力為多少?( g:重力加速度) (A) (Mg/ 2 )sin θ (B) (Mg/ 2 )( 1+sinθ ) (C) (Mg/ 2 ) cos θ (D) (Mg/ 2 )(1+cos θ )
32. 有一水平圓弧彎道半徑為50m,其地面是水平的,地面摩擦係數為0.4,欲使汽車以等速度V 行駛於此彎道而不致側滑,請問此時的最大速度V為多少m/s?(g=10m/s 2, =1.414) (A) 1.414 (B) 7.07 (C) 14.14 (D) 28.28
34. 有一人從高度為10m且夾角為30 °的斜坡滑水道下滑至地平面滑水道,如圖(十一)所示。 在斜坡下滑過程中會有能量損失,其機械效率為 0.9;當此人進入地平面滑水道滑行時, 其表面動摩擦係數為 0.1。為了避免讓人滑出水道,則地平面滑水道長度 S 至少要設計為 多少m? (A) 30 (B) 60 (C) 90 (D) 120
36. 如圖(十二)所示為低碳鋼拉伸試驗所得的應力-應變圖,下列有關該圖的敘述,何者正確? (A) A點為應力與應變成比例的最大值,A點稱為彈性限度,OA區域稱為彈性區 (B) C點應力為降伏應力,CD區域為完全塑性區 (C) E點為應力最大值,稱為破壞應力或破壞強度,EF區域為應變硬化區 (D) 夾角 θ 符合虎克定律,其值稱為彈性係數
37. 以衝床衝切如圖 ( 十三 ) 所示的板面元件,已知板料厚度為 2 mm,而板料的抗剪強度為 200MPa。如果想要順利完成衝切,則衝頭至少應施加多少kN的力?( π =3.14 ) (A) 92.8 (B) 185.6 (C) 371.2 (D) 556.8
38. 如圖(十四)所示的組合空心截面,試求該截面對x-y座標系原點O的極慣性矩為多少cm4? ( π =3.14 ) (A) 163.72 (B) 327.44 (C) 654.88 (D) 680
39. 如圖 ( 十五 ) 所示的外伸樑,如果不計樑本身重量,則外伸樑 D 點的彎曲力矩為多少 kN - m? (A) 38 (B) 50 (C) 68 (D) 76