所屬科目:電路學
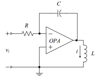
一、如下圖所示之理想運算放大器電路,若 R、L、C 均為公制單位且 C、L 均無初始儲能。試以電感器電流 i 為變數求出當時間 t > 0 s 時,以輸入 電壓 vi與 R、L、C 等電路元件參數所表示之電路微分方程式。(15 分)
三、試用節點分析法(nodal analysis)列出下圖電路之相關方程式,並求解 圖中之電壓相量 Vo。(15 分)
四、如下圖所示之電路,試採用拉普拉斯轉換(Laplace transform)求解該電 路 i2(t)之脈衝響應(impulse response)。(15 分)
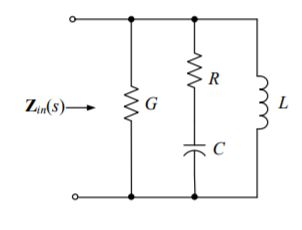
五、試求下圖所示電路元件為參數之共振頻率表示式。若 R = 0.1 Ω,L = 20 mH, C = 9 µF,G = 1 S,試推算以 rad/s 為單位之共振頻率以及該共振頻率下之輸入阻抗值。(15 分)
六、如下圖所示之理想運算放大器電路在角頻率為 1000 rad/s 之條件下工 作,試求該電路以雙埠網路所表示之導納參數(admittance parameters) 或 y 參數。(15 分)