所屬科目:初等/五等/佐級◆基本電學大意
2 某導體長度為1000 m、截面積為5 cm2 、且電導值為20姆歐,則其電阻係數為多少 Ω.m? (A) (B) (C) (D)
3 如圖所示,已知 I2 =2 A,則 R3電阻值為何? (A)5 Ω (B)10 Ω (C)20 Ω (D)30 Ω
5 如圖所示電路,則 a, b 兩點間量得之電導值為多少姆歐? (A)0.10 (B)0.25 (C)0.4 (D)0.75
7 如圖所示,流經5歐姆(Ω)電阻之電流為多少安培? (A)1 (B)2 (C)3 (D)5
8 如圖所示之電路,若流過6歐姆(Ω)電阻的電流為1安培,則流過1歐姆電阻的電流為何? (A)2安培 (B)4安培 (C)6安培 (D)8安培
11 如圖所示之電路,試求之值為何? (A)-48 V (B)48 V (C)-96 V (D)96 V
12 如圖所示之電路,利用重疊定理求流經6 Ω 之電流 I 之值約為何? (A)6 A (B)6.67 A (C)4 A (D)4.67 A
13 如圖所示的電路,流經900 Ω 電阻()的電流值為何? (A)12 mA (B)15 mA (C)18 mA (D)21 mA
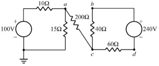
14 如圖所示之電路,定電流源 I1為10安培(A) ,I2為12安培,I3為5安培,若將端點 a 與端點 b 之間以短 路的方式連接,則的電流值為何? (A)0 A (B)7 A (C)17 A (D)27 A
15 如圖所示之三端點電阻電路,若將左圖的 Y 形電路轉換成右圖的電路,則為多少歐姆(Ω)? (A)36 Ω (B)54 Ω (C)68 Ω (D)72 Ω
16 如圖所示之多迴路電路,若利用迴路電流法進行電路分析,下列敘述何者正確? (A) I1= 10 mA (B) I1= 5 mA (C) I2= 5 mA (D) I3= 5 mA
17 如圖所示之電阻電路,若將左圖電路轉換成右圖的等效電路,下列敘述何者正確? (A) (B) (C) (D)
18 若將三個相同的燈泡並接到電池後的總消耗功率設為 P1,串接到同一電池後的總消耗的功率設為 P2, 則 P1/P2為何? (A)3 (B) (C)9 (D)
19 如圖所示之電阻電路,如果 R = 6 Ω,則等效電阻 Rx 應為多少歐姆? (A)2 (B)4 (C)6 (D)8
20 若圖中9 Ω 電阻兩端 a-b 點間之戴維寧等效電壓為18伏特,且流過9 Ω 電阻之電流為1安培,則電阻 R 為何? (A)3 Ω (B)5 Ω (C)7 Ω (D)9 Ω
22 如圖所示,一長度為10公分之導線以2公尺/秒的速度向上穿過磁通密度為0.5韋伯/公尺的均勻磁場, 此導體兩端的感應電動勢最接近多少伏特? (A)0 (B)0.01 (C)0.1 (D)10
23 如圖所示之電路,V(0) = 10 V,求所有 t > 0之 V(t)值為何? (A) (B) (C) (D)
25 有一電容器上標示有2G 331K 等字樣,這是關於電容器的電容量、誤差和耐壓的標示,K 代表此電容 器的誤差值為何? (A)1% (B)5% (C)10% (D)20%
27 如圖所示電感電路,若 L1=6亨利(H) 、L2=6亨利、M=1亨利,則總電感量為多少亨利? (A)7 (B)8 (C)10 (D)11
29 如圖所示之 RL 電路,在時間 t=0時 SW 閉合,求流經電阻之電流表示式 i(t)等於多少安培(A)? (A) (B) (C) (D)
33 圖示電壓波形之有效值及平均值為何? (A)7.07 V,2 V (B)10 V,2 V (C)2 V,10 V (D)2 V,2 V
34 以直角座標(Rectangular form)表示,求約為何? (A)6.08+j 11.17 (B)8.29+j 11.17 (C)8.29+j 7.23 (D)6.08+j 8.83
35 如圖所示之並聯 RLC 電路,已知在 t < 0時所有電抗元件的初值能量均為零,其中 Is = 24 mA,R = 400 Ω, L = 25 mH,C = 25 μF;當開關(SW)在 t = 0時閉合。求當 t = 0時,並聯電壓 v(0)為何? (A)0 V (B)4.8 V (C)9.6 V (D)∞ V
36 如圖所示之 RLC 串聯電路,當 ω = 0時,電阻上的電壓為多少伏特? (A)0 (B)∞ (C) Vs (D) Vs/2
37 如圖所示之 RL 低通濾波器,若 L = 0.5 H,R = 1 kΩ;求-3 dB 截止頻率 fc 約為何? (A)2 kHz (B)318 Hz (C)200 Hz (D)31.8 Hz
39 有一週期性電壓波,示波器上顯示其波形如圖所示,此電壓波之直流電壓(DC voltage)為何? (A)3 V (B)2 V (C)1 V (D)0 V