所屬科目:技檢◆汽車修護-甲級
8. SRS 裝置中位於方向盤上的螺旋電線(Clock spring,或稱鐘形彈簧電線),在安裝時須先使記號對正 (如圖所示),此時車輪正位於(A)任意位置(B)方向盤打到底時(C)作 30°轉彎時(D)正前方向時。
21. 測試功能正常的起動馬達如圖所示,當開關 ON 時、是(A)電磁開關吸入線圈作動將起動馬達小齒輪 推出(B)起動馬達電樞運轉(C)電磁開關吸入線圈及吸住線圈作動將起動馬達小齒輪拉回(D)電磁開關 吸住線圈作動將起動馬達小齒輪推出。
38. 如圖所示為邏輯電路之一種,下列敘述何者有誤?(A)輸入端的信號 A 為 0,B 為 0,則輸出端 X 為 0(B)輸入端的信號 A 為 1,B 為 1,則輸出端 X 為 0(C)輸入端的信號 A 為 0,B 為 1,則輸出端 X 為 1(D)輸入端的信號 A 為 1,B 為 0,則輸出端 X 為 0。
39. 如圖所示為 4 前進檔自動變速箱,若直接離合器與後離合器 ON,OD 制動帶未作用,第二制動帶 作用束緊,則輸出軸在下列何種狀態?(A)倒車(B)前進直接傳動(C)前進減速(D)前進超速傳動。
61. 如圖所示使用三用電錶檢測 A、B、C 接頭之 1 與 2 電路,所測得 A1=5V、B1=5V、C1=0V 時,下 列敘述何者錯誤?(A)A1-B1 斷路(B)B2-A2 短路(C)B1-C1 斷路(D)C1-C2 搭鐵。
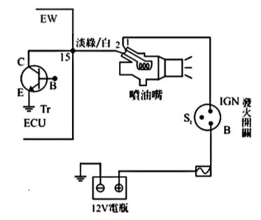
62. 如圖所示汽油噴射引擎之噴油嘴電路控制圖,下列敘述何者錯誤?(A)拆開 ECU 第 15 號接腳,發火 開關 ON,量測線束側之淡綠/白線與搭鐵間電壓值 V≒12V(B)將噴油嘴 1、2 號接腳拆下,量測 1、 2 號接腳間電阻 R1-2 應接近∞Ω(C)矽功率電晶體 Tr 之 VBE>0.7V 時,Tr 之 CE 被切斷,噴油嘴停 止噴油(D)ECU 內的功率電晶體 Tr 導通時,噴油嘴便關閉,停止噴油。
64. 如圖所示檢修起動馬達,以電壓錶進行測量,參閱手冊敘述如下:「Sum of positive and negative cable voltage drops must equal or less than 1.0 volt」,則下列何者正確?(A)正負極線總電壓降要等 於或低於 1V(B)測量正極線的兩端電壓值為起動電壓降(C)測量負極線的兩端可測得負極線電壓降(D) 正負極線總起動電壓降要低於 1V。
65. 如圖所示係脈波控制式線性驅動作動器驅動回路,有關引擎 ECU 端(如圖所示之量測位置)的驅動信 號電壓特性圖,下列何者錯誤? (A) (B) (C) (D) 。
67. 如圖所示某感知器之電路狀況有斷路現象,下列敘述何者正確?(A)拆開感知器端接頭 C,以歐姆錶 測量感知器側接頭二端子間,電阻值為無限大(B)電腦接收迴路訊號電壓值為 5V(C)拆除線束接頭 B, 以電壓錶測量 B 接頭電腦側兩端子間電壓約為 5V(D)電腦無法接收感知器正確作動訊號。
複選題70. 如圖所示為具防盜功能之起動線路且電瓶電壓為 12 V,當開關在 OFF 段時,使用歐姆錶測量各接 點,下列敘述何者正確?
(A)R3 為∞Ω 可能為磁場線圈短路(B)R2 為吸入線圈電阻(C)R3 為電樞線圈 電阻(D)R1 為吸住線圈電阻。
71. 如圖所示 L1 為 10cm、L2 為 30cm 當施以 10kgf 之作用力時,不同單位下扭力扳手之讀取數值應為 (A)2940 N-cm(B)306 N-m(C)260.4 lb-in(D)300 kg-cm。
74. 一多點噴射汽油引擎怠速運轉不穩,但當轉速增加時則運轉平穩,進行檢修之排放氣體檢測數據如 圖所示,下列何者為較不可能之故障原因?(A)A secondary ignition wire shorted to ground(B)A parti ally clogged fuel injector(C)An EGR valve pintle that does not fully close(D)A leaking intake manifol d gasket。
75. 如圖所示汽油噴射引擎之怠速控制電路,電瓶電壓 12V,引擎運轉中使用電壓錶進行量測,若系統 作用正常且怠速控制閥正在作動,下列敘述何者正確?(A)量測 4 號端子與 6 號端子之間電壓值趨近 於 12V(B)量測 6 號端子與搭鐵之間電壓值趨近於 12V(C)量測 3 號端子與搭鐵之間電壓值趨近於 12V (D)量測 5 號端子與搭鐵之間電壓值趨近於 0V。
76. 如圖所示新式車輛配備有第二代隨車診斷系統(OBDⅡ ),系統中裝設有空燃比(A/F)感知器及後含氧 (H2OS)感知器,兩者混合比與電壓、電流變化曲線如圖 a、b,則下列敘述何者正確?(A)圖 a 為含 氧感知器曲線,當混合比稀時電壓高,混合比濃時電壓低(B)圖 b 為空燃比(A/F)感知器曲線,當混 合比由稀到濃時電流由低變高(C)空燃比(A/F)感知器在閉迴路控制狀態時,感測混合比範圍較寬也 較精確(D)含氧感知器在閉迴路控制狀態,控制混合比到化學當量(stoichiomet ric )λ 為 1 時的感測範 圍而言,可控制範圍較窄。
79. 如圖所示為某變速箱扭力轉換器性能曲線圖,引擎轉速在 2400rpm 時,輸出扭力是 8 kg-m,變速 箱輸入軸轉速為 2160rpm,下列敘述何者正確?(A)轉速比為 0.8(B)變速箱扭力轉換器傳動效率約為 7 5﹪(C)變速箱輸入軸之扭力值為 8kg-m(D)扭力比為 1。
80. 如圖所示,係一同時出現排氣冒黑煙與怠速不穩故障現象之車輛,於熱車後之診斷數據資料,下列 何者不是其可能造成故障之原因?(A)engine coolant temperature sensor(B)intake manifold temperatur e sensor(C)boost pressure sensor(D)barometric pressure sensor。