所屬科目:技檢◆汽車修護-甲級
(A)共基極形態 (B)共射極形態 (C)共集極形態 (D)射極耦合器形態 。
(A)反相放大電路 (B)正相放大電路 (C)訊差放大電路 (D)積分運算電路 。
(A)輸入端的信號 A 為0,B 為 0,則輸出端 X 為 0 (B)輸入端的信號 A 為 1,B 為 0,則輸出端X 為 0 (C)輸入端的信號 A 為 1,B 為 1,則輸出端 X 為 0 (D)輸入端的信號 A 為 0,B 為 1,則輸出端 X 為 1 。
(A)二極體可用於整流電路,但不可用於檢波電路 (B)發光二極體簡稱為 L.E.D.,其發光顏色為紅色 (C)稽納二極體,因有定壓功用,又稱為定壓二極體 (D)發光二極體的符號為。
(A)15.5V (B)25.5V (C)35.5V(D)45.5V 。
(A)起動馬達電樞運轉 (B)電磁開關吸入線圈作動將起動馬達小齒輪推出 (C)電磁開關吸住線圈作動將起動馬達小齒輪推出 (D)電磁開關吸入線圈及吸住線圈作動將起動馬達小齒輪拉回 。
(A)起動馬達電樞 (B)電磁開關吸入線圈 (C)電磁開關吸住線圈 (D)電磁開關接點 。
(A)電瓶正極端電壓與發電機 L 接頭電壓趨近於相等 (B)發電機 L 接頭電壓大於電瓶正極端 12V (C)電瓶正極端電壓大於發電機 L 接頭電壓 12V (D)發電機 L 接頭電壓會隨引擎轉速上升大於電瓶正極端 12V 。
(A)12V (B)6V (C)∞ (D)0.5V 。
(A)發電機損壞 (B)電瓶損壞 (C)電瓶正極線老化 (D)電壓錶損壞 。
(A)磁通量達到最大,輸出電壓達到最大 (B)磁通量變化率為零,輸出電壓為零 (C)磁通量為零,輸出電壓達到最大 (D)磁通量變化率為最大,輸出電壓為零 。
(A)風扇繼電器係常閉式(Normal closed) (B)在引擎低溫時,溫度開關(Thermostaticswitch)閉合形成風扇繼電器線圈搭鐵通路 (C)系統正常且供電中,拆開溫度開關(Thermostatic switch)接頭風扇應即刻運轉 (D)溫度開關(Thermostatic switch)故障時風扇即無法運轉 。
(A)當安全感知器與後氣囊感知器都導通時就可以觸發側氣簾 (B)當前座椅側氣囊組引爆後側氣簾也會作動 (C)當安全感知器導通且前座椅側氣囊組引爆後側氣簾才會作動 (D)只要安全感知器與後氣囊感知器任一項作動側氣簾就會作動 。
(A)安全開關 (B)安全感知器 (C)主感知器 (D)15A 保險絲 。
(A)鼓風機位於Lo 段,低壓約 0.2MPa,高壓約 0.75MPa 係屬正常 (B)鼓風機位於 Hi段,低壓約 0.4MPa,高壓約 1.75MPa 係屬正常 (C)鼓風機位於 Lo 段,低壓約 0.35MPa,高壓約 2.0MPa 係屬正常 (D)鼓風機位於 Hi 段,低壓約0.25MPa,高壓約 1.25MPa 係屬正常 。
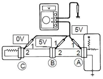
(A)C1-C2 搭鐵 (B)B1-C1 斷路 (C)A1-B1 斷路 (D)B2-A2 短路 。
(A)更換感知器(B)更換 B 接頭至 C 接頭間之線束 (C)更換控制電腦 (D)另外接搭鐵線使搭鐵正常 。
(A)A2 至搭鐵間導通 (B)A1 至搭鐵間導通 (C)A1 至搭鐵間電阻值無限大 (D)A2 至搭鐵間電阻值無限大 。
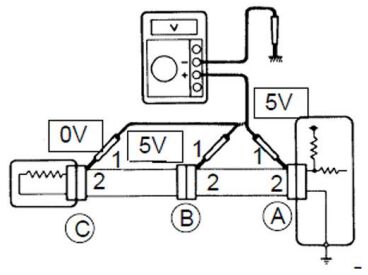
(A)電腦無法接收感知器正確作動訊號 (B)電腦接收迴路訊號電壓值為 5V (C)拆除線束接頭 B,以電壓錶測量 B 接頭電腦側兩端子間電壓約為 5V (D)拆開感知器端接頭 C,以歐姆錶測量感知器側接頭二端子間,電阻值為無限大 。
(A)更換感知器 (B)更換接頭 B 到接頭 C 之間線束 (C)更換接頭 A 到接頭 B 之間線束 (D)更換控制電腦 。
(A)VTA 在關閉時電壓值為 1V (B)VTA2 在全開時電壓值為 5V (C)VTA2 在全關時電壓值約為 1V (D)VTA 在全開時電壓值為 1V 。
(A)VTA2在開度超過 2/3 時電壓維持穩定 3~5V (B)VTA 在開度 1/2 時有斷路現象(C)VTA 在開度 1/2 時有短路現象 (D)VTA2 在開度超過 2/3 時電壓維持穩定 5V 。
(A)在 OFF 時 3-4 導通 (B)在 INT 時 3-4-5-6 導通 (C)在 HI 時 2-6 導通 (D)在 LO 時 3-5 導通 。
(A)在各段作用時第 6 腳為共同電源 (B)在INT 時 3-4,5-6 導通且以第 4,6 為搭鐵 (C)1-6 接腳在 WASH 時不導通(D)在 OFF 時 3-4 導通保持回位功能 。
(A)A 為電壓錶可進行導通性檢查 (B)B 為電壓錶可進行電壓檢查 (C)C 為歐姆錶可進行線路導通性檢查 (D)D 為歐姆錶可進行線路導通性檢查 。
(A)A 為電壓錶可測得 12V (B)B 為電壓錶可測得 0V (C)C 為電壓錶可測得 12V (D)D 為歐姆錶可測得∞Ω 。