所屬科目:技檢◆汽車修護-甲級
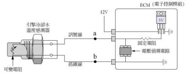
(A)當感知器搭鐵線斷路時,V1 及 V2電壓約為 5V (B)當感知器電源線斷路時,V1 及 V2 電壓約為 5V (C)當信號線被搭鐵短路時,V1 電壓約為 0V,V2 電壓約為 0V (D)隨著轉子旋轉速度變快,V1 及 V2 電壓之通電百分比(duty cycle ratio)變大 。
(A)噴油量約 20ms 時,噴射正時 ATDC 5 度較 BTDC 5 度時產生之 HC 多 (B)噴射正時在上死點之後,HC 含量會昇高 (C)在噴射正時-15度的情況下,噴油量越多,HC 排放量越高 (D)在噴油量 30ms 的情況下,噴射正時提前較多,可以減少 HC 排放量 。
(A)感測元件輸入電腦之訊號電壓過高時表示電路斷路 (B)感測元件輸入電腦之訊號電壓過低時表示電路短路 (C)搭鐵不良不會產生故障碼 (D)採用感測電流導通量方式偵測 。
(A)參考電壓太高 (B)回路接地不良 (C)MAF sensor 損壞 (D)回路正常 。