阿摩線上測驗
登入
首頁
>
技檢◆汽車修護-甲級
> 114年 - 02000 汽車修護 甲級 工作項目 03:汽車電系 101-148(2025/10/15 更新)#132166
114年 - 02000 汽車修護 甲級 工作項目 03:汽車電系 101-148(2025/10/15 更新)#132166
科目:
技檢◆汽車修護-甲級 |
年份:
114年 |
選擇題數:
48 |
申論題數:
0
試卷資訊
所屬科目:
技檢◆汽車修護-甲級
選擇題 (48)
複選題
101. 如圖所示利用多功能數位電錶進行線路檢查,並分別以 A、B、C、D 四種數位電錶測量,下列敘述何者錯誤?
(A)A 為電壓錶測得 12V 表示保險絲盒到開關 1 之間斷路 (B)B 為電壓錶測得 12V 時表示開關 1 按下時能導通 (C)C 為歐姆錶測得∞Ω,表示保險絲盒到開關 1 之間斷路 (D)D 為歐姆錶可測得∞Ω,表示開關 1 到繼電器間線路無斷路 。
複選題
102. 如圖所示利用多功能數位電錶進行線路檢查,其結果下列敘述何者正確?
(A)開關之電壓值為 0.1V,是開關之電壓降,仍屬正常值 (B)電瓶到開關之間導線導通正常 (C)燈泡與開關之間之阻抗過高,所以有電壓降4V (D)燈泡之搭鐵線不良,所以電壓降為 0V 。
複選題
103. 如圖所示拆除保險絲後,利用多功能數位電錶進行線路檢查,其檢測方法與結果下列敘述何者正確?
(A)當開關 1 及 2 未按下,歐姆錶顯示為 0Ω,則 A 點有短路現象 (B)保險絲負載端到開關 1 為導通,當拆除繼電器、開關 1 按下,歐姆錶顯示為 0Ω,則 B 點有短路現象 (C)開關 1 未按下,電壓錶顯示為 0V,當開關 1 及 2 按下,電壓錶顯示為 12V,則 C 點有短路現象 (D)當開關 1 未按下,電壓錶顯示為 12V,則 A 點有短路現象 。
複選題
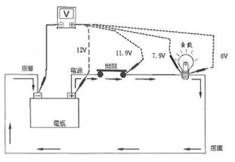
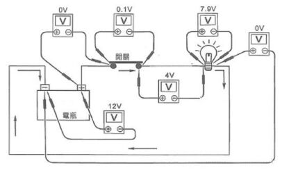
104. 如圖所示當車輛之燈泡燈光黯淡,以電壓錶逐步檢測其電路,檢測結果分別為 12V、11.9V、7.9V、0V,則有關故障之判斷下列何者正確?
(A)開關之電壓降為 0.1V 係屬正常 (B)開關負載端至燈泡電源端電壓降為7.9V,有部分斷路現象 (C)開關負載端至燈泡電源端電壓降為 4V,有電線阻抗過高情形 (D)負載搭鐵端到電瓶負極搭鐵為 0V,表示搭鐵不良 。
複選題
105. 如圖所示車輛之控制單元電路,開關透過端子 1 輸入電源訊號後,控制單元會透過端子 2 供應電源使燈點亮,有關此電路故障之判斷,下列何者正確? (A)保險絲端與開關電源端短路,會使保險絲燒斷 (B)開關輸出端與控制單元端子 1 間斷路,燈會亮起 (C)端子 2 至燈泡電源端短路或斷路,燈泡不作用 (D)燈泡搭鐵端與車身短路,保險絲燒斷燈泡不亮 。
複選題
106. 當被救援車電瓶無法起動引擎,需透過救援車電瓶進行救援跨接起動時,將救援車電瓶正極線接到被救援車電瓶正極線、救援車電瓶負極線接到與被救援車車身搭鐵處,則有關電瓶救援跨接起動之說明,下列何者正確?
(A)被救援車之負極線如接在電瓶負極樁頭上,會造成跨接處產生火花 (B)進行救援跨接起動接線後,救援車應先發動引擎並維持在2000rpm 左右,被救援車再操作起動 (C)救援車之負極線應接在車身搭鐵處,避免救援車電瓶過熱 (D)救援車之負極線接在被救援車車身搭鐵處,則被救援車起動時可避免因搭鐵不良引發之過高起動電壓降 。
複選題
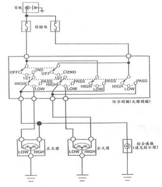
107. 如圖所示當開近光燈時,儀表板(遠光指示燈)一直亮,下列何者不是可能原因?
(A)遠光燈燈泡斷路 (B)近燈線路短路 (C)頭燈之搭鐵不良 (D)綜合開關 pass 位置故障 。
複選題
108. 如圖所示檢修起動馬達,以電壓錶進行測量,參閱手冊敘述如下:「Sum of positive and negative cable voltage drops must equal or lessthan 1.0 volt」,則下列何者正確?
(A)測量正極線的兩端電壓值為起動電壓降 (B)測量負極線的兩端可測得負極線電壓降 (C)正負極線總電壓降要等於或低於 1V (D)正負極線總起動電壓降要低於 1V 。
複選題
109. 如圖所示電路測量其負載電阻為 0.01Ω,兩端電壓降為 1V,下列敘述何者正確?
(A)負載前之電流應為 100A (B)負載後之電流經消耗掉後應為90A (C)電瓶兩端正負極電壓應為 10A (D)負載所承受的功率為 100W 。
複選題
110. 如圖所示之雨刷電路,下列敘述何者正確?
(A)繼電器#4 腳斷路時無靜位作用 (B)7.5A 保險絲燒斷後車身電腦將無法作用 (C)繼電器#4 腳斷路時雨刷高低速無法作用 (D)雨刷開關 19 及 20 端之可變電阻值來決定高低速 。
複選題
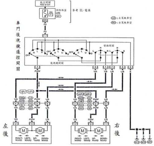
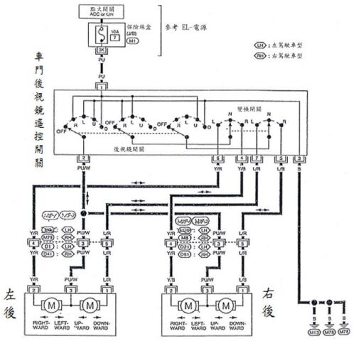
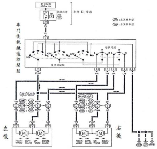
111. 如圖所示為電動後視鏡電路,下列敘述何者正確?
(A)後視鏡開關有關虛線部分是表示該開關非連動開關,僅自行作用 (B)每一組後視鏡有兩組馬達以便完成上下、左右、前後控制 (C)當左邊電動後視鏡 3#流向 1#腳時為向下作用 (D)後視鏡遙控開關 3#脫落時,會造成左右邊電動後視鏡無法作用 。
複選題
112. 如圖所示為電動後視鏡電路,下列敘述何者正確?
(A)當控制開關 2 號腳與 U 接點接觸不良時,無往上調整功能 (B)變換開關 7 號接腳接線線色為藍底紅線條 (C)當左邊電動後視鏡 3#流向 1#腳時為向上作用 (D)後視鏡遙控開關 3#搭鐵不良,會造成左右邊電動後視鏡作用不良 。
複選題
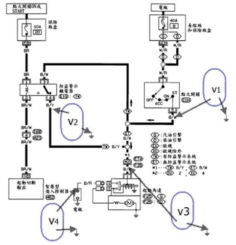
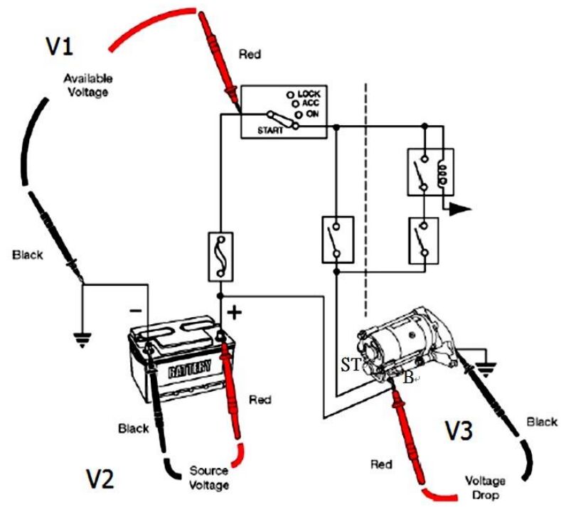
113. 如圖所示為具防盜功能之起動線路且電瓶電壓為 12V,當開關在 ST 段時,以電壓錶測量各接點,下列敘述何者正確?
(A)當防盜功能作用時,5 號接頭與搭鐵 V1=12V (B)當防盜功能作用時,繼電器 4 號接頭與搭鐵V2=12V (C)當防盜功能未作用時,起動馬達 ST 線頭與搭鐵 V3=電瓶起動電壓 (D)當防盜功能作用時,電瓶正端與搭鐵 V4=12V 。
複選題
114. 如圖所示為具防盜功能之起動線路且電瓶電壓為 12 V,當開關在 OFF 段時,使用歐姆錶測量各接點,下列敘述何者正確?
(A)R1 為吸住線圈電阻 (B)R2 為吸入線圈電阻 (C)R3 為電樞線圈電阻 (D)R3 為∞Ω可能為磁場線圈短路 。
複選題
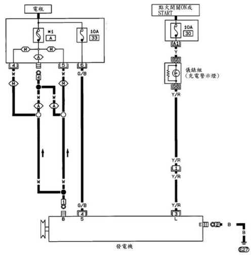
115. 如圖所示為充電系統線路圖,有關充電系統之作用敘述下列何者錯誤?
(A)L 線頭之線色為黃底紅色線 (B)發動後充電指示燈持續亮起表示電瓶電量不足 (C)當充電警示燈燒毀,引擎運轉時發電機依舊能發電 (D)S 端子充電電壓高於電瓶電壓時,將電流回充到電瓶 。
複選題
116. 如圖所示有關電動後視鏡之作用下列敘述何者錯誤?
(A)當遙控開關 1#與3#端子斷路時,所有電動後視鏡馬達無法作用 (B)操作左後電動後視鏡鏡面往上時,以電壓錶測量電動後視鏡 1#端子有 12V、3#端子為 0V 則一定是馬達斷路 (C)遙控開關之虛線表示為連動裝置 (D)以電壓錶測量左、右電動後視鏡之 3#端子,在往上與往左時有 12V 電壓 。
複選題
117. 如圖所示為起動馬達起動電壓波形分析,橫軸為 0.1s/div、縱軸為電壓值(V),則下列敘述何者正確?
(A)A 點為電瓶電壓 (B)B 點為起動時電壓值(C)A~C 為起動時間 (D)C~D 為發動後開始充電 。
複選題
118. 如圖所示起動馬達起動電壓波形分析,橫軸為 0.1s/div、縱軸為電壓值(V),解讀波形判斷故障,則下列敘述何者正確?
(A)電瓶電量不足必須更換 (B)搖轉(Cranking)時間太長 (C)C 點為引擎發動點 (D)起動後開始充電 。
複選題
119. 如圖所示為起動馬達起動電壓波形變化,橫軸為 0.1s/div、縱軸為電壓值(V),下列敘述何者正確?
(A)起動時間約為 0.75s (B)起動電壓值約為10.3V (C)發動後充電電壓維持約在 14V (D)起動電壓降約為 2.7V 。
複選題
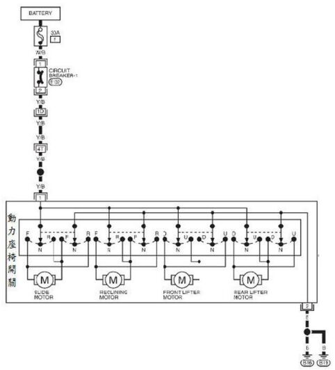
120. 如圖所示為電動座椅之電路圖,下列敘述何者正確?
(A)30A 保險絲燒斷,電動座椅無法作動 (B)回路斷電器的功能是電流太高避免過度負載 (C)搭鐵接頭如故障斷路則僅座椅前後移動功能正常作用 (D)測量 1 號接線有電源,操作椅背開關時如無法作用,則是開關或馬達損壞 。
複選題
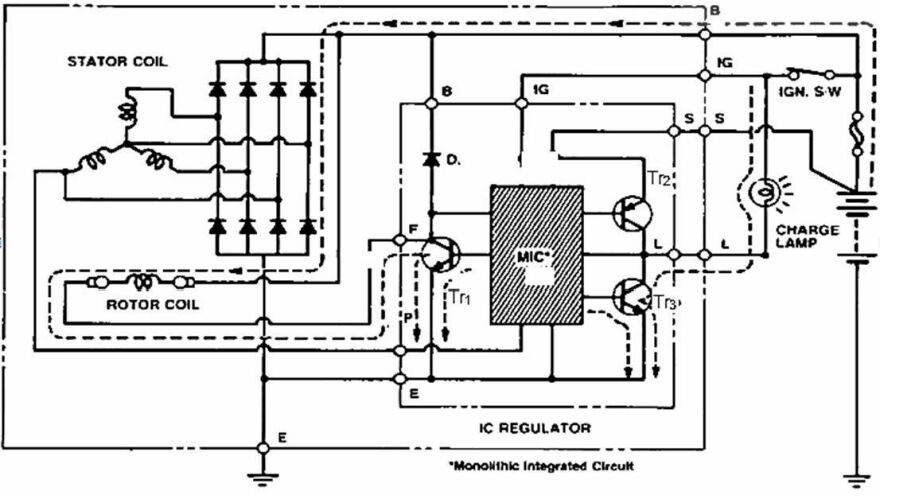
121. 如圖所示為一 IC 式充電系統電路。有關故障情形之敘述,下列何者錯誤?
(A)L 線頭斷路或脫落,則充電警示燈 OFF (B)充電警示燈燒毀時,將使充電電壓過低 (C)稽納二極體 ZD 故障,且充電警示燈正常,則會過度充電 (D)當 Tr1 與 Tr2 ON 時,磁場線圈無磁場產生,且發電機無輸出 。
複選題
122. 汽車跨接起動接線之操作包括下列步驟:a:「紅色跨接電纜線一端連接到被救援車電瓶(+)端」b:「紅色跨接電纜線一端連接到救援車電瓶(+)端」c:「黑色跨接電纜線一端連接到救援車電瓶(-)端」d:「黑色跨接電纜線一端連接到被救援車電瓶(-)端」e:「黑色跨接電纜線一端連接到被救援車遠離電瓶之車身搭鐵」何者為不安全的接線順序? (A)a→b→c→d (B)a→b→c→e (C)a→c→d→b (D)d→b→c→a 。
複選題
123. 有關起動馬達測試操作之敘述,下列何者正確 ﹖
(A)如圖(a)所示,先將電磁開關 M 端導線拆下,以接線將電瓶(+)端與 ST 端連接,再以接線將電瓶(-)端分別與 M 端及車身連接,進行吸入測試 (B)如圖(a)所示,測試操作下,在正常狀態時驅動小齒輪不會向外推出 (C)於圖(a)所示,測試操作下,將電磁開關 M 端與電瓶(-)端連接之接線分離,如圖(b)所示,進行吸住測試 (D)如圖(b)所示,測試操作下,在正常狀態時驅動小齒輪會向內退回 。
複選題
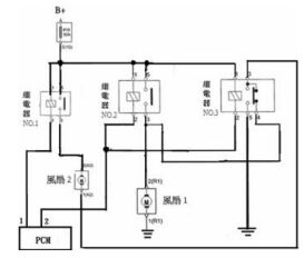
124. 如圖所示為車輛冷卻風扇系統線路,下列敘述何者正確?
(A)當 PCM 控制 1 號腳搭鐵時,此系統風扇低速運轉 (B)當 PCM 控制 2 號腳搭鐵時,此系統風扇高速運轉 (C)當任一風扇故障時,此系統低速風扇作用將不正常 (D)當繼電器 NO.2 線圈斷路時,此系統高速風扇作用將不正常 。
複選題
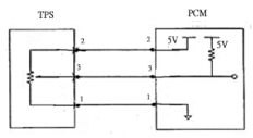
125. 如圖所示某一車輛 TPS 線路,下列敘述何者正確?
(A)當 TPS 接頭斷路時,故障項目會顯示 Throttle Position Sensor Circuit Voltage Low” (B)如拆開 TPS 接頭測量 PCM 端 3 號腳約為 5V (C)如車輛正常狀態下電錶測得的訊號電壓為 0~5 V (D)PCM 3 號腳內部之 5V 電壓為提供自診使用 。
複選題
126. 如圖所示,下列敘述何者正確?
(A)引擎運轉時,使用電錶Ω檔由燃油泵測試接頭,可以檢測燃油泵線圈導通性 (B)Key Off,可以使用電錶Ω檔由燃油泵測試接頭,測量燃油泵線圈線路導通性 (C)使用電壓錶檢測燃油泵測試接頭,可以判斷燃油泵繼電器功能是否正常 (D)由燃油泵測試接頭跨接電瓶正極,供電驅動燃油泵 。
複選題
127. 如圖所示,下列敘述何者錯誤?
(A)Key On,使用電錶Ω檔由燃油泵測試接頭,可以檢測燃油泵線圈導通性 (B)引擎運轉時,使用電壓錶檢測燃油泵測試接頭測得電瓶電壓,確認燃油泵繼電器功能正常 (C)引擎運轉時,使用電壓錶檢測燃油泵測試接頭測得電壓值為零,確認燃油泵繼電器故障 (D)由燃油泵測試接頭跨接電瓶負極,供電驅動燃油泵 。
複選題
128. 引擎運轉時儀錶顯示燈號,下列敘述何者正確? (A)機油壓力過低時,
燈亮 (B)電瓶損壞時,
燈亮 (C)噴射引擎發生故障產生污染時,
燈亮 (D)擎冷卻溫度異常時,
燈亮 。
複選題
129. 如圖所示為橋式整流電路,有關其輸出波型之敘述何者正確?
(A)可獲得交流電全波整流 (B)電容具有消除漣波之功用 (C)電阻愈大負載電壓愈穩定(D)電阻具有儲存電壓的能力 。
複選題
130. 如圖所示為正常車輛控制區域網路之線路圖,如使用三用電錶 R×1 檔位測量時,下列敘述何者正確?
(A)測量 a-b 點電阻值為 60Ω (B)測量 c-d 點電阻值為 60Ω (C)測量 c-d 點電阻值為 120Ω時,有可能 a-b 端電阻短路(D)測量 a-b 點電阻值為 120Ω時,有可能 c-d 端電阻斷路 。
複選題
131. 如圖所示為發電機橋式整流電路,有關示波器所顯示的波型,下列選項何者錯誤?
(A)
(B)
(C)
(D)
。
複選題
132. 有關齊納二極體(Zener Diode)之功用,下列敘述何者正確? (A)具有功率放大作用 (B)使用於截波電路 (C)使用於過載電壓保護電路 (D)使用於穩壓電路 。
複選題
133. 有關交流發電機靜子線圈從 Y 型改成△型的原因,下列敘述何者正確?(A)配合高電壓輸出需求 (B)輸出電流高可提昇充電效率 (C)輸出電流高可配合汽車高度電腦化之耗電需求 (D)低速時就可以有較高充電電壓 。
複選題
134. 如圖所示為車身網路控制簡圖,有關其控制與檢查下列敘述何者正確?
(A)歐姆錶測得之電阻值為 60Ω (B)當任一終端電阻斷路時,歐姆錶測得之電阻值為 120Ω (C)車身網路採用廣播方式傳遞訊號;Node1 發出訊息,Node2~4 都可收到,但不一定回應作用 (D)當任一終端電阻斷路時整體系統無法通訊 。
複選題
135. 如圖所示為起動電路圖,當檢測時發現 V1=10.5V,V2=10.8V,V3=0V,下列敘述何者錯誤?
(A)電瓶電容量不足 (B)電源與點火開關間線路電阻過大 (C)電源到啟動馬達 B 端線路斷路 (D)起動馬達磁場線圈斷路 。
複選題
136. 如圖所示為起動電路圖,當檢測時有關 V1、V2、V3 之敘述,下列何者正確?
(A)V1 為電瓶開路端電壓 (B)V2 為電瓶起動電壓 (C)V3 為起動馬達電壓降 (D)正常作用下 V2>V1>V3 。
複選題
137. 如圖所示為汽車充電電路圖,下列敘述何者正確?
(A)L 端子線頭脫落會使充電指示燈亮起 (B)Tr1 斷路會造成無法發電 (C)Tr2 斷路主要控制充電指示燈之作用 (D)IG ON 後 Tr3 會將電源送入靜子線圈 。
複選題
138. 有關電路短路的相關敘述,下列何者正確? (A)短路是指從電路的某個部位旁通、造成電流增加或干擾的異常電路 (B)負載前端的電路若與搭鐵短路,其原有電路的阻抗會出現降低的狀況 (C)負載前端的電路若與搭鐵短路,其原有電路的電流會出現降低狀況 (D)短路類型分為”與搭鐵短路”及”與電源短路” 。
複選題
139. 如圖所示,拆除燈泡端到開關的接頭時,下列敘述何者正確?
(A)圖 A、圖 B 係為進行開關前的短路測試 (B)圖 B 若保險絲熔斷,短路位置會是在保險絲和燈泡之間 (C)圖 A、圖 B 若開關後出現搭鐵短路,不會造成任何電路影響 (D)圖 B 測試結果表示開關端搭鐵短路 。
複選題
140. 如圖所示,參考電壓為 5 V,下列何種狀況下,所測得的 ECT 感知器訊號電壓為 0 V?
(A)ECM 內部電路短路 (B)電路間短路 (C)ECT 感知器短路(D)電路斷路 。
複選題
141. 如圖所示,IG OFF 時,水溫錶指針在 C 位置,下列敘述何者正確?
(A)當水溫感測元件(NTC)短路時,水溫錶的指針會趨於 H 的位置 (B)當冷卻水溫度熱時,線圈 Lc 的搭鐵線路斷路,水溫錶的指針會趨於 H 的位置(C)當 C 端與水溫感測元件(NTC)之間線路斷路時,水溫錶的指針會趨於H 的位置 (D)可藉由量測 A 端與 B 端之間的電阻或 C 端與 B 端之間的電阻,判斷線圈 Lc 搭鐵迴路是否斷路 。
複選題
142. 如圖所示為線圈式燃油錶電路,下列敘述何者正確?
(A)右線圈和左線圈作動時,產生的混合磁場會使得指針移動,指示燃油量 (B)當左線圈線路斷路時,燃油錶的指針會指在”F”的位置 (C)當右線圈線路斷路時,燃油錶的指針會指在”F”的位置 (D)Tank Unit 短路時,燃油錶的指針會指在”E”的位置 。
複選題
143. 有關 Controller Area Network 之敘述,下列何者正確? (A)能大幅縮減電線的使用量,降低線路及接頭發生故障機率 (B)抵抗電磁干擾能力佳,具有相當完善的偵錯與除錯的機制 (C)可雙向通訊,但因傳輸距離遠故速度慢 (D)資料不可共享,因此節省空間及降低成本 。
複選題
144. 如圖所示為 CAN bus 資料格式,下列敘述何者正確?
(A)SOF 為資料框架的開始位元,共 1 bit、值為 0 (B)Identifier 為識別碼位元組,共 11bits(C)RTR 為遠端傳送請求,共 1bit,值為 1 表以遠端傳送請求方式傳輸並不帶 data;值為 0 表不以遠端傳送請求方式傳輸 (D)EOF 為資料框架的結束位元,共 7bits、值為 0 。
複選題
145. 如圖所示為某感知器線路,當點火開關 key on 時,下列敘述何者正確?
(A)當電源線發生斷路時,ECM 接收到訊號電壓為 0V (B)當訊號線發生斷路時,ECM 接收到訊號電壓為 0V (C)當搭鐵線發生斷路時,ECM 接收到訊號電壓為 0V (D)當 R2 側發生斷路時,ECM 接收到訊號電壓為 0V 。
複選題
146. 如圖所示為方向燈/危險警告燈檢測說明,下列敘述何者正確?
(A)拆下relay,連接底座端子 2 到端子 3,Ignition switch ON (Ⅱ),方向燈會亮(B)拆下 relay,連接底座端子 2 到端子 3,Hazard warning switch ON,危險警告燈會亮 (C)NO.49 保險絲在引擎蓋下方的保險絲盒內 (D)搭鐵不良(G652)時,一定會造成方向燈/危險警告燈不亮 。
複選題
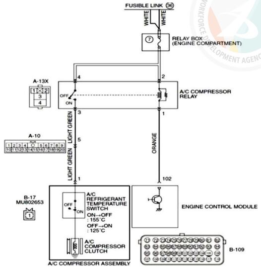
147. 如圖所示,下列敘述何者正確?
(A)A/C 壓縮機作動時,當 A/C 冷媒溫度達 125℃時,則 A/C 壓縮機停止作動 (B)為保護冷氣系統,A/C 冷媒溫度開關於 155℃以上時斷路 (C)A/C 壓縮機不作動時,則表示 A/C 冷媒溫度開關故障 (D)A/C 冷媒溫度開關係安裝在 A/C 壓縮機總成 。
複選題
148. 如圖所示為鼓風機電路,下列敘述何者正確?
(A)保險絲到達 183°C 時,就會燒斷 (B)1.25B 代表線徑 (C)當鼓風機開關選擇 LO 時,電路阻抗最大(D)若任一保險絲燒斷,則鼓風機馬達沒有高速(HI) 。
申論題 (0)
相關試卷
114年 - 02000 汽車修護 甲級 工作項目 05:汽車服務廠管理與經營 51-81(2025/10/15 更新)#132169
114年 · #132169
114年 - 02000 汽車修護 甲級 工作項目 05:汽車服務廠管理與經營 1-50(2025/10/15 更新)#132168
114年 · #132168
114年 - 02000 汽車修護 甲級 工作項目 04:汽車相關技術資料運用 1-54(2025/10/15 更新)#132167
114年 · #132167
114年 - 02000 汽車修護 甲級 工作項目 03:汽車電系 51-100(2025/10/15 更新)#132165
114年 · #132165
114年 - 02000 汽車修護 甲級 工作項目 03:汽車電系 1-50(2025/10/15 更新)#132164
114年 · #132164
114年 - 02000 汽車修護 甲級 工作項目 02:汽車底盤 101-147(2025/10/15 更新)#132163
114年 · #132163
114年 - 02000 汽車修護 甲級 工作項目 02:汽車底盤 51-100(2025/10/15 更新)#132162
114年 · #132162
114年 - 02000 汽車修護 甲級 工作項目 02:汽車底盤 1-50(2025/10/15 更新)#132161
114年 · #132161
114年 - 02000 汽車修護 甲級 工作項目 01:汽車引擎(含柴油引擎) 151-205(2025/10/15 更新)#132160
114年 · #132160
114年 - 02000 汽車修護 甲級 工作項目 01:汽車引擎(含柴油引擎) 101-150(2025/10/15 更新)#132159
114年 · #132159