所屬科目:教甄◆電子科/資訊科/電機科/冷凍空調科/控制科/電機空調科
5. 五個4μF電容器接成五邊形,則此五邊形在任意兩相鄰頂點間的等效電容量為多少? (A) μF (B)μF (C)μF (D) 5μF。
9. 將三個相同電量的正電荷(+Q),分別放在邊長為 2公分的正三角形頂點,此時在三角形中心點的電位設為V1;而將四個與前述相同電量的正電荷(+Q),分別放在邊長為 4公分的正四邊形頂點,在四邊形中心點的電位設為V2。試求:=? (A)(B) (C) (D) 。
10. 如下圖所示,電壓源V1 及V2 分別供給電路,若其負載之消耗功率相同時,試求電壓 源V2 之最大值Vm約為?(A)69. 2V (B)120V (C)146.9V (D)152.8V。
11. 如下圖所示電路,試求電流I為?
(A)0.5A (B)1A (C)1.5A (D)2A 。
12. 如下圖所示電路,有一電容器C,其容量為100kVAR,並接加入工廠經常性負載180kW 之電路,以改善其原為0.6滯後之功率因數,試求其功率因數約可改善至多少?(A)0.79 (B)0.81 (C)0.84 (D)0.87。
13. 下列有關整流電路使用電容濾波器,其漣波因數敘述,下列何者錯誤? (A)濾波電容器愈大,漣波因數愈小 (B)半波整流電路之漣波因數約為1.21,而全波 整流電路之漣波因數約為0.48 (C)整流電路上的負載RL電流愈小,漣波因數愈小 (D)漣波因數定義為。
14. 如下圖所示電路,為一使用定電流源I、 I = 1mA偏壓之電晶體放大器,電晶體具有 β =100,其中RF =100kΩ,RE =1kΩ,RL =100kΩ,試求電壓增益 =?(A)-24.5 (B)-49 (C)-72 (D)-95.6。
15. 如下圖所示電路,已知VCC=+30V、電晶體Q1、Q2正常工作且其VBE=0.7V,R1 =10kΩ 、R2 =2kΩ、R3=1kΩ、R4=3.5kΩ,Zener二極體的崩潰電壓VZ= 6.3V,試求VL約為多 少?(A)6.3V (B)7.7V (C)9V (D)15V。
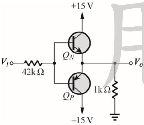
16. 如下圖所示電路,將兩顆不同電晶體電路接線成B類輸出級電路又稱推挽式電路 (push-pull circuit),是由一對互補電晶體所組成(也就是一個npn和一個pnp)。假設電 晶體QN和QP 的β皆為 100,當Vi = +15V時:得QN主動和QP截止,輸出VO+(vi=+15V) ;當Vi = −10V時:得QN截止和QP主動,輸出VO−(vi=−10V);試求當Vi由−10V變遷至+15V 時,VO之變化量∆VO約為多少V?[∆VO = VO+(vi=+15V)− VO −(vi=−10V) ](A)3.5V (B)6.6V (C)10.1V (D)16.7 V。
17. 如下圖所示電路,BiMOS 多級放大電路,已知 MOSFET 的 VGS =1.4V、VGSt =1.2V、 k =1mA/V2、gm= 0.4mA/V,BJT 的 β = 99、Rib = rπ = 0.5 kΩ、RC = 1.5 kΩ、IE = 5mA, 試求電壓增益 ? (A)-50 (B)-100 (C)-150 (D)-300 。
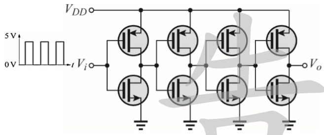
18. 如下圖所示電路,CMOS 電路,若不計電路延遲,且輸入信號 Vi如圖之方波,試求輸出信號 Vo應為下列何者?(A)同頻率反相之方波 (B)同頻率同相之方波 (C) 4 倍頻率反相之方波 (D) 4 倍頻 率同相之方波。
19. 如下圖所示電路,假設所有二極體之切入( Cut-in )電壓為0V,MOSFET電晶體的臨界電壓( Threshold Voltage, Vth )亦為0V,試求Vout之輸出電壓為何?(A)0V (B)1V (C)2.5V (D)5V。
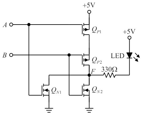
20. 如下圖所示電路,欲使 LED 發光,試求輸入電壓Vin的範圍為何?(A)2V<Vin<3V (B)4V<Vin<6V (C)5V<Vin<7V (D)6V<Vin< 8V 。
22. 如下圖所示為一個利用清除(clear)輸入來設計的計數器,試問此為何種進位的計數器?(A)十進位 (B)八進位 (C)十二進位 (D)以上皆非。
23. 如下圖所示電路,輸入為30kHz的計時脈衝,QC的輸出波形為?(A)頻率5kHz,工作週期33.3% (B)頻率5kHz,工作週期66.7% (C)頻率6kHz,工作 週期33.3% (D)頻率6kHz,工作週期66.7%。
24. 使用積體電路IC編號555組成的電路如下圖所示,若按鈕開關PB按下後即放開,則發光二極體LED亮約多少時間後就會熄滅?(A)7秒 (B)11秒 (C)15秒 (D)20秒。
25. 如下圖所示為一狀態圖表,當現在狀態為00時,依序輸入0及1之後,試求狀態表中的 「下次狀態」與「輸出」邏輯值依序分別為下列何者?(A)01, 00, 0, 0 (B)01, 11, 0, 0 (C)11, 01, 0, 0 (D)11, 00, 0, 1 。
2.有一導線,已知其自由電子密度(N)=1029個電子/m3、截面積(A)=10mm2,導線內電子移動速率 v= 2.5✕ 10− 5 m/s,試求此導線電流為________A。
6.如下圖所示電路,有一三相∆型連接平衡負載,接於三相平衡電源,已知每相負載阻抗為11∠60°Ω ,電源線電壓有效值為220V,試求此負載消耗的總有效功率為多少W?_________ 。
8.如下圖所示電路,試求可以使LED點亮的輸入組合有_______種。
9.如下圖所示電路,為主動式帶通濾波器,其高頻截止頻率為 fH ,低頻截止頻率為 f L ,若 C2= 5C1 , R2=2R1,試求fH/fL 為______。
10.如下圖所示電路,若 Vi 為峰值 ± 3V 之對稱三角波,試求 Vo 之平均電壓約為多少 V?_______
11.如下圖所示電路,為一個兩級串接直接耦合放大器,其中VCC = 10.7V、RB1 = 100kΩ、RC1 = 1kΩ 、RE1 = 1kΩ、RC2 = 0.5kΩ、RB2 = 1kΩ,假設電晶體Q1、Q2之共射極電流增益分別為99、48,且 Q1、Q2之BE接面的切入電壓均為0.7V,試求此電路之直流偏壓IB2為多少A? _________ 。
13.如下圖所示之多工器電路,則其布林代數式Y(A,B,C)=___________(請以SOP的數字式表示)。
16.如下圖所示電路,圖中的E=1,A=0,B=1,試求D0D1D2D3為________ 。
2.利用JK正反器設計一同步計數器,其狀態如下:(6分)