所屬科目:一二三等大管輪◆電機電子與自動控制
1. 變壓器的損失可以分①磁滯損失②渦流損失③銅損④雑散散損
,其中哪些屬於無載損失? (A)①② (B)③④ (C)①③ (D)②④
2. 如圖12當E=120V、R1=2歐姆、R2=3歐姆、R3=6歐姆求
(A)=2歐姆 (B)=3歐姆 (C)=6歐姆 (D)=4歐姆
3. 如圖13試求總電阻 。
(A)=5歐姆(B)=105歐姆 (C)=205歐姆 (D)=0歐姆
4. 在下圖中,N=13.2:1及 =15 歐姆。求 約為。 (A)8V (B)9V (C)10V (D)11V
5. 如下圖的電路具有二個串聯電阻及二個獨立的直流電源,請問流過5KΩ的電流大小及其方向: (A)1mA,往右 (B)1mA,往左 (C)3mA,往右 (D)3mA,往左
6. 某一交流電壓有效值為110伏特,請問其電壓峰值應為多少? (A)110 (B)110 x 1.414 (C)110/1.414 (D)110 x 1.732
7. 在交流轉換為直流的電源電路中並聯電容可以產生作用? (A)分流 (B)分頻 (C)分壓 (D)穩壓
8. 額定值為1 W,100Ω的電阻,若正常使用,允許加電壓至下列哪一項? (A)50 V (B)20 V (C)10 V (D)100 V
9. 關於兩個電容器串聯,下列說法正確的是? (A)每個電容器上的電壓值與其電容值成正比 (B)等效電容為兩個電容之和 (C)兩個電容器的電壓之和等於串聯後所加電壓 (D)總電量Q為兩個電容器所帶電量之和
10. 要利用戴維寧定理計算電路的總電阻時,對於電流源要如何處理? (A)視為短路 (B)視 為斷路 (C)視同電阻 (D)不予理會
11. 假設電感值為L,電源頻率為ω ,電流為i,試問該電感的感抗值為何?
(A)L×(di/dt)(B)L×ω(C)L×(dq/dt) x ω(D)1/Lω
12. 鉛蓄電池內的電解液比重過高其原因是 (A)硫酸濃度過高 (B)硫酸濃度過低 (C)電解液 液位過高 (D)電解液液位過低
13. 100 W,220 V的燈泡,其額定電流和等效電阻為? (A)0.2A/110Ω (B)0.45A/484Ω (C)0.9A/484Ω (D)0.45A/242Ω
14. 如果依據負載特性為電感性負載,交流發電機的電樞反應的激磁磁場將會如何變化? (A)不變 (B)變大 (C)變小 (D)不一定
15. 下圖之電路,V=60伏特,R1 =15Ω,R2=30Ω,R3=20Ω,若此電路之負載電阻為20Ω
,依戴維寧等效電路計算,通過負載之電流為(A)0.5A (B)0.8A (C)1A (D)1.5A
16. 三相Y接法的電路,若相電流之有效值為Ip,則線電流之有效值IL為: (A)IL=Ip (B)IL=Ip/√2 (C)IL=Ip/√3 (D)IL=√3Ip
17. 一電路之戴維寧等效電壓為直流100伏特,戴維寧等效電阻為40Ω,則此電路可獲得最大功率的負載電阻應為多少Ω: (A)∞(B)20 (C)40 (D)80
18. 由交流同步發電機的外部特性可知,那種類型負載在電樞電流增加時,因電樞反應而增加激磁的磁通,而導致端電壓下降的最嚴重: (A)電阻型 (B)電感型 (C)電容型 (D)電 壓型
19. 三相感應電動機若使用自耦變壓器進行降壓起動,若降壓比為1/3,則其起動電流為全電壓起動電流的 (A)1/3 (B)1/9 (C)1/√3 (D)1/6
20. 在發電機的電壓控制系統中,致動器(actuator)是指: (A)發電機 (B)比壓器 (potential transformer)及電壓表組 (C)自動電壓調整器(AVR) (D)激磁(exciter)
21. 諾頓(Norton)定理中求任兩端之等效是如何組合: (A)斷路電壓與等效電阻串聯 (B)斷路 電壓與等效電阻並聯 (C)短路電流與等效電阻串聯 (D)短路電流與等效電阻並聯
22. 在交流電源下頻率愈大其電容抗值會如何? (A)愈大 (B)愈小 (C)不變 (D)有時變大有時 變小
23. 一個交流電路中落後負載之電流最大值為5A電壓最大值為20V,相位差60度,求其實 功率(平均功率)消耗為: (A)100W (B)86.6W (C)50W (D)25W
24. 一個交流電源其電壓波形為282.8sin(120πt)V求其頻率為何? (A)120πHz (B)120Hz (C)60Hz (D)50Hz
25. 一個交流電路之電壓有效值為40V電阻為80Ω求其功率消耗為: (A)2W (B)10W (C)20W (D)40W
26. 在同一電感值下若交流電源之頻率愈大則其電感抗值會如何? (A)愈大 (B)愈小 (C)不變 (D)有時變大有時變小
27. 關於一般同步發電機之敘述何者有錯? (A)電樞大都置於定子 (B)磁場大都置於轉子 (C)磁場通常藉由直流電源激磁 (D)為轉電式發電機
28. 何時會用到佛萊銘左手定則? (A)用於判斷發電機產生感應電壓極性 (B)用於判斷當電流 通過導體時產生磁場方向 (C)用於判斷變壓器產生電壓極性 (D)用於判斷電動機產生之 旋轉方向
29. 一個電阻器、電感器及電容器串聯,所構成的RLC電路,其電阻值為40Ω、感抗值60Ω、容抗值30Ω,若其電流為√2sin(ωt),求其總電壓為何? (A)50√2sin(ωt+36.87°)(V) (B)50√2sin(ωt+45°)(V) (C)100sin(ωt+45°)(V) (D)100sin(ωt+36.87°)(V)
30. 一個電阻器、電感器及電容器串聯,所構成的RLC電路,其電阻值為40Ω、感抗值40Ω、容抗值40Ω,若其電壓為110√2sin(ωt),求其電流為何? (A)2.75√2sin(ωt+45°)(A) (B)2.75√2sin(ωt)(A) (C)2.75sin(ωt+45° )(A)(D)2.75sin(ωt)(A)
31. 如下圖所示,若Vs=12V,R1=4Ω,R2=3Ω,R3=6Ω,求電流I2 的大小為何 ? (A)2A (B)4/3A (C)1A (D)2/3A
32. 如下圖所示,若Vs=12V,V1=4V,則R1 與R2的關係為何 ? (A)R1=R2 (B)2R1=R2 (C)R1=2R2 (D)3R1=2R2
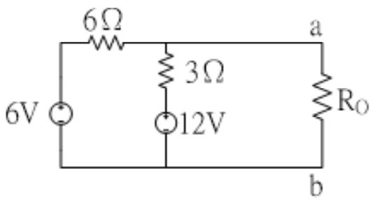
33. 如下圖所示,求ab兩端所得戴維寧等效電路中等效電阻Rth 為何 ? (A)9Ω (B)6Ω (C)3Ω (D)2Ω
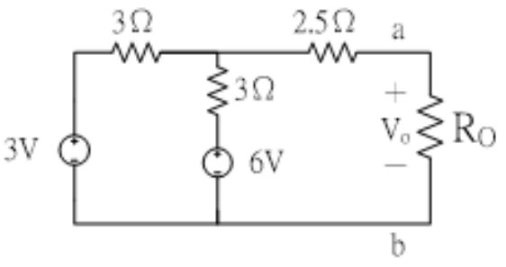
34. 如下圖所示,求ab兩端所得戴維寧等效電路中等效電阻Rth 為何 ? (A)8.5Ω (B)5.5Ω (C)4Ω (D)3Ω
35. 若i1(t)=10 √2sin(wt+45°)(A),i2(t)=10√2sin(wt-45°)(A),求i1(t)+i2(t)為何?
(A) 10√2 sin(wt + 45°)(A) (B) 10√2 sin(wt - 45°)(A)(C)10 sin(wt) (A) (D)20 sin(wt)
36. 交流電機轉差率S=1,所代表的意義為下列何者? (A)電機以同步轉速旋轉 (B)電機轉 速1200rpm (C)電機轉速為同步轉速的一半 (D)電機靜止不動
37. 自動電壓調整器(AVR),是依據發電機之端電壓增減,而調整發電機之何項? (A)激磁 電流 (B)電抗值 (C)電容值 (D)相位角度
38. 交流發電機,在電樞線長一定及磁力密度不變狀況下,欲保持一定之電壓,需調整何 值? (A)電流 (B)電阻 (C)轉速。 (D)電抗
39. 單向交流半波整流,需要多少個二極體? (A)一個二極體 (B)一組二極體 (C)二個二極體 (D)二組二極體
40. 如圖示二極體接法,其接法為逆向偏壓時,線路可視為何種線路 ? (A)短路 (B)捷路 (C)傍路 (D)斷路
41. 在閉迴路控制系統中,下列何者是用以消除「穩態誤差」的控制器動作? (A)比例動作 (B)微分動作 (C)積分動作 (D)ON-OFF動作
42. 如圖示,A=1 B=0時Y=0 是何開關式控制邏輯電路。 (A)及閘(AND Gate)。 (B)或閘(OR Gate)。 (C)非閘(NOT Gate)。 (D)反或閘(NOR Gate)。
43. 一等大管輪試卷 第6頁,共6頁 如圖示,是屬何種定時器(TIMER)。 (A)通電延遲式(ON delay)。 (B)斷 電延遲式(Off delay)。 (C)開斷電延遲式(ON -Off delay)。 (D)閉電延遲式(Close delay)。
44. 一種動程極小下就能產生 on-off 信號的裝置,是屬何種位置感知元件 (A)微動開關。 (B)近接開關。 (C)電位器(Potentiometer)。 (D)同步信號產生器
45. 電機控制系統,若按下起動鈕,無啟動反應,並無焦味,但按重置鈕後恢復正常,可 能是何原因。 (A)線圈燒損 (B)過載跳脫 (C)保險絲燒損 (D)接點短路
46. 下列何者為三相感應電動機的啟動方法? (A)降低電源頻率 (B)連接外部原動機 (C)串 聯電抗器降壓 (D)轉子裝設阻尼繞組
47. 同步指示燈的三個燈泡L1、L2與L3接法如圖所示,當發生週期性輪流明滅,且依次序反時鐘旋轉,此時所代表的意義為何 ? (A)待並聯發電機的相位小於運行發電機的相位 (B)待並聯發電機的相位大於運行發電 機的相位 (C)待並聯發電機的頻率小於運行發電機的頻率 (D)待並聯發電機的頻率大於 運行發電機的頻率
48. 鉛蓄電池於放電時消耗活性物質,主要進行何種能量的轉換? (A)將化學能轉換為電能 (B)將熱能轉換為電能 (C)將電能轉換為化學能 (D)將電能轉換為熱能
49. 下列有關鉛蓄電池電解液調配方法的敘述何者為正確? (A)將蒸餾水倒入硫酸中,用玻 璃棒拌勻 (B)將硫酸慢慢倒入蒸餾水中,用玻璃棒拌勻 (C)將蒸餾水和硫酸依規定比例 同時倒入容器中 (D)將蒸餾水加熱後再倒入硫酸中加以攪拌
50. 鉛蓄電池的電解液的比重約為多少? (A)0.6~0.7 (B)0.8~0.9 (C)1.0~1.1 (D)1.2~1.3