所屬科目:一二三等大管輪◆電機電子與自動控制
1. 為何直流電動機啟動時,在電樞串聯電阻器,其目的為? (A)作轉向控制 (B)減少鐵損 (C)減少銅損 (D)限制啟動電流
2. 使用直流電動機時,兩項非常重要的性能指標為下列何者? (A)速度特性與反電勢特性 (B)反電勢特性與磁滯特性 (C)磁滯特性與轉矩特性 (D)轉矩特性與速度特性
3. 在下圖中,N=13.2:1及 =15歐姆。求約為。
(A)-0.045A (B)0.045A (C)0.6A (D)-0.6A
4. 有一部45KVA、208V、 連接、60HZ的三相電動機,不考慮其他損失,若其輸出為48.3HP,則其功率因數為下列何者? (A)0.9 (B)0.8 (C)0.7 (D)0.6
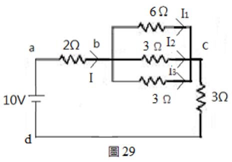
5. 如圖29,試求 。
(A)0.161A (B)0.323A (C)0.645A (D)1.613A
6.如圖36試求 。
V (A)0歐姆 (B)1歐姆 (C)2歐姆 (D)3歐姆
7. 在PID控制系統中如果發現系統輸出響應有嚴重的穩態誤差出現,並且系統反應速度變 慢的情形,調整下列何者無法改善其狀況: (A)將P控制器調大 (B)將I控制器調大 (C)將 D控制器調大 (D)將PID控制器同時調大
8. 試計算圖的電阻電路之等效電阻值為:
(A)10KΩ (B)15KΩ (C)20KΩ (D)25KΩ
9. 當一個電路中有二個以上的電壓源或電流源同時存在時可以使用重疊定理加以計算。 在重疊定理中遇到二個電壓源時,先保留一個電壓源並對另一個電壓源應如何處理: (A)假設為短路 (B)假設為斷路 (C)先假設為短路再假設為斷路 (D)先假設為斷路再假設為短路
10. 下列何者可以主動提供電能? (A)電阻 (B)電感 (C)電容 (D)發電機
11. 在船上所使用的負載設備如果功率因數偏低,則應如何處理? (A)增加電源供應 (B)減 少電源供應 (C)並聯電容性元件 (D)並聯電感性元件
12. 如果負載變化劇烈,何種設備可以有效維持發電機輸出電壓? (A)自動電壓調整器 (B)自動頻率調整器 (C)自動相位調整器 (D)自動負載跳脫保護裝置
13. 一對稱三角形連接的三相負載,已知S=10kVA,P=6kW,該負載的功率因數為,無功 功率為 (A)0.6/8kVar (B)0.8/8kVar (C)0.6/6kVar (D)0.8/6kVar
14. 將電路化簡成一個電壓源與負載相串聯的電路,所使用的定理是? (A)安培定理 (B)歐 姆定理 (C)戴維寧定理 (D)諾頓定理
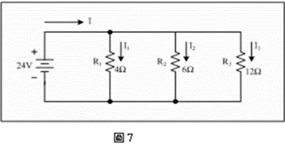
15. 圖7為一個並聯電路,試求電流 I1,I2。
(A) I1=6A,I2=4A(B)I1=6A,I2=2A (C)I1=4A,I2=2A (D)I1=2A,I2=6A
16. 對於有效值為110V、60Hz的交流電路,假設電感元件為0.2m亨利,則其等效阻抗為多少歐姆: (A)110*60*2 (B)60*2 (C)2*π*60 (D)
17. 變壓器開路試驗可量測何種特性? (A)效率 (B)銅損 (C)電壓調整率 (D)鐵損
18. 某一個交流電路中,其負載為三相對稱型電感負載,採用三角形接法,電源為220伏特 ,相功率為4.84千瓦,功率因數為0.8,其負載相電流為多少? (A)15.8A (B)47.6A (C)27.5A (D)22A
19. 若單相交流電壓100伏特,電流10安培,有效功率600瓦特,此電路的虛功率為: (A)200Var (B)400Var (C)600Var (D)800Var
20. 當發電機已達同步時,同步指示燈的狀態為: (A)頂端的燈滅,底部兩燈亮 (B)頂端的 燈亮,底部兩燈滅 (C)三燈均亮 (D)三燈均滅
21. 直流電動機在旋轉時會產生反電勢,反電勢Eb的公式為:(式中N為轉速,V為電壓 ,Φ為磁通 ,B為磁通密度,I為電樞電流,Ra為電樞電阻,v為速度,l為有效的磁 路長度,K為電機常數) (A)Ebb=KΦN (B)Eb=Blv (C)Eb=IRa (D)Eb=KBl
22. 單相電動機起動轉矩最平滑者為: (A)裂相式 (B)電容式 (C)蔽極式 (D)推斥式
23. 在發電機的電壓控制系統中,激磁(exciter)是屬於: (A)檢測部 (B)比較部 (C)控制部 (D)操作部
24. 在發電機的電壓控制系統中,控制器(controller)是指: (A)發電機 (B)比壓器 (potential transformer)及電壓表組 (C)自動電壓調整器(AVR) (D)激磁激 (exciter)
25. 在鍋爐水位控制系統中,給水控制閥是屬於: (A)檢測部 (B)比較部 (C)控制部 (D)操作 部
26. 一個電器其功率消耗為200W使用時間為10小時其使用了幾度電: (A)2000度電 (B)200度電 (C)20度電 (D)2度電
27. 戴維寧(Thevenin)定理中求任兩端之等效包含: (A)斷路電流及等效電阻 (B)斷路電壓及 等效電阻 (C)短路電流及等效電阻 (D)短路電壓及等效電阻
28. 構成一個交流弦波訊號不需那一要素: (A)振幅大小 (B)頻率高低 (C)平均值 (D)相位
29. 理想變壓器不具備下列那一個特性? (A)繞線電阻為零 (B)效率為100% (C)損失為零 (D)耦合係數為零
30. 為了達成自動控制目標經常會使用PID控制器其中P代表何意義? (A)比例 (B)微分 (C)積 分 (D)模糊
31. 三個電阻其電阻值各別為R,2R,2R歐姆,求其並聯後電阻值為: (A)(1/2)R (B)R (C)(3/2)R (D)2R
32. 求先兩個電阻2R,2R並聯後,再與另一個R串聯,其等效電阻值為: (A)(1/2)R (B)R (C)(3/2)R (D)2R
33. RC串聯電路中電容已完成充電,電容是儲存何種能量? (A)磁場 (B)電場 (C)位能 (D)熱 能
34. 佛萊銘右手及左手定則中,中指代表何義? (A)電流流動方向 (B)位移運動方向 (C)磁場 方向 (D)電場方向
35. 若負載為電感性負載要改善電力系統之功率因數最簡單的方法為何? (A)並聯電感器 (B)並聯電阻器 (C)並聯電容器 (D)無法改善
36. 關於一般常見旋轉磁極式之同步電動發那一個有錯? (A)電樞繞組大多放在定子 (B)轉子 加入直流電產生磁場 (C)定子電樞加入三相交流電壓產生旋轉磁場 (D)合成旋轉磁場為 單一磁場之三倍
37. 當同步發電機接上負載時若發現輸出端電壓會隨負載電流變大而有大幅變小,此負載 可推測最有可能為何負載? (A)電阻性負載 (B)電感性負載 (C)電容性負載 (D)合成性負 載
38. 當一個負載由電阻與電感串聯組成,且電阻與電感抗相等時會產生何現象? (A)電壓相 位超前電流90度 (B)電壓相位落後電流90度 (C)電壓相位超前電流45度 (D)電壓相位落 後電流45度
39. 一條導體通上電流以後,此導線的周圍會有磁場的存在,若以右手來表示為拇指為電 流方向,四指為磁場方向,此為何定律? (A)法拉第定律 (B)右手安培定律 (C)佛萊銘 右手定律 (D)佛萊銘左手定律
40. 使用三具容量及線圈常數相同的單相變壓器做三相Δ—Δ接線時,此接線適用於何種場 合? (A)此接線適用於高電壓大電流之場合 (B)此接線適用於高電壓小電流之場合 (C)此接線適用於低電壓大電流之場合 (D)此接線適用於低電壓小電流之場合
41. 使用三具容量及線圈常數相同的單相變壓器做三相Δ—Y接線時,此接線方法適用於何種場合? (A)低電壓大電流之場合 (B)發電機之昇壓變壓器之場合 (C)配電的降壓變壓 器之場合 (D)低電壓低電流之場合
42. 下列哪一部分不是一個完整的電路應包括的項目? (A)整流 (B)電源 (C)負載 (D)傳輸電路
43. 交流發電機之電壓及電流之波形,必須符合何種函數? (A)餘弦函數 (B)正切函數 (C)餘 切函數 (D)正弦函數
44. 主機電腦程式控制起動系統,在主機使用多年後,會產生起動困難之事,要改變何種設定值,可改善起動情況? (A)增加掃氣壓力 (B)增加起動空氣壓力 (C)改變噴油角度 (D)增加主機起動油門值(STARTING DASH)
45. 控制端利用邏輯語言寫出控制線路,輸出端仍以連接繼電器或電磁接觸器控制電動裝置,是屬何種控制迴路。 (A)可程式控制迴路。 (B)單一閘式開關控制迴路。 (C)複式閘式開關控制迴路。 (D)繼電器控制迴路。
46. 船上電子電路模板,在測試發現故障之模板時,如何處理故障,才是最加有效率的方式? (A)船上自我檢修 (B)在港時緊急送岸檢修 (C)航行中以電訊請教岸方告知檢修方法 (D)直接換用船上備用模板
47. 就同容量與三相感應電動機比較,單相感應電動機有何優點? (A)體積小 (B)電源取用 方便 (C)成本低 (D)效率高
48. 均衡充電法(Equalizing charge)一般較適用於何種電池? (A)鉛蓄電池 (B)鋰離子電池 (C)凝膠式電池 (D)鎳鎘電池
49. 鉛蓄電池於充電完畢後,電解液相對密度高於原來的值,應如何處理? (A)加入硫酸溶 液來調整 (B)加入蒸餾水來調整 (C)加入氯化鈉溶液來調整 (D)加入碳酸氫鈉溶液來調 整
50. 下列有關鉛蓄電池的電解液的比重過低所導致結果的敘述,何者錯誤? (A)在寒冷地方易於結冰 (B)極板和隔板易酸蝕 (C)電壓降低 (D)蓄電池的容量降低