所屬科目:一二三等大管輪◆電機電子與自動控制
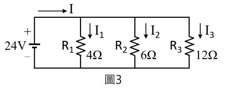
1. 圖3為一並聯電路,試求總電阻。 (A) =2歐姆 (B) =22歐姆 (C) =1歐姆 (D) =3歐姆
2. 圖7中,若有I=120mA流入電阻電路中,且R1 =6K歐姆,R2 =3K歐姆,R3 =2K歐姆,則等於多少? (A) =100V (B) =120V (C) =140V (D) =160V
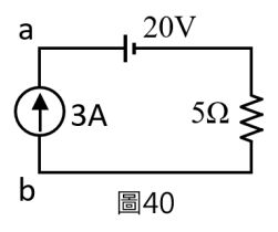
3. 如圖40,求電流源的功率? (A)95W (B)100W (C)105W (D)110W
4. 一等大管輪試卷如圖41,求2Ω的功率。 (A)30W (B)40W (C)50W (D)60W
5. 在燃油黏度自動控制系統中,其控制對象為下列何者? (A)燃油增壓泵 (B)燃油黏度計 (C)燃油黏度 (D)燃油加熱器
6. 如圖的電路,試問流經1K歐姆電阻的電流為多少? (A)10mA (B)5mA (C)2mA (D)1mA
7. 假設q代表電荷,t代表時間,則電流的數學式為? (A)dt/dq (B)dq/dt (C)d2t/dq2 (D)d2q/dt2
8. 在柴油機缸套冷卻水溫度自動控制系統中,其控制對象為: (A)柴油機 (B)淡水泵 (C)海水泵 (D)調節高低溫之三向閥
9. 船上所用的設備絕大部分是屬於哪一種RLC等效電路,而造成功率因數降低: (A)電阻 性電路 (B)電感性電路 (C)電容性電路 (D)不一定
10. 交流電路中功率因數不為1的原因是? (A)電路中存在著耗能元件R (B)電路中存在著相 位問題 (C)電流是正弦交變的 (D)電路中存在著LC儲能元件
11. 電路中某一個封閉迴路的電壓源與元件的電壓降代數總合為零是哪一個定理的敘述? (A)歐姆定理 (B)克希荷夫電壓定理 (C)克希荷夫電流定理 (D)重疊定理
12. 同步發電機電樞之感應電流所產生的電樞磁通,會增加或減少激磁磁場的的強度,此 一現象稱之為? (A)磁場反應 (B)磁滯效應 (C)磁通效應 (D)電樞反應
13. 可以直接提供380線電壓及220相電壓的三相交流電源電路為: (A)三相四線制Y形電路 (B)三相三線制三角形電路 (C)三相並聯電路 (D)三相串聯電路
14. 直流電機產生電動勢主要依據何種定理所推論的? (A)安培定理 (B)楞次定理 (C)法拉 第定理 (D)弗萊明定理
15. 一般的開迴路控制系統中不需要何種結構? (A)控制器 (B)感測器 (C)比較器 (D)操作器
16. 在控制系統中依據誤差來決定控制量的機構是? (A)檢測器 (B)比較器 (C)操作器 (D)控 制器
17. 如果圖1的電壓源為12V,則總電流大小為? 一等大管輪試卷其中為2歐姆、為4歐姆、為4歐姆 (A)I=10A (B)I=11A (C)I=12A (D)I=13A
18. 圖三中,若有IT=40mA流入,且 =10KΩ, =30KΩ,則流過電阻的電流等於多 少? (A)30mA (B)10mA (C)12mA (D)28mA
19. 一電感性負載,並聯上適當的電容,則? (A)負載的功率因數可得到提高,負載電流減 小 (B)負載的功率因數可得到提高,負載電流不變 (C)線路功率因數提高了,線路電流 減少 (D)線路功率因數提高,線路電流不變
20. 一變壓器的匝數比為1:6,若初級線圈的輸入電壓為50V,則次級線圈的輸出電壓為何? (A)100 V (B)150 V (C)200 V (D)300 V
21. 自激式同步機的激磁場是由什麼產生? (A)經整流後的直流電源 (B)交流電源 (C)永久 磁鐵 (D)專用直流激磁機
22. 鉛蓄電池內部電解液補充時,其液位應保持? (A)低於極板 (B)與極板同高 (C)高於極板一些 (D)無所謂
23. 對於變壓器而言,輸入電壓及輸出電壓的比值與一次側及二次側的匝數比為? (A)等比 例 (B)反比例 (C)不同比例 (D)等比例的平方
24. 以下何者為電能消耗之計量單位? (A)仟瓦 (B)伏-安 (C)仟瓦-小時 (D)焦耳-小時
25. 如圖之電路,若R1=4Ω ,R2=8Ω,R3=16Ω,其總電阻為: (A)28Ω (B)20Ω (C)18/7Ω (D)16/7Ω
26. 虛功率的單位為: (A)KW (B)V-A (C)VAR (D)A-hr
27. 下列那一項目不是變壓器應有的損失? (A)銅損 (B)磁滯損 (C)渦流損 (D)機械損
28. 若單相交流電壓100伏特,功率因數0.6,有效功率600瓦特,此電路的電流為: (A)2A (B)5A (C)10A (D)15A
29. 若電源為直流,負載為10亨利的純電感,其電感抗為多少Ω : (A)0 (B)10 (C)80 (D)100
30. 三相感應電動機若使用自耦變壓器進行降壓起動,若降壓比為1/5,則其起動轉矩為全電壓起動轉矩的 (A)1/25 (B)1/5 (C)1/√5 (D)1/10
31. 若N為電動機之實際轉速,f為頻率,P為極數,則交流電動機之同步速率Ns的定義為 : (A)Ns=120f/P (B)Ns=120P/f (C)Ns=f/120P (D)Ns=P/120f
32. 蓄電池與發電機並聯接於負載的充電模式屬於: (A)補充充電 (B)均衡充電 (C)浮接充 電 (D)衡壓充電
33. 兩個40法拉電容器並聯電感值會變化為多少? (A)20法拉 (B)40法拉 (C)60法拉 (D)80法拉
34. 一個交流電路中若負載之感應功率(reactive power)為80KVAR,若平均功率60KW,求 其功率因數為何? (A)1 (B)0.8 (C)0.6 (D)0.5
35. 若以三容量相同之變壓器做接線做三相連接,若其中一具故障會產生何結果? (A)無法再做變壓使用 (B)容量不變 (C)轉成V-V接線照常使用 (D)相序改變
36. 無迴授之自動控制系統稱為? (A)閉迴路系統 (B)開迴路系統 (C)程序控制系統 (D)人力 控制系統
37. 當量測一個負載發現其電流相位落後電壓45度,則此為何種負載? (A)電阻性負傷 (B)電容性負載 (C)電感性負載 (D)任意負載
38. 一個1法拉之電容器當其兩端之交流電壓為時2sine(120πt)V,求其所消耗平均功率為何? (A)0W (B)2W (C)4V (D)8V
39. 關於一般直流發電機之敘述何者有錯? (A)電樞大都置於轉子 (B)磁場大都置於定子 (C)不需換向即可產生直流電源 (D)轉電式發電機
40. 佛萊銘右手及左手定則中,大姆指代表何義? (A)電流流動方向 (B)位移運動方向 (C)磁 場方向 (D)電壓減少方向
41. 當同步發電機接上負載時若發現輸出端電壓會隨負載電流變大而變大,此負載可推測 為何負載? (A)電阻性負載 (B)電感性負載 (C)電容性負載 (D)合成性負載
42. 一般三相感應電動機在靜止時其轉差率為何? (A)S=-1 (B)S=0 (C)S=1 (D)S=2
43. 由電阻器、電感器與電容器串聯所構成之RLC串聯電路,當電壓源為Vm sin(2πft),當 電壓源的頻率f(Hz)為何時,RLC會變成純電阻電路? (A) (B) (C) (D)
44. 一個電阻器及電容器所構成的RC電路,其阻抗值為20-20i,若其電流為√2sin(ωt)(A)求其電壓為何? (A)20√2sin(ωt)(V) (B)20√2sin(ωt-45。)(V) (C)40sin(ωt)(V) (D)40sin(ωt-45。)(V)
45. 單相變壓器做成三相連接,或是做並聯運用時,均須考慮各變壓器的極性,否則可能會使變壓器或設備燒壞。若用交流法來判別變壓器極性,如圖所示,如量得 V=V1+V2,此現象代表變壓器具備何種特性? (A)減極性 (B)加極性 (C)不定極性 (D)變壓器故障
46. 目前船上交流發電機,其冷卻介質均採用何種介質? (A)強力空氣循環式 (B)自然空氣循 環式 (C)冷卻水循環式 (D)密封氫氣循環
47. 如圖示,該控制系統缺點是輸出結果存在著較大的誤差值。是何種控制模式? (A)比例控制 (B)積分控制。 (C)微分控制。 (D)綜合控制。
48. 如圖示,何種組合的控制模式,可以減少追逐動作? (A)比例控制 (B)積分控制。 (C)比例微分控制。 (D)比例積分控制。
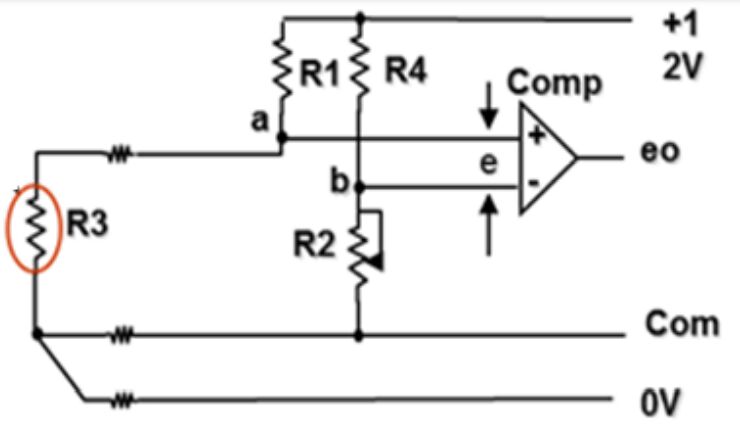
49. 如圖示,用於溫度顯示及高溫警報檢出,R3是屬何種溫度感知元件一等大管輪試卷(A)雙金屬片。 (B)熱敏電阻。 (C)熱電偶。 (D)液體
50. 同步指示器(Synchroscope)指針旋轉的快慢代表何意義? (A)表示兩並聯發電機其電壓 的相差值大小 (B)表示兩並聯發電機其電流的相差值大小 (C)表示兩並聯發電機其頻率 的相差值大小 (D)表示兩並聯發電機其電阻的相差值大小