所屬科目:技檢◆電力電子-乙級
1. 下圖所示電路中,當 R1 =R3、R2 =R4 時,其輸出 V0 可表示為
(A)(B) (C) (D) 。
2. 有四個電阻器串聯,且每電阻器之電阻值皆為 8Ω,則此總電阻為 (A)8Ω (B)2Ω (C)32Ω (D)16Ω。
3. 微電腦架構中,下列哪一單元負責儲存程式及資料? (A)輸入單元 (B)控制單元 (C)記憶體單元 (D)算術及邏輯單元。
4. 關於電氣設備之工作安全守則,下列敘述何者正確? (A)電氣保險絲熔斷後,可用鐵絲代替 (B)電 氣機械運轉中,如發現有異味及運轉不順等現象時,可繼續工作 (C)在修理電氣設備時,不需切斷 電源 (D)拆除或安裝電氣開關之保險絲前,應先切斷電源。
5. 某 Y 接三相平衡電壓源,其線對線電壓為 220V 有效值,則其相電壓峰值為 (A)(B)220V/ √3V(C) (D) 。
6. 設電壓與電流之瞬時值為 v(t)=200sin(ωt+30°)V,i(t)=10sin(ωt-15°)A,則兩者相角之關係為 (A) 電流落後電壓 15° (B)電壓超前電流 45° (C)電壓落後電流 15° (D)電壓落後電流 45°。
7. 某電動機之輸入電流有效值為 25A,若其電流基本波有效值為 20A,則此電流含有之總諧波電流 有效值為多少? (A)15A (B)20A (C)5A (D)10A。
8. 視圖中斜面之真實狀表現在 (A)側視圖 (B)剖面圖 (C)仰視圖 (D)展開圖。
9. 下列何者非屬職業安全衛生法規定之勞工法定義務? (A)實施自動檢查 (B)參加安全衛生教育訓練 (C)遵守安全衛生工作守則 (D)定期接受健康檢查。
10. 若一電流表滿刻度電流為 50μA,且表頭內阻為 2kΩ,若用來測量 10V 的直流電壓,應串聯的 倍率電阻為 (A)198kΩ (B)200kΩ (C)2kΩ (D)20kΩ。
11. 當用電設備遭遇電源不足或輸配電設備受限制時,導致用戶暫停或減少用電的情形,常以下列何 者名稱出現? (A)限電 (B)停電 (C)配電 (D)斷電。
12. 下列何種開發行為若對環境有不良影響之虞者,應實施環境影響評估:
A.開發科學園區;B.新建 捷運工程;C.採礦。 (A)AC (B)BC (C)AB (D)ABC。
13. 在布林代數中,若 A=B=C=D=1 時,則下列何者為錯誤? (A) (B) (C)AB+CD=1 (D) 。
14. 微電腦中之 ALU 表示 (A)控制單元 (B)記憶體 (C)輸入/輸出單元 (D)算術及邏輯運算單元。
15. 將輸入波形截去一部份而輸出其餘部份者是為 (A)箝位器 (B)微分器 (C)積分器 (D)截波器。
16. 下列何者與職場母性健康保護較不相關? (A)性別平等工作法 (B)動力堆高機型式驗證 (C)職業安全衛生法 (D)妊娠與分娩後女性及未滿十八歲勞工禁止從事危險性或有害性工作認定標準。
17. 下圖是表示什麼元件符號
(A)積體電路 (B)排阻 (C)電容 (D)電晶體。
18. 下圖所示電路中,振盪週期為
(A)2.2RC (B)1.38RC (C)101RC (D)0.69RC。
19. 示波器中 TIME/DIV 之旋鈕,可做為調整顯示波形之 (A)高度 (B)亮度 (C)線條粗細 (D)寬度。
20. 安全門或緊急出口平時應維持何狀態? (A)保持開門狀態以保持逃生路徑暢通 (B)門可上鎖但不可 封死 (C)門應關上但不可上鎖 (D)與一般進出門相同,視各樓層規定可開可關。
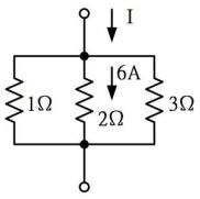
21. 下圖所示電路中,分支電流 I2 為多少安培?
(A)10 (B)16 (C)4 (D)8。
22. 依職業安全衛生設施規則規定,噪音超過多少分貝之工作場所,應標示並公告噪音危害之預防事項,使勞工周知? (A)85 (B)90 (C)75 (D)80。
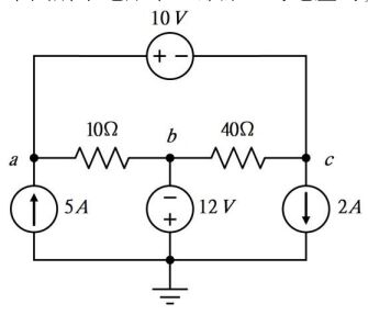
23. 下圖所示電路中,節點 c 的電壓為多少伏特?
(A)4 (B)14 (C)9 (D)-12。
24. 下圖所示電路中,其電流 I 為多少安培?
(A)14A (B)24A (C)12A (D)22A。
25. 下圖所示之單相半波整流電路,輸出電壓平均值為何?
(A)0.426Vp (B)0.2Vp (C)0.318Vp (D)0.538Vp。
26. 與公務機關有業務往來構成職務利害關係者,下列敘述何者「正確」? (A)高級茶葉低價售予有利 害關係之承辦公務員,有價購行為就不算違反法規 (B)機關公務員藉子女婚宴廣邀業務往來廠商之 行為,並無不妥 (C)將餽贈之財物請公務員父母代轉,該公務員亦已違反規定 (D)與公務機關承辦 人飲宴應酬為增進基本關係的必要方法。
27. 小明拿到「垃圾強制分類」的宣導海報,標語寫著「分 3 類,好 OK」,標語中的分 3 類是指家 戶日常生活中產生的垃圾可以區分哪三類? (A)資源垃圾、廚餘、事業廢棄物 (B)資源垃圾、廚 餘、一般垃圾 (C)資源垃圾、一般廢棄物、事業廢棄物 (D)一般廢棄物、事業廢棄物、放射性廢棄 物。
28. SCR 可以藉由什麼方式使其關閉? (A)陽極電流中斷 (B)在閘極加上大的負脈波電壓 (C)在閘極加上 大的正電壓 (D)在閘極加上大的負電壓。
29. 某個五色電阻器的色碼排列是紅棕棕紅棕,其電阻值為多少? (A)21120Ω 誤差 1% (B)21.1kΩ 誤 差 1% (C)21.1kΩ 誤差 5% (D)21120Ω 誤差 0.1%。
30. 下圖半加器(H.A.)的 S(和)輸出為
(A)(B)AB (C)A⊕B (D)A+B。
31. TTL IC 的高輸入準位臨界值為 (A)1.6V (B)3.0V (C)2.4V (D)2.0V。
32. 澆花的時間何時較為適當,水分不易蒸發又對植物最好? (A)半夜十二點 (B)下午時段 (C)清晨或傍 晚 (D)正中午。
33. 電容 103K 代表其電容值為 (A)0.1μF (B)0.01μF (C)10μF (D)1μF。
34. 下圖為示波器螢幕顯示的波形,示波器的設定為:Time=1ms/DIV;Volts=2V/DIV,請問以下對 量測到的正弦波的敘述,何者為正確的?
(A)波的週期時間為 8ms;電壓的峰對峰值為 8V (B)波的 週期時間為 8ms;電壓的峰對峰值為 4V (C)波的週期時間為 4ms;電壓的峰對峰值為 8V (D)波的週 期時間為 4ms;電壓的峰對峰值為 4V。
35. 三相變流器之直流供應電壓為 300V,若負載為三相平衡且變流器以六步方波方式操作,則變流 器輸出相電壓最大值為多少? (A)100V (B)300V (C)150V (D)200V。
36. 下圖所示串並聯電路,其端點 A、B 間之總電阻為 8Ω,求電阻 R3 應為多少?
(A)0.36Ω (B)2.67Ω (C)2Ω (D)4Ω。
37. 10kΩ、4W 的電阻器所能加的最大電壓是 (A)100V (B)200V (C)50V (D)150V。
38. 四極感應電動機之頻率為 60Hz,其同步旋轉磁場之旋轉速度為多少? (A)1800rpm (B)1200rpm (C)3600rpm (D)2400rpm。
39. 下圖所示電路功能為
(A)微分器 (B)積分器 (C)減法器 (D)放大器。
40. 某個 4 位半之數位式電壓表,最大顯示為 (A)39999 (B)3999 (C)19999 (D)1999。
41. 功率雙極性接面電晶體除在開關切換期間外,不可工作於 (A)逆向區 (B)作用區 (C)飽和區 (D)截止 區。
42. 以交流電壓表量測正弦波信號時,其指示值係為 (A)瞬間值 (B)平均值 (C)最大值 (D)有效值。
43. 下列何者是酸雨對環境的影響? (A)增加水生動物種類 (B)土壤肥沃 (C)湖泊水質酸化 (D)增加森林生 長速度。
44. 小吳是公司的專用司機,為了能夠隨時用車,經過公司同意,每晚都將公司的車開回家,然而, 他發現反正每天上班路線,都要經過女兒學校,就順便載女兒上學,請問可以嗎? (A)不可以,這 是公司的車不能私用 (B)可以,要資源須有效使用 (C)可以,反正順路 (D)可以,只要不被公司發現 即可。
45. 下列何種電阻器可耐高溫並能通過大電流? (A)碳膜電阻 (B)金屬膜電阻 (C)水泥電阻 (D)排阻。
46. 下圖為一非反相放大器,=±15V,其中 =500kΩ、R1 =100kΩ 及 V1 =2V,則 V0 為多少?
(A)14V (B)10V (C)12V (D)6V。
47. 一個具有下截止頻率為 1kHz 和上截止頻率 10kHz 的交流放大器,其頻寬為 (A)11kHz (B)1kHz (C)10kHz (D)9kHz。
48. 關於綠色採購的敘述,下列何者錯誤? (A)選購對環境傷害較少、污染程度較低的產品 (B)採購由 回收材料所製造之物品 (C)採購的產品對環境及人類健康有最小的傷害性 (D)以精美包裝為主要首 選。
49. 在正常操作,且提供相同暖氣之情形下,下列何種暖氣設備之能源效率最高? (A)冷暖氣機 (B)電 暖爐 (C)電熱輻射機 (D)電熱風扇。
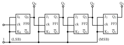
50. 下圖所示電路為何種計數器?
(A)漣波計數器 (B)移位暫存器 (C)同步下數計數器 (D)同步上數計數 器。
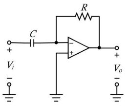
51. 下圖所示電路中,電流為連續,若正負半波對稱觸發且(T 1、T 4 )及(T 2、T 3 )成對導通,則波形可能為何?
(A) (B)(C) (D) 。
52. 關於雙極性電晶體(BJT)和場效應電晶體(FET)兩種電晶體的比較,下列何者有誤? (A)BJT 和 FET 都是電壓控制的電流源 (B)在積體電路製作上,BJT 較 FET 佔較大的空間 (C)BJT 是雙載子元件, 而 FET 是單載子元件 (D)FET 做為放大器產生的雜訊較 BJT 為低。
53. ,下標表示數字進位系統,則 x 為何? (A)12 (B)9 (C)7 (D)10。
54. 閘流體中可以由閘極激發,也可以由閘極截止的是 (A)DIAC (B)TRIAC (C)GTO (D)SCR。
55. 電阻為 3Ω,電感抗為 8Ω 及電容抗為 4Ω,則其串聯總阻抗之絕對值為 (A)15Ω (B)5Ω (C)11Ω (D)7Ω。
56. 下圖之邏輯閘之布林(Boolean)函數為
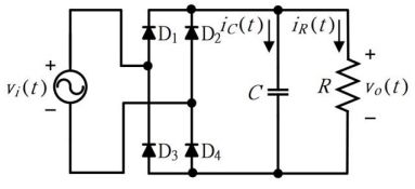
(A)Y=A⊕B (B)Y=A・B (C)Y=A+B (D) 。
57. 檢舉人向有偵查權機關或政風機構檢舉貪污瀆職,必須於何時為之始可能給與獎金? (A)犯罪未遂 前 (B)犯罪未起訴前 (C)犯罪未發覺前 (D)預備犯罪前。
58. 繞線式三相感應電動機起動時,若在轉部外加電阻,其目的為 (A)起動電流減小,且起動轉矩亦減 小 (B)起動電流與起動轉矩均增大 (C)起動電流減小,但起動轉矩不變 (D)起動電流減小,但起動轉 矩增大。
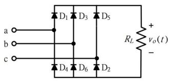
59. 我國固定污染源空氣污染防制費以何種方式徵收? (A)依營業額徵收 (B)隨使用原料徵收 (C)依排放 污染物之種類及數量徵收 (D)按工廠面積徵收。
60. 大雄擔任公司部門主管,代表公司向公務機關投標,為使公司順利取得標案,可以向公務機關的 採購人員為以下何種行為? (A)為了解招標文件內容,提出招標文件疑義並請說明 (B)為避免報價 錯誤,要求提供底價作為參考 (C)為社交禮俗需要,贈送價值昂貴的名牌手錶作為見面禮 (D)為與 公務機關間有良好互動,招待至有女陪侍場所飲宴。
61. 關於量測電路中的電流,下列何者正確? (A)電路串聯微小電阻,量測其端電壓,再依歐姆定理換 算其電流 (B)電路並聯微小電阻,量測其端電壓,再依歐姆定理,換算其電流 (C)電路串聯很大電 阻,量測其端電壓,再依歐姆定理,換算其電流 (D)利用霍爾效應偵測元件之電流偵測器。
62. 在元件佈置圖繪製的電子元件中,下列選項中哪些為電晶體元件? (A)(B)(C)Q(D) 。
63. 交流電壓加在電感性的負載上,則電壓與電流的關係為何?負載虛功率的情況為何? (A)電壓的相 位落後電流相位 (B)虛功率為正值 (C)電壓的相位領先電流相位 (D)虛功率為負值。
64. 某電動機輸出為 10kW,其效率為 80%,工作 10 小時,試求需要多少仟瓦小時?若電費每度 3.0 元,試問需多少電費? (A)100 仟瓦小時 (B)125 仟瓦小時 (C)300 元 (D)375 元。
65. 下圖所示電路,下列敘述何者正確?
(A)該電路可做為微分器 (B)該電路為非反相放大器 (C)該電路可做為積分器 (D)電阻器 可避免輸出電壓飽和問題。
66. 下列關於共射極電晶體放大電路之敘述何者正確? (A)信號加於基極,輸出由射極取出 (B)電壓增益為負值 (C)信號加於基極,輸出由集極取出 (D)電壓增益及電流增益都高。
67. 下列哪些通訊協議為串列型式? (A)I 2C (B)SPI (C)IEEE 1284 (D)USB 3.0。
68. 下圖所示之電壓波形 v(t),下列哪些選項正確?
(A)週期為 2s (B)平均值為 10V (C)峰對峰值為 15V (D)有效值為 。
69. 關於理想二極體的特性,下列何者正確? (A)順向偏壓時,二極體兩端如同短路 (B)逆向偏壓時, 二極體兩端如同短路 (C)逆向偏壓時,二極體兩端如同開路 (D)順向偏壓時,二極體兩端如同開 路。
70. 電力電子不可控制元件(uncontrolled devices),下列哪些選項正確? (A)功率二極體(diode) (B)金氧 半場效電晶體(MOSFET) (C)電晶體(BJT) (D)肖特基二極體(Schottky diode)。
71. 弦波電源與非線性負載,弦波電源為,非線性負載電流 ,下列哪些選項正確? (A)負載功率因數為 (B)電流有效值為 (C)電流平均值為 I 0 A (D)負載吸收的平均功率為 V1I0W。
72. 下圖所示之具有濾波電容橋式全波整流電路,輸入電源為 ,ω=2πf,f 表示頻 率(Hz),下列哪些選項正確?
(A)二極體導通時輸出電壓為(B)二極體截止時輸出電壓 為 0V (C)二極體電流為正弦波 (D)峰對峰值輸出漣波電壓約為 。
73. 靈敏度為 20kΩ/V 之伏特計,將其切換至 50V 檔,來測量下圖所示 a、b 兩端之電壓為 50V,所 測得之電壓及測量之準確度?
(A) (B)90.91% (C)91.91% (D)。
74. 電力電子轉換電路中,磁性元件是指利用磁能來達到下列哪項功能之電子元件? (A)隔離 (B)濾波 (C)儲能 (D)散熱。
75. 下圖所示三相平衡交流電壓經過一個三相全波二極體橋式整流電路連接至一個 100Ω 電阻器負載,若三相電壓之相電壓峰值為 180V,且二極體為理想元件,下列哪些選項正確?
(A)每一瞬間都有 2 個二極體導通 (B)負載的直流電壓約為 300V (C)通過每一個二極體的峰值電流約為 3.12A (D) 一個週期中每個二極體導通 60°。
76. 下列哪些選項對電力轉換器中的電感器與電容器特性之敘述正確? (A)穩態操作時,電容器電流之 平均值為零 (B)電感器與電容器之電流值皆可瞬間改變 (C)在降壓型轉換器中,電壓的漣波率與電 感值以及電容值皆相關 (D)穩態操作時,電感器電壓需伏特秒平衡。
77. 兩平行極板夾上介電質所構成之電容器中,其電場強度、儲存的能量和電容值決定於 (A)平行極板 面積 (B)介電材料 (C)平行極板距離 (D)平行極板形狀。
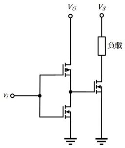
78. N 型 MOSFET 的驅動級電路,下列哪些選項正確? (A) (B) (C) (D) 。
79. 下列哪些材質的電容較適合應用於高頻(1MHz 以上)濾波電路? (A)陶瓷電容 (B)雲母電容 (C)電解電容 (D)鉭質電容。
80. 下列何者為解決按鈕開關彈跳信號的方法? (A)加上 SR 栓鎖(Latch)電路 (B)於開關上串聯電容 (C)於開關上並聯電容 (D)提高電壓。