所屬科目:泉勝◆基本電學實習
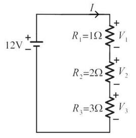
1. 串聯電路各元件的電壓降之和,等於所有元件之電壓升總和,此為克希荷夫電壓定律。(A)O (B)X
2. 串聯總電阻等於所有串聯電阻之和:RT= R1+R2+R3…+RN。(A)O (B)X
3. 串聯的所有元件電壓都相同。(A)O (B)X
4. 兩個電阻串聯,電阻值越大,其端電壓越大,此即為電壓分配定則。(A)O (B)X
5. 串聯時,元件位置互換,電流也相同。(A)O (B)X
6. 串聯時,任一元件斷路,則所有元件都沒有電流。(A)O (B)X
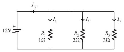
7. 並聯電路各元件的電壓降都相同。(A)O (B)X
8. 並聯總電阻等於所有並聯電阻倒數之和再倒數RT=1/(1/R1+1/R2+1/R3… +1/RN)。(A)O (B)X
9. 並聯的所有元件流入的電流等於流出的電流之和IT= I1 + I2 + I3… + lN。(A)O (B)X
10. 電阻並聯時,電阻值越大,流過的電流越大,此為電流分配定則。(A)O (B)X
11. 並聯時,任一元件斷路,其它元件都可正常運作,家用電器都是並聯連接,所以任意電器故障,其它電器都是正常運作。(A)O (B)X
12. 下圖的 R2,都沒有電流。(A)O (B)X
13. 下圖的 R1,都沒有電流。(A)O (B)X
14. 下圖的電腦機殼有接地,若電源線被老鼠咬破,而接觸機殼,當人類碰觸機殼時,也不會觸電。(A)O (B)X
15. 電腦買來時,都有接地線,若您將接地線拆掉,若電源線被老鼠咬破,而接觸機殼,當人類碰觸機殼時,也不會觸電。(A)O (B)X
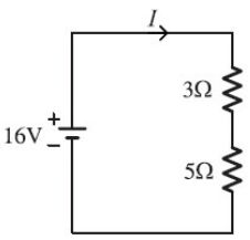
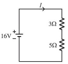
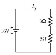
16. 下圖的 Vba 、Vca、Vda 都相同,都是 12V。(A)O (B)X
17. 下圖的 Vba、Vca 都相同,都是 4V。(A)O (B)X
18. 下圖的 Vcd、Vbd、Ved 都相同,都是 12V。(A)O (B)X
19. 下圖 3Ω 電阻沒有電流。(A)O (B)X
20. 下圖 1Ω 電阻沒有電流。(A)O (B)X
21. 電路如圖,R1=3Ω,R2=6Ω,求 Vca的電壓?(A) OV (B) 12V (C) -12V (D) 8V
22. 電路如圖,求 Vba?(A) 4V (B) 2V (C) 3V (D) 1V
23. 電路如圖,求 Vbd ?(A)4V (B)2V(C)3V(D)12V
24. 電路如圖,求 Vda ?(A)0V (B)2V(C)-8V(D)12V
25. 下圖的 E1+E2=V1+V2+V3,此稱為克希荷夫電壓定律。(A)O (B)X。
26. 下圖的 E1+E2=V1+V2+V3。(A)O (B)X。
27. 下圖的 I1、I2、I3 都相同。(A)O (B)X
28. 電路如圖,請計算總電阻RT?(A)2Ω(B)4Ω(C)6Ω(D)12Ω
29. 電路如圖,請計算總I?(A)1A(B)2A(C)3A(D)4A
30. 電路如圖,請計算 V1?(A)1V(B)2V(C)3V(D)4V
31. 電路如圖,請計算 R2的功率P?(A)8W(B)12W(C)13W(D)14W
32. 電路如圖,請計算總電阻RT?(A)2Ω(B)4Ω(C)6Ω(D)8Ω
33. 電路如圖,請計算總I?(A)1A(B)2A(C)3A(D)4A
34. 電路如圖,請計算 3Ω 電阻的壓降?(A)1V(B)2V(C)3V(D)6V
35. 電路如圖,請計算 3Ω 電阻的功率P?(A)8W(B)12W(C)13W (D) 14W
36. 電路如圖,請計算總功率P?(A)8W(B)12W(C)20W(D)22W
37. 電路如圖,已知6Ω電阻分壓是12V,請問R1 = 4Ω的V1 是多少?(A)1V(B)2V(C)6V(D)8V
38. 電路如圖,已知6Ω電阻分壓是12V,請問E是多少?(A)1V(B)12V(C)16V (D)20V
39. 電路如圖,若R3 = 6Ω,求R1=?(A) 2Ω (B) 14Ω (C) 16Ω (D) 180Ω
40. 電路如圖,若R3 = 6Ω,求I=?(A)1A(B)2A(C)3A(D)4A
41. 電路如圖,若R3 = 6Ω,求RT=(A)20Ω(B)30Ω(C)32Ω(D)36Ω
42. 如圖所示,求 VC ?(A)1V(B)2V(C)9V(D)10V(台電 103)
43. 1Ω與4Ω的電阻串接在10V的電源,請問V1Ω?(A)1V(B)2V(C)9V (D)10V
44. 1Ω與4Ω的電阻串接在10V的電源,請問P1Ω?(A)8W(B)12W (C)20W (D)4W
45. 1Ω、2Ω與6Ω的電阻串接在9V 的電源,請問V1Ω?(A)1V(B)2V(C)9V(D)10V
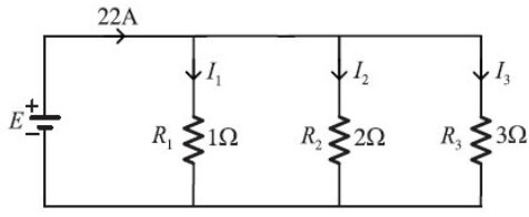
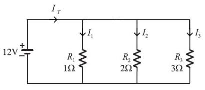
46. 以下電路的I1、I2、I3都相同。(A)O (B)X
47. 以下電路的 VT、V1、V2、V3 都相同。(A)O (B)X
48. 以下電路 IT=I1+I2+I3,此稱為克希荷夫電壓定律。(A)O (B)X
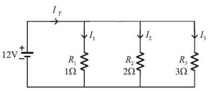
49. 電路如圖,試求I1?(A)10A(B)12A(C)14A(D)15A
50. 電路如圖,試求總電流IT ?(A)10A(B)22A(C)24A(D)25A
51. 電路如圖,試求總電阻RT ?(A)0.2Ω(B)0.54Ω(C)6Ω(D)3Ω
52. 電路如圖,試求R2的功率P2 ?(A) 144W (B) 72W (C) 48W (D) 264W
53. 電路如圖,總功率 PT ?(A)144W (B) 72W (C) 48W (D) 264W
54. 電路如圖,試求I = ?(A)2A (B) 3A (C) 5A (D) 6A
55. 電路如圖,試求RT = ?(A) 10 (B) 1.2Ω(C) 1.2kΩ (D) 30
56. 若將5 個10Ω串聯,外接100V電源,則總電阻是多少?(A)10Ω(B)20Ω(C)50Ω(D)50kΩ
57. 若將5 個10Ω串聯,外接100V電源,總功率是多少?(A)100W(B)200W(C)300W(D)250W
58. 若將5 個10Ω並聯,外接100V電源,則總電阻是多少?(A)1Ω(B)2Ω(C)5Ω(D)5kΩ
59. 若將5 個10Ω並聯,外接100V電源,總功率是多少?(A)1KW(B)2kW(C)3kW(D)5kW
60. 電路如圖,試求I1?(A)3A (B)2A (C) 1A (D) 4A
61. 電路如圖,試求E?(A) 18V (B) 16V (C) 15V (D) 6V
62. 若電路如圖,試求I1?(A)12A(B)3A(C)5A(D)16A
63. 若電路如圖,電源電壓是多少?(A)10V(B)12V(C)9V(D)8V
64. 電路如圖,若 I1 = 6A,則 I= ?(A)12A(B)3A(C)5A(D)13A
65. 電路如圖,若 I1 = 6A,則 E=?(A)10V(B)12V (C)9V(D)8V
66. 以下兩個電路等效。(A)O (B)X
67. 以下兩個電路等效。(A)O (B)X
68. Y 轉△公式如下:(A)O (B)X
69. △轉 Y 公式如下:
(A)O (B)X