阿摩線上測驗
登入
首頁
>
技檢◆汽車修護-丙級
> 114年 - 02000 汽車修護 丙級 工作項目 07:專業英文及手冊查閱 1-46(2025/10/15 更新)#132202
114年 - 02000 汽車修護 丙級 工作項目 07:專業英文及手冊查閱 1-46(2025/10/15 更新)#132202
科目:
技檢◆汽車修護-丙級 |
年份:
114年 |
選擇題數:
46 |
申論題數:
0
試卷資訊
所屬科目:
技檢◆汽車修護-丙級
選擇題 (46)
1. Hammer 是下列何種工具之英文名稱? (A)榔頭 (B)開口扳手 (C)梅花扳手 (D)斜口鉗 。
2. Combination Plier 是下列何種工具之英文名稱? (A)尖嘴鉗 (B)管鉗 (C)鯉魚鉗 (D)固定鉗 。
3. Impact Driver 是下列何種工具之英文名稱? (A)平口起子 (B)十字起子 (C)螺絲起子 (D)衝擊起子 。
4. Ratchet Handle 是下列何種工具之英文名稱? (A)棘輪扳手 (B)梅花扳手 (C)十字扳手 (D)開口扳手 。
5. Coolant 是下列何者之英文名稱? (A)冷卻管 (B)冷卻水套 (C)冷卻液 (D)冷卻油 。
6. Brake Light 是下列何者之英文名稱? (A)煞車油 (B)煞車燈 (C)煞車油管 (D)煞車踏板 。
7. Fan Belt 是下列何者之英文名稱? (A)風扇皮帶 (B)風扇葉片 (C)風扇罩 (D)風扇殼 。
8. Fuel Tank 是下列何者之英文名稱? (A)供油泵 (B)燃油系 (C)燃料濾杯 (D)燃油箱 。
9. Gear Oil 是下列何者之英文名稱? (A)齒輪泵 (B)齒輪比 (C)齒輪油 (D)齒輪組 。
10. Diesel Fuel 是下列何者之英文名稱? (A)汽油 (B)柴油 (C)煤油 (D)機油 。
11. Air Cleaner 是下列何者之英文名稱? (A)空氣濾清器 (B)機油濾清器 (C)柴油濾清器 (D)汽油濾清器 。
12. Muffler 是下列何者之英文名稱? (A)共振器 (B)消音器 (C)觸媒轉換器 (D)含氧感知器 。
13. Alternator 是下列何者之英文名稱? (A)起動馬達 (B)壓縮機 (C)發電機 (D)動力轉向泵 。
14. Exhaust System 是下列何者之英文名稱? (A)排氣系統 (B)進氣系統 (C)轉向系統 (D)燃料噴射系統 。
15. Ampere 是下列何者之單位名稱? (A)電壓 (B)電阻 (C)電容 (D)電流 。
16. Valve 是下列何者之英文名稱? (A)活塞 (B)連桿 (C)氣門 (D)曲軸 。
17. Battery 是下列何者之英文名稱? (A)電瓶 (B)分電盤 (C)發火線圈 (D)外電阻 。
18. Clutch 是下列何者之英文名稱? (A)變速箱 (B)離合器 (C)傳動軸 (D)差速器 。
19. Condenser 是下列何者之英文名稱? (A)電容器 (B)白金 (C)發火線圈 (D)外電阻 。
20. 引擎構件 Head Gasket 是下列何者之英文名稱? (A)油封 (B)汽缸床墊片 (C)油環 (D)軸承 。
21. Gear ratio 是下列何者之英文名稱? (A)齒數 (B)轉速 (C)齒輪比 (D)齒輪組 。
22. Ground 是汽車電系中何者之英文名稱? (A)短路 (B)斷路 (C)開路 (D)搭鐵 。
23. Injector 是燃料系中,何者之英文名稱? (A)空氣流量計 (B)噴射器 (C)含氧感知器 (D)怠速提速器 。
24. ABS 是下列何者之英文縮寫? (A)Anti-Lock Brake System (B)Auto-BrakeSystem (C)Anti-Lock Boost System (D)Auto-Bleed System 。
25. Relay 是下列何者之英文名稱? (A)控制盒 (B)保險絲 (C)繼電器 (D)開關 。
26. Ignitor 是下列何者之英文名稱? (A)火星塞 (B)點火器 (C)分電盤 (D)變速器 。
27. EGR 是下列何者之英文縮寫? (A)蒸發油氣控制 (B)二次空氣控制 (C)廢氣再循環 (D)觸媒轉換器 。
28. 在汽車空調系統中,Expansion Valve 其功能為何? (A)蒸發 (B)加壓 (C)冷凝(D)降壓 。
29. Headlights 是下列何者之英文名稱? (A)頭燈 (B)方向燈 (C)尾燈 (D)儀錶燈 。
30. SRS(Supplemental Restranit System)是下列何者之英文名稱? (A)循跡控制系統 (B)車身穩定系統 (C)衛星導行系統 (D)輔助防護系統 。
31. Armature 是下列何者之英文名稱? (A)發電機 (B)磁場 (C)電流 (D)電樞 。
32. Manual Transmission 是下列何者之英文名稱? (A)自動變速箱 (B)特殊變速箱 (C)手動變速箱 (D)扭力變換器 。
33. Automatic Transmission 是下列何者之英文名稱? (A)扭力變換器 (B)手排變速箱 (C)自動變速箱 (D)觸媒轉換器 。
34. Preload 是指 (A)角尺齒輪 (B)起動扭力 (C)螺帽鎖緊扭力 (D)預負荷 。
35. 四輪傳動之英文縮寫字為何? (A)4WB (B)4WS (C)4WD (D)4WE 。
36. Transaxle 是指何種構造? (A)變速箱 (B)差速器 (C)變速箱與差速器結合之聯合傳動器 (D)變速軸 。
37. 從車前看輪胎中心線與鉛垂線之夾角英文名稱稱為? (A)Caster (B)Camber(C)Toe-in (D)King pin inclination 。
38. 前束是是下列何者之中文名稱? (A)Toe-in (B)Toe-out (C)Caster (D)Camber 。
39. 輻射輪胎是下列何者之中文名稱? (A)Bias Belted Tire (B)Bias Tire (C)SteelTire (D)Radial Tire 。
40. Tubeless Tire 是下列何者之英文名稱? (A)高速胎 (B)普通胎 (C)低壓胎 (D)無內胎輪胎 。
41. Lithium-Ion Battery 為下列何者? (A)鉛酸電池 (B)鋰離子電池 (C)鎳氫電池(D)燃料電池 。
42. Plug-in Hybrid(PHEV)為下列何者? (A)增程式油電混合車 (B)燃料電池車 (C)純電動車 (D)插電式油電混合車 。
43. Idle-stop System 為下列何者? (A)再生剎車系統 (B)充電系統 (C)怠速熄火系統 (D)啟動系統 。
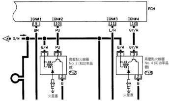
44. 圖為點火系統之點火線圈線路,下列敘述何者正確?
(A)電源線(G/W)為白底灰色 (B)搭鐵線(B)為藍色 (C)NO.4 之訊號線(GY/R)為紅底綠色 (D)NO.2 的訊號線(PU)為紫色 。
45. 如圖所示進行汽缸蓋螺栓鎖緊時,下列敘述何者正確?
(A)該螺栓需分兩次鎖緊 (B)a-b 為鎖到 3kg-m 後放鬆,再鎖緊到 6kg-m (C)b-c 是將螺栓放鬆到 0kg-m (D)鎖到 e 之後要再鎖緊 90 度角 。
46. MIL 是指 (A)診斷接頭 (B)保養指示燈 (C)引擎故障燈 (D)故障碼 。
申論題 (0)
相關試卷
114年 - 02000 汽車修護 丙級 工作項目 06:工作安全與衛生 1-37(2025/10/15 更新)#132201
114年 · #132201
114年 - 02000 汽車修護 丙級 工作項目 05:汽車電系修護 151-191(2025/10/15 更新)#132200
114年 · #132200
114年 - 02000 汽車修護 丙級 工作項目 05:汽車電系修護 101-150(2025/10/15 更新)#132199
114年 · #132199
114年 - 02000 汽車修護 丙級 工作項目 05:汽車電系修護 51-100(2025/10/15 更新)#132198
114年 · #132198
114年 - 02000 汽車修護 丙級 工作項目 05:汽車電系修護 1-50(2025/10/15 更新)#132197
114年 · #132197
114年 - 02000 汽車修護 丙級 工作項目 04:汽車底盤修護 151-192(2025/10/15 更新)#132196
114年 · #132196
114年 - 02000 汽車修護 丙級 工作項目 04:汽車底盤修護 101-150(2025/10/15 更新)#132195
114年 · #132195
114年 - 02000 汽車修護 丙級 工作項目 04:汽車底盤修護 51-100(2025/10/15 更新)#132194
114年 · #132194
114年 - 02000 汽車修護 丙級 工作項目 04:汽車底盤修護 1-50(2025/10/15 更新)#132193
114年 · #132193
114年 - 02000 汽車修護 丙級 工作項目 03:汽車引擎修護 201-241(2025/10/15 更新)#132192
114年 · #132192