阿摩線上測驗
登入
首頁
>
技檢◆工業電子-丙級
> 114年 - 02800 工業電子 丙級 工作項目 10:數位系統 1-65(2025/10/16 更新)#132274
114年 - 02800 工業電子 丙級 工作項目 10:數位系統 1-65(2025/10/16 更新)#132274
科目:
技檢◆工業電子-丙級 |
年份:
114年 |
選擇題數:
65 |
申論題數:
0
試卷資訊
所屬科目:
技檢◆工業電子-丙級
選擇題 (65)
1. 二進位數 110111,其等效之十進位數為 (A)49 (B)55 (C)62 (D)103 。
十進位數 38,其等效之 BCD 碼為 (A)111000 (B)100110 (C)00111000 (D)00100110 。
3. 下圖所示,經化簡後其最簡函數 F 為
(A)
(B)
(C)
(D)
。
4. 下圖所示,W 為
(A)
(B)
(C)
(D)
。
5. 下圖所示,W 為
(A)
(B)
(C)XY+XY (D)X+Y 。
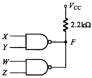
6. 下圖所示若兩個反及閘皆為開集極輸出閘,其輸出 F 為
(A)
(B)
(C)
(D)
。
欲設計一個除 99 的非同步計數器,至少需若干正反器? (A)6 (B)7 (C)8 (D)10個。
8. 下圖所示若輸入端 Fi n加入一個 20kHz 之方波信號,則其輸出信號 F
out
頻率為
(A)20kHz (B)10kHz (C)5kHz (D)2kHz 。
下列那種 IC 的消耗功率最低 (A)7400 (B)54H00 (C)74S00 (D)74LS00 。
10. 下列四個邏輯閘表示圖,何者為正確?(A)
(B)
(C)
(D)
。
11. 將 0.625
(10)
轉換成二進位,其值為 (A)0.011 (B)0.010 (C)0.111 (D)0.101 。
12. 下述哪個邏輯閘具有下圖的真值表
(A)
(B)
(C)
(D)
。
13. 8 個位元所能表示的最大值為 (A)8000
(10)
(B)11111111
(10)
(C)255
(10)
(D)512
(10)
。
14. 下列四個邏輯閘表示圖,何者為正確?(A)
(B)
(C)
(D)
。
正邏輯閘的 OR gate 相當於負邏輯閘的 (A)AND (B)OR (C)NAND (D)NORgate。
TTL 數位電路的輸入端高電位(H)與低電位(L)是由下列何種電位範圍來區分: (A)0.8V 以下為 L,2.4V 以上為 H (B)0.4V 以下為 L,2.0V 以上為 H (C)0.8V 以下為 L,2.0V 以上為 H (D)0.4V 以下為 L,2.4V 以上為 H 。
布氏代數 f=A'C+A'B+AB'C+BC 可簡化為 (A)ABC (B)A+B+C (C)AB+AC (D)C+A'B 。
三個正反器連接起來的計數器,最多可當成除以 (A)2 (B)4 (C)8 (D)16 的除頻器。
所謂同步計數器是表示所有正反器的 (A)Clock (B)Clear (C)Preset (D)Set 的接腳全部接在一起,施以同步控制。
TTL 74 系列中,下列何者的處理速度最快? (A)74S (B)74L (C)74LS (D)74H 。
21. 下圖 Y 為
(A)0 (B)1 (C)A (D)
。
22. 下列何者具有反及閘(NAND)功能? (A)
(B)
(C)
(D)
。
23. 下圖的邏輯電路其布林代數表示為
(A)
(B)
(C)
(D)Y=A⊕B 。
下列各邏輯族中何者之交換速度最快 (A)TTL (B)NMOS (C)CMOS (D)ECL 。
25. 在 J.K 正反器中,J=0、K=1 時,當 CLOCK(時脈)信號激發後,其輸出 Q 與
為 (A)Q=1,
=1 (B)Q=0,
=1 (C)Q=0, =0 (D)Q=1,
=0 。
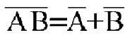
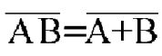
26. 依據狄莫根(DEMORGAN'S)定理,下列何者正確? (A)
(B)
(C)
(D)
。
27. 下圖為何種正反器?
(A)D 型 (B)T 型 (C)RS 型 (D)JK 型 。
在二進制表示法中,10110.11 相當於十進制的 (A)20.5 (B)22.75 (C)24.25 (D)27.05 。
29. 下圖邏輯閘以布林代數表示為
(A)Y=A‧B (B)Y=A+B (C)
(D)
。
30. F(A,B,C)=Σ(0,2,3,4,6,7)化成最簡函式為 F(A,B,C)= (A)B+C (B)
(C)
(D)
。
電腦 CPU 中的算術邏輯單元處理運算時,資料儲存的地方為何? (A)硬碟(B)暫存器 (C)隨身碟 (D)記憶體 。
1GB 的記憶體至少需幾條位址線來定址? (A)8 條 (B)16 條 (C)24 條 (D)32條 。
64 位元 CPU,其資料匯流排線數通常為何? (A)8 (B)16 (C)32 (D)64 。
電腦資料線內的資料傳輸是雙向性的,但又不能雙向同一時間傳輸,此種傳輸模式稱為 (A)單工 (B)半雙工 (C)雙工 (D)分工 。
國際標準組織所制定的開放式系統連結架構共有幾層? (A)5 (B)6 (C)7 (D)8 。
下列何者為常用無線資料傳輸介面? (A)USB (B)Bluetooth (C)RS232 (D)1394 。
下列何者不為常用無線通訊協定? (A)GPRS (B)FTP (C)IEEE802.11b (D)IrDA 。
下列各邏輯電路元件,何者消耗功率最低? (A)TTL (B)CMOS (C)ECL (D)DTL 。
電腦中的快取記憶體(Cache Memory)是使用下列何種記憶體組成? (A)DRAM (B)EEPROM (C)SRAM (D)Flash 。
下列何者是順序邏輯電路的代表性元件? (A)TTL 基本邏輯閘 (B)CMOS 基本邏輯閘 (C)正反器 (D)三態邏輯閘 。
八進位數 37 等效於十六進位數 (A)28 (B)18 (C)2F (D)1F 。
十六進位數 2E 等效於二進位數 (A)101111 (B)101110 (C)100111 (D)111110 。
TTL 數位 IC 的輸入腳若空接,其輸入邏輯準位視為 (A)1 (B)0 (C)未定、易受雜訊干擾引起誤動作 (D)依其他輸入端狀態而定 。
CMOS 數位 IC 的輸入腳若空接,其輸入邏輯準位視為 (A)1 (B)0 (C)未定、易受雜訊干擾引起誤動作 (D)高阻抗 。
若 JK 正反器的輸入 J=1、K=1,則其動作等效於 (A)RS 正反器 (B)D 正反器(C)T 正反器 (D)主僕式 RS 正反器 。
下列何種電路屬於組合邏輯電路 (A)計數器 (B)除頻器 (C)移位暫存器 (D)多工器 。
下列何種電路屬於順序邏輯電路 (A)編碼器 (B)解碼器 (C)計數器 (D)多工器 。
下列何種記憶體的資料會因電源中斷而消失 (A)DRAM (B)Flash (C)EPROM(D)EEPROM 。
邏輯閘的延遲時間會影響 (A)工作速度 (B)工作功率 (C)扇入扇出數 (D)消耗功率 。
欲組成 3 位元的記憶體必須使用 (A)2 (B)3 (C)4 (D)6 個正反器 。
邏輯電路中具有記憶能力的元件為 (A)OR Gate (B)NOR Gate (C)AND Gate(D)正反器 。
正反器為 (A)單穩態電路 (B)非穩態電路 (C)雙穩態電路 (D)史密特觸發電路 。
將 100101100011(BCD)轉換成十進位數為 (A)360 (B)630 (C)963 (D)956 。
將二進位 11011111 轉為 2 的補數,若以十六進位表示時,其值為何? (A)20H (B)21H (C)22H (D)23H 。
下列何者不是 BCD 碼? (A)0000 (B)0111 (C)1001 (D)1011 。
常用的 7400IC 是何種邏輯閘? (A)AND (B)OR (C)NOT (D)NAND 。
布林代數的“+”表示兩個開關電路之關係為 (A)串聯 (B)並聯 (C)串並聯 (D)相加 。
布林代數中 F=1+A+BC+ACD+BCE,則化簡後得 F 為 (A)1 (B)A+BC (C)CD+BC (D)BC+CE 。
反及(NAND)閘可以用來實現其他的邏輯閘功能,具有「萬用」特性。下列哪一個邏輯閘同樣可以合成其他的邏輯電路? (A)互斥或(XOR)閘(B)或(OR)閘 (C)反或(NOR)閘 (D)反(NOT)閘 。
60. 如圖所示,y=
之輸入條件為
(A)I
0
I
1
=00 (B)I
0
I
1
=01 (C)I
0
I
1
=10 (D)I
0
I
1
=11 。
61. 有一 J-K 正反器,在不考慮控制輸入下,欲使其輸出為反態現象(Q
n+1
=
),則 J、K 之輸入為何? (A)J=1,K=0 (B)J=1,K=1 (C)J=0,K=0 (D)J=0,K=1 。
62. 如圖電路,若 A=B=C=1,則輸出為
(A)X=0,Y=0 (B)X=1,Y=0 (C)X=0,Y=1 (D)X=1,Y=1 。
63. 二個 BCD 碼相加時,和超過_________時,必須加 6 來補償。 (A)10 (B)6 (C)19 (D)9
一個 4 位元環形計數器(Ring Counter),其輸出 Q3 Q2 Q1 Q0 之初值設為 1000,在正常運作之下,計數器的輸出不會產生下列何種狀態? (A)0100 (B)0010 (C)0001 (D)1001 。
65. 如圖所示,此電路一般可用來做
(A)振盪器用 (B)電流放大電路用 (C)電壓放大電路用 (D)消除開關的彈跳現象用 。
申論題 (0)
相關試卷
114年 - 02800 工業電子 丙級 工作項目 09:電子學 101-147(2025/10/16 更新)#132273
114年 · #132273
114年 - 02800 工業電子 丙級 工作項目 09:電子學 51-100(2025/10/16 更新)#132272
114年 · #132272
114年 - 02800 工業電子 丙級 工作項目 09:電子學 1-50(2025/10/16 更新)#132271
114年 · #132271
114年 - 02800 工業電子 丙級 工作項目 08:電工學 101-128(2025/10/16 更新)#132270
114年 · #132270
114年 - 02800 工業電子 丙級 工作項目 08:電工學 51-100(2025/10/16 更新)#132269
114年 · #132269
114年 - 02800 工業電子 丙級 工作項目 08:電工學 1-50(2025/10/16 更新)#132268
114年 · #132268
114年 - 02800 工業電子 丙級 工作項目 07:測試知識 1-48(2025/10/16 更新)#132267
114年 · #132267
114年 - 02800 工業電子 丙級 工作項目 06:電子儀表使用知識 1-44(2025/10/16 更新)#132266
114年 · #132266
114年 - 02800 工業電子 丙級 工作項目 05:裝配知識 1-55(2025/10/16 更新)#132265
114年 · #132265
114年 - 02800 工業電子 丙級 工作項目 04:零組件知識 1-51(2025/10/16 更新)#132264
114年 · #132264