所屬科目:初等/五等/佐級◆基本電學大意
2 交流電路如圖所示,其電源電壓 E=200∠0° V,則此電流 I1為多少安培?(A) I1=32+j32 (B) I1=32+j24 (C) I1=40+j30 (D) I1=40-j30
4 下列直流電路中已知電阻 R 之電流為 ix,試計算電流源 is之電流值為多少安培? (A) 1 (B) 2 (C) 3 (D) 4
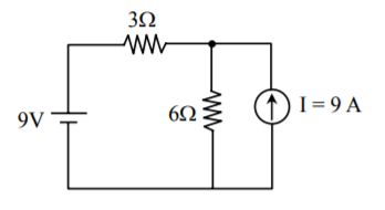
5 如圖示之電路,求 6 Ω 之端電壓為多少伏特? (A) 9 (B) 24 (C) 15 (D) 18
6 下圖所示直流電路,試計算 12 V 電壓源所供給之電功率為多少瓦特? (A) 0 (B) 1 (C) 2 (D) 3
7 在空氣中距某點電荷一段距離量得電位及電場強度分別為 240 V 及 80 N/C,則此點電荷之電量為多 少庫倫?(A)240✖10-8 (B) 24✖10-8 (C) 80 ×10-8 (D) 8×10-8
8 試求出以下所示的直流電路當中,跨接於 10 Ω 電阻器兩端的電壓大小為多少伏特? (A) 50 (B) 75 (C) 100 (D) 125
17 如圖所示,試計算 AB 兩點間之總電阻為多少歐姆? (A) 8 (B) 4 (C) 16 (D) 24
18 如圖所示為由電壓源 V 所供應之電阻電路,已知 I1等於 8 A,試求 IT為多少安培? (A) 10 (B) 18 (C) 8 (D) 4
19 將 3 個電阻值相同之電阻串聯後,加上固定電壓 V,可量得串聯總功率為 P1,又若將此 3 個電阻予 以並聯,且加上固定電壓 V,則可量得並聯總功率 P2,試求 之值為若干? (A) 3 (B) 9 (C) (D)
20 如圖所示,若已知電流表 A 之讀數為 2 A,求 a,b 兩點間之電壓為多少伏特? (A) 20 (B) 36 (C) 108 (D) 24
22 如圖所示含有電容、電感及電阻之直流電路,已知電感 L 為 40 mH、電容 C 為 2 µF,且電路沒有儲 能,則當開關 S 在接通瞬間,直流電壓源所供應之電流大小為多少安培? (A) 1 (B) 2 (C) 3 (D) 4
23 如圖所示含有直流電壓源及直流電流源之電路,則由端點 a 及 b 間所見之戴維寧等效電壓大小為多 少伏特? (A) 12 (B) 18 (C) 30 (D) 48
25 交流電路如圖所示,若 E=100∠0° V(有效值),電感 L 與電容 C 之阻抗大小分別為 5 Ω、10 Ω , 則電流 I 為多少安培? (A) 10+j10 (B) 10-j20 (C) 20-j20 (D) 10-j10
26 電壓 v(t)=50 sin(ωt) V,其峰對峰值電壓 VP-P為多少伏特? (A) 50(B) 100 (C) (D) 50
31 下圖電路中,由給定之 RT總電阻值,求未知電阻值 R 為多少歐姆? (A) 8 (B) 10 (C) 16 (D) 12
35 甲、乙二導線以相同之材質備製,長度亦相同,但甲導線之半徑為乙導線之四倍,則甲導線之電阻 應為乙導線電阻的多少倍? (A) 4 (B) (C) 16 (D)
37 電阻上所顯示的色碼環帶,其中自左邊算起第三條環帶所代表的意義為: (A)個位數 (B)十位數 (C)公差 (D)前二位數值的十乘冪值
38 如圖所示之電路 R1=20 Ω,R2=20 Ω,R5=30 Ω,R3=30 Ω,I=0 A,V=100 V,試計算 R4之電阻 為多少歐姆? (A) 20 (B) 30 (C) 60 (D) 80
39 當 RL=450 k Ω時,圖示電路的 Vo值為多少伏特? (A) 45 (B) 96 (C) 144 (D) 36