阿摩線上測驗
登入
首頁
>
初等/五等/佐級◆基本電學大意
> 95年 - 95 地方政府特種考試_五等_電子工程:基本電學大意#49729
95年 - 95 地方政府特種考試_五等_電子工程:基本電學大意#49729
科目:
初等/五等/佐級◆基本電學大意 |
年份:
95年 |
選擇題數:
40 |
申論題數:
0
試卷資訊
所屬科目:
初等/五等/佐級◆基本電學大意
選擇題 (40)
1 某電阻色碼只有三環,表示其誤差為: (A) 5% (B) 10% (C) 15% (D) 20%
2 某電動機輸出功率為 5 kW,效率為 80%,則此電動機的損失為多少 kW? (A)1 (B) 1.25 (C) 1.5 (D)4
3 有一浸入式電熱器,其電阻為 20Ω,通過電流為 5A,今有初始溫度為 20℃的水 3600 公克,以電熱器加熱 5 分鐘,假設電熱器產生熱量完全為水吸收,則最後水溫將為多少℃? (A) 30 (B) 40 (C) 50 (D) 60
4 100 瓦特燈泡使用 20 小時,耗用電力為多少度? (A) 0.1 (B) 0.2 (C)1 (D)2
5 一電感器之電感值為 L,通以穩定之直流電流 I 時,則在電感器兩端產生之電動勢為多少伏特? (A) 0.5 LI (B) LI (C) LI2 (D)0
6 一只 100 微法拉之電容器跨接於 200 伏特之直流電源,則該電容器所儲存的電量為多少庫倫? (A) 0.02 (B) 0.2 (C)2 (D) 20
7 若甲線圈在 0.1 秒內電流由 0 安培上升至 2.5 安培,使其附近之乙線圈感應 25 伏特之感應電勢,則甲乙兩 線圈間之互感為多少亨利? (A)1 (B) 1.5 (C)2 (D) 2.5
8 一線圈數為 100 匝的螺線管,當通過 4 安培電流時,在每一匝上產生 0.02 韋伯之磁通,則該螺線管所儲存 之能量為多少焦耳? (A)2 (B)4 (C)6 (D)8
9 如圖所示,試計算 ac 兩點間電壓 V
ac
為多少伏特?
(A) 16 (B) 36 (C) 24 (D) 12
10 如圖所示電路,試求 V
a
-V
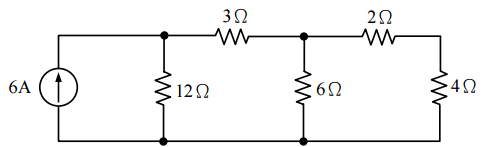
b
為多少伏特?
(A)4 (B)6 (C)-2 (D)-4
11 如圖所示,試求 I
1
之電流值為若干安培?
(A)3 (B)1 (C)6 (D) 1.5
12 將 10 個材質相同且電阻值均為 50Ω之電阻並聯,且接於 80 伏特之電源,則其總電流為多少安培? (A) 1.6 (B)8 (C)5 (D) 16
13 如圖所示含有電容、電感及電阻之直流電路,已知電感 L 為 1 H、電容 C 為 3 F,則到達穩態時,流經 2Ω 電阻之電流大小為多少安培?
(A) 1.6 (B) 2.6 (C) 3.6 (D) 4.6
14 有一直流電路含有二只相同電容及一只電阻,三者相互串聯,已知電容值均為 20 µF、電阻值為 10 kΩ,則 電容充電時之時間常數為多少秒? (A) 0.1 (B) 0.2 (C) 0.4 (D) 0.004
15 如圖所示含有直流電壓源及直流電流源各乙具之電路,則流經 2Ω電阻之電流大小為多少安培?
(A)0 (B)1 (C) 1.5 (D)2
16 如圖所示含有電感及電阻之直流電路,已知電感 L 為 1 mH,則到達穩態時電感上之電流大小為多少安培?
(A)0 (B)5 (C) 10 (D) 15
17 穩態交流電路中,流經電容抗 25Ω之電流 i(t)=5sin(377t)安培,則此電容的端電壓為多少伏特? (A) 125sin(377t) (B) 25sin(377t) (C) 5sin(377t-90°) (D) 125sin(377t-90°)
18 某一交流電路,其電壓源之開路電壓為 100 ∠0° V(有效值),已知其電源內部等效串聯阻抗為 2+j2Ω,假 設其所連接之負載阻抗調至最大功率輸出,則此負載消耗之最大功率為多少瓦特? (A) 1000 (B) 5000 (C) 2500 (D) 1250
19 三相平衡負載其總平均功率為 1.6 kW,功率因數為 0.8 落後,若負載端之線對線電壓為 200 V(有效值), 則其線電流為多少安培? (A)
(B) 10 (C) 20 (D)
20 三相負載每相阻抗皆為 3+j4Ω且 Y 接線,若每相之相電流為 10 A(有效值),則此三相負載消耗之總平均 功率為多少瓦特? (A) 1200 (B) 900 (C) 600 (D) 300
21 5Ω之電阻器中,當通過 i(t)=6sin(ωt+30°) 安培時,電阻器所消耗之功率為多少瓦特? (A) 80 (B) 20 (C) 90 (D) 40
22 電導的單位為: (A)歐姆(ohm) (B)安培 (C)西門子(siemens) (D)焦耳(Joule)
23 茲有一個 1 kΩ電阻,其所能承受之最大功率為 0.256 W,則該電阻所能承受之最大安全工作電壓為多少? (A) 10 V (B) 16 V (C) 20 V (D) 30 V
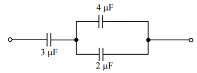
24 如下圖所示之電容器組合,試求其等效電容為多少?
(A) 2 µF (B) 3 µF (C) 1 µF (D) 4 µF
25 下列何種電路元件的儲存能量與其端電壓平方成正比? (A)電感 (B)電容 (C)電阻 (D)二極體
26 如圖所示之電路,兩開關同時閉合之前,兩電容器各有之電壓如圖所示,求閉合後兩者之共同電壓為多少 伏特?
(A)6 (B) 7.5 (C)8 (D)9
27 一訊號源輸出於開路時,電壓為 25 伏特,但接上 100Ω之電阻後,電壓降為 20 伏特,則該訊號源之內阻為 多少Ω? (A) 25 (B) 50 (C) 75 (D) 100
28 如圖所示之電路,該電路之等效電阻 R
T
為 1 kΩ,試求電阻 R:
(A) 500Ω (B) 2 kΩ (C) 800Ω (D) 6 kΩ
29 將 R
1
及 R
2
兩個電阻器相互並聯,若流過 R
1
的電流為 2 安培且 R
1
所消耗的功率為 100 瓦特,而此時 R
2
所 消耗的功率則為 50 瓦特,試求此兩個電阻器的電阻值各為多少Ω? (A) R
1
=25,R
2
=50 (B) R
1
=50,R
2
=25 (C) R
1
=20,R
2
=30 (D) R
1
=40,R
2
=2
30 在以下所示的直流電路中,從 a 及 b 兩點所觀測得到的戴維寧等效(Thevenin’s Equivalent)電路之電壓源 V
oc
大小為多少伏特?
(A) 40 (B) 50 (C) 60 (D) 80
31 如圖示之電路到達穩定狀態後,電流 I 之值等於多少安培?
(A)0 (B)1 (C)2 (D)4
32 下圖所示電路已達穩態,則其中電容器所儲存之能量為少焦耳?
(A) 36 (B) 24 (C) 18 (D) 12
33 如下圖所示直流電路,6Ω電阻器所消耗之功率為多少瓦特?
(A) 18 (B) 24 (C) 20 (D) 16
34 在以下所示的直流電路當中,試求出由電壓源所提供至所有電阻器的總功率 P 為多少瓦特(W)?
(A) 2500 (B) 2000 (C) 1500 (D) 1000
35 在一個交流串聯電路當中,若串聯電阻總和為 10Ω,電感抗總和為 j22Ω,而電容抗總和為-j12Ω,試求加 於此串聯電路之電壓源電壓領先流出電壓源之電流為幾度? (A) 90 (B) 45 (C)-45 (D)-90
36 某電器為定實功率負載,其功率因數為 0.8 時,線路電流為 50 安培,若將功率因數提升至 1.0 時,則線路 電流變為多少安培? (A) 30 (B) 45 (C) 40 (D) 15
37 假設三相平衡負載之實功率為 P,虛功率為 Q,則其功率因數等於: (A)
(B)
(C)
(D)
38 若將一個可提供 v(t)=141.21cos(120πt) 伏特的電壓源連接至一大小為 0.01 亨利的理想電感器,試求此電路 中所消耗的總實功率為多少瓦特? (A)0 (B) 200 (C) 2652.52 (D) 37700
39 在一個交流串聯電路當中,若串聯電阻為 5Ω,電感為 0.04 亨利(H),電容為 0.01 法拉(F),試問若此 電路發生串聯諧振情況,則外加電源的角頻率為多少 rad/sec? (A) 60 (B) 50 (C) 15.92 (D) 7.958
40 若一交流系統中由電源所提供的電壓及電流可分別表示為 v(t)=50sin(ωt) 伏特,i(t)=16sin(ωt-30°) 安培, 則由此電源所供應的平均實功率(Real Power)為多少瓦特? (A) 400 (B) 346.4 (C) 200 (D) 173.2
申論題 (0)
相關試卷
115年 - 115 初等考試_電子工程:基本電學大意#136711
115年 · #136711
114年 - 114 初等考試_電子工程:基本電學大意#124884
114年 · #124884
113年 - 113-2 國營臺灣鐵路股份有限公司_從業人員甄試_第 11 階-服務員-電機:基本電學大意#137070
113年 · #137070
113年 - 113 國營臺灣鐵路股份有限公司_從業人員甄試_第 11 階-服務員-電機:基本電學大意#118978
113年 · #118978
113年 - 113 初等考試_電子工程:基本電學大意#118528
113年 · #118528
112年 - 112 地方政府特種考試_五等_電子工程:基本電學大意#118365
112年 · #118365
112年 - 112 鐵路、國家安全情報特種考試_佐級、五等_電力工程、電子工程、電子組:基本電學大意#114946
112年 · #114946
112年 - 112 身心障礙特種考試_五等_電子工程:基本電學大意#113918
112年 · #113918
112年 - 112 初等考試_電子工程:基本電學大意#112884
112年 · #112884
111年 - 111 地方政府特種考試_五等_電子工程:基本電學大意#112591
111年 · #112591