阿摩線上測驗
登入
首頁
>
統測◆01機械群◆(一)機件原理、機械力學
> 96年 - 96 二技統測_機械類_專業科目(一):工程力學#38260
96年 - 96 二技統測_機械類_專業科目(一):工程力學#38260
科目:
統測◆01機械群◆(一)機件原理、機械力學 |
年份:
96年 |
選擇題數:
12 |
申論題數:
0
試卷資訊
所屬科目:
統測◆01機械群◆(一)機件原理、機械力學
選擇題 (12)
14.如圖(一)所示,理想的均質鉛球靜止於光滑之水平地面上,下列敘述何者正確?
(A)此時鉛球不受任何外力 (B)此時鉛球僅受重力與摩擦力 (C)此時鉛球僅受重力與水平地面之支撐力 (D)此時鉛球僅受摩擦力與水平地面之支撐力
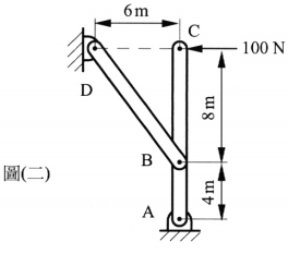
15.如圖(二)所示,不考慮各桿件質量,且各接點均無任何摩擦阻力,於C點施以100N之力, 此時A點之作用力大小爲多少?
(A) 100N (B) 200 N (C) 375N (D) 447N
16.如圖(三)所示,斷面之形心
爲多少?
(A) 2 cm (B) 3 cm (C) 4 cm (D) 6 cm
17.則簡支樑在A點之作用力大小爲多少? (A) 400N (B) 600N (C) 1490N (D) 2850 N
18.承上題,簡支樑在C處之彎曲力矩大小爲多少? (A) 8280Nm (B) 9480 N • m (C) 10800Nm (D) 11800 N.m
19.如圖(五)所示,一聯結器之兩桿件用插銷連結,並承受1000 N之拉力作用,插銷之容許 剪應力爲10 MPa,則插銷之直徑d至少應爲多少?
(A) 4.0 mm (B) 8.0mm (C) 11.3 mm (D) 17.8 mm
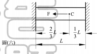
20.如圖(六)所示,長度爲L之圓棒,其斷面積爲A,彈性模數爲E,圓棒兩端固定。C點 若受到向左之軸向力F,則圓棒C點之位移爲多少?
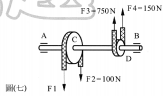
21.如圖(七)所示,圓桿AB之兩端各由軸承支撐,其直徑爲5 cm,並於C處與D處各有 直徑爲80 cm與40 cm之皮帶輪,其中D輪爲驅動輪,則於C輪上皮帶之張力F1爲多少?
(A) 200N (B) 300N (C) 400N (D) 800N
22.兩等重物體由同一高度釋放,其中一個以水平拋出,另一個自由落下,若空氣阻力的作用 可忽略不計,則下列敘述何者正確? (A)兩者會同時著地 (B)水平拋出者先著地 (C)自由落下者先著地 (D)何者先著地,視水平拋出之速度大小而定
23.如圖(八)所示,當A點以18m/SeC之速度向右移動時,則滑塊B的移動速度爲多少?
(A) 4m/sec 向右 (B) 4m/sec 向左 (C) 6m/sec 向右 (D) 6m/ sec 向左
24.如BI(九)所示,荷重A的質量爲8 kg,荷重B的質量爲12 kg。若滑輪與軸承之間無任何 摩擦阻力,且滑輪與繩索的質量忽略不計’則繩索的張力爲多少?(重力加速度爲9.8m/SeC2 )
(A) 39.2 N (B) 59.6N (C) 78.4N (D) 94.IN
25.如圖(十)所示,有一質量200 kg之A物體#自由落下到$彈簧上&彈簧之彈簧常數爲 98kN/m。若不考慮彈簧質量,且空氣阻力的作用可忽略不計,則彈簧之最大壓縮距離爲 多少?
(A) 6.3 cm (B) 8.6 cm (C) 12.4 cm (D) 14.5 cm
申論題 (0)
相關試卷
115年 - 115 身心障礙學生升學大專校院甄試試題_四技二專組_機械群_專業科目(一):機件原理、機械力學#139524
115年 · #139524
115年 - 115 四技二專統測_機械群_專業科目(一):機件原理、機械力學#139317
115年 · #139317
114年 - 114 四技二專統測_機械群_專業科目(一) :機件原理、機械力學#137655
114年 · #137655
114年 - 114 身心障礙學生升學大專校院甄試試題_四技二專組(機械群):機件原理、機械力學#137234
114年 · #137234
113年 - 113 身心障礙學生升學大專校院甄試試題_四技二專組_機械群_專業科目(一):機件原理、機械力學#125683
113年 · #125683
113年 - 113 四技二專統測_機械群_專業科目(一) :機件原理、機械力學#122234
113年 · #122234
112年 - 112 身心障礙學生升學大專校院甄試試題_四技二專組_機械群_專業科目(一):機件原理、機械力學#118651
112年 · #118651
112年 - 112 四技二專統測_機械群_專業科目(一) :機件原理、機械力學#114340
112年 · #114340
111年 - 111 身心障礙學生升學大專校院甄試試題_四技二專組_機械群_專業科目(一):機件原理、機械力學#118914
111年 · #118914
111年 - 111 四技二專統測_機械群:專業科目(一)機件原理、機械力學#107808
111年 · #107808