阿摩線上測驗
登入
首頁
>
技師◆流體力學與流體機械
> 97年 - 97 專技高考_冷凍空調工程技師:流體力學與流體機械#36099
97年 - 97 專技高考_冷凍空調工程技師:流體力學與流體機械#36099
科目:
技師◆流體力學與流體機械 |
年份:
97年 |
選擇題數:
0 |
申論題數:
4
試卷資訊
所屬科目:
技師◆流體力學與流體機械
選擇題 (0)
申論題 (4)
一、某往復式壓縮機的活塞在上死點與下死點時,其氣缸內的體積分別為 0.0001 m
3
與 0.001 m
3
。在某一操作情形下,由於氣體的膨脹作用,使活塞由上死點往下死點後 退到氣缸內的體積為 0.0005 m
3
時,氣體才能實際開始被吸入氣缸內,試求該壓縮 機在此操作情形下的餘隙體積效率(Clearance volumetric efficiency)。(25 分)
【已刪除】二、下圖顯示某離心式泵(Centrifugal pump)的升壓器葉片(Diffuser vane)尺寸與角 度,其中葉片垂直於圖面的通道寬度為 20 mm。在理想而無摩擦情形下,若該泵的 動葉輪輸送水的流率為 0.055 m
3
/s,而水的密度為 1000 kg/m
3
,試求水通過該升壓 器的壓力上升量。(25 分)
三、在層流條件下,某流體流過橫剖面為三角形的通道的體積流率為 Q,該通道的長度 為 L,而三角形橫剖面的邊長為 a。已知 Q 為流體絕對黏度 μ,每單位長度的壓力 降 Δ P/L,及 a 的函數,試利用 П 定理(PI 定理)求該函數。(20 分)若 a 加倍, 則 Q 變為原來的幾倍?(5 分)
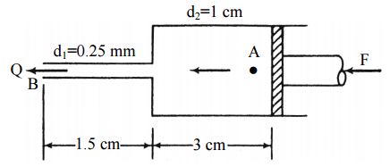
【已刪除】四、某流體被一活塞壓迫而流經一細管,如下圖所示,其穩定流率為 0.36 cm
3
/s。若該 流體的密度與絕對黏度分別為 910 kg/m
3
與 0.002 kg/m.s,而活塞所在的大端內的摩 擦損失可以忽略,試求使該流體穩定流動所需要的力 F。(25 分)
相關試卷
114年 - 114 專技高考_機械工程技師:流體力學與流體機械#133682
114年 · #133682
114年 - 114 專技高考_冷凍空調工程技師:流體力學與流體機械#133673
114年 · #133673
113年 - 113 專技高考_機械工程技師:流體力學與流體機械#123970
113年 · #123970
113年 - 113 專技高考_冷凍空調工程技師:流體力學與流體機械#123961
113年 · #123961
112年 - 112 專技高考_機械工程技師:流體力學與流體機械#117662
112年 · #117662
112年 - 112 專技高考_冷凍空調工程技師:流體力學與流體機械#117610
112年 · #117610
111年 - 111 專技高考_冷凍空調工程技師:流體力學與流體機械#111949
111年 · #111949
111年 - 111 專技高考_機械工程技師:流體力學與流體機械#111948
111年 · #111948
110年 - 110 專技高考_機械工程技師:流體力學與流體機械#104180
110年 · #104180
110年 - 110 專技高考_冷凍空調工程技師:流體力學與流體機械#104172
110年 · #104172