阿摩線上測驗
登入
首頁
>
高等鋼筋混凝土學與設計
> 97年 - 97 高等考試_二級_土木工程:高等鋼筋混凝土學與設計#38199
97年 - 97 高等考試_二級_土木工程:高等鋼筋混凝土學與設計#38199
科目:
高等鋼筋混凝土學與設計 |
年份:
97年 |
選擇題數:
0 |
申論題數:
4
試卷資訊
所屬科目:
高等鋼筋混凝土學與設計
選擇題 (0)
申論題 (4)
一、請說明影響一鋼筋混凝土連續梁彎矩再分配(moment redistribution)之因素。(25 分)
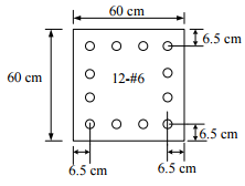
【已刪除】二、一RC構架之邊柱斷面為 60 cm × 60 cm, f ′
c
=280 kgf/cm
2
,f
yt
= 4200 kgf/cm
2
,淨高 為 3 m。箍筋間距為 10 cm。請按耐震規定設計#5 圍束箍筋並繪斷面配筋圖。#6 鋼 筋直徑為 1.91 cm。#5 鋼筋直徑為 1.59 cm,截面積為 1.99 cm
2
。(25 分)
三、請依耐震設計規定檢核一RC構架角柱接頭之剪力強度。 f ′
c
= 280 kgf/cm
2
,f
y
= 4200 kgf/cm
2
,樓層高為 3.5 m,梁與柱同寬。柱斷面為 60 cm × 60 cm。梁之有 效深度d = 62 cm,拉力筋為 6-#8。#8 之截面積為 5.07 cm
2
。(25 分)
【已刪除】四、一雙向版系統如下圖所示, f ′
c
=280 kgf/cm
2
,f
y
= 4200 kgf/cm
2
,梁斷面尺寸皆相同, 請以撓度控制要求檢核內部區間版厚h =15 cm是否恰當。(25 分)
相關試卷
114年 - 114 高等考試_二級_土木工程:高等鋼筋混凝土學與設計#131588
114年 · #131588
113年 - 113 高等考試_二級_土木工程:高等鋼筋混凝土學與設計#123081
113年 · #123081
112年 - 112 高等考試_二級_土木工程:高等鋼筋混凝土學與設計#116765
112年 · #116765
111年 - 111 高等考試_二級_土木工程:高等鋼筋混凝土學與設計#111041
111年 · #111041
110年 - 110 高等考試_二級_土木工程:高等鋼筋混凝土學與設計#101945
110年 · #101945
109年 - 109 高等考試_二級_土木工程:高等鋼筋混凝土學與設計#91545
109年 · #91545
108年 - 108 高等考試_二級_土木工程:高等鋼筋混凝土學與設計#79557
108年 · #79557
107年 - 107 高等考試_二級_土木工程:高等鋼筋混凝土學與設計#72401
107年 · #72401
106年 - 106 高等考試_二級_土木工程:高等鋼筋混凝土學與設計#65185
106年 · #65185
104年 - 104 高等考試_二級_土木工程:高等鋼筋混凝土學與設計#31752
104年 · #31752