阿摩線上測驗
登入
首頁
>
統測◆01機械群◆(一)機件原理、機械力學
> 98年 - 98 二技統測_機械類_專業科目(二):工廠實習、精密量測實驗#20672
98年 - 98 二技統測_機械類_專業科目(二):工廠實習、精密量測實驗#20672
科目:
統測◆01機械群◆(一)機件原理、機械力學 |
年份:
98年 |
選擇題數:
40 |
申論題數:
0
試卷資訊
所屬科目:
統測◆01機械群◆(一)機件原理、機械力學
選擇題 (40)
1. 下列關於工廠安全之敘述,何者最正確? (A) 工廠安全顏色中,紅色是用以標示消防設備或危險 (B) 雖然已實施菸害防制法,但一般工廠較寬廣,鉗工作業中仍可以抽菸 (C) 鑽削加工時,應特別小心手套、領帶或圍巾被捲入 (D) 使用砂輪機磨削車刀時,使用防護罩較容易影響視線,必要時可以打開防護罩
2. 板手是常用的手工具之一,下列常見的型式中,何者名稱與圖形不符?
3. 若由圖(一) (a) 直徑 50 mm、長 150 mm 之低碳鋼圓棒車削製成如圖(一) (b) 之內孔工件時,不需要使用下列何種刀具? (A) 鑽頭 (B) 內孔車刀 (C) 輥花刀 (D) 截斷刀
4. 下列關於銼削加工之敘述,何種最正確? (A) 單銼齒之銼刀較容易沾黏銼屑,故不用於精光銼削 (B) 為了增加銼削量,可於銼刀面上塗些粉筆,以便讓銼屑易於脫落 (C) 銼刀用畢,要用銅刷刷乾淨,不可上油 (D) 由於鑄件硬度較高,銼削時應先選擇新銼刀
5. 下列手工具或機械中,何種不是以鋸切原理達成加工目的的? (A) 鑿刀 (B) 手弓鋸 (C) 鋼鋸機 (D) 帶鋸機
6. 下列有關塊規之選用與組合原則,何者最不正確? (A) 組合所需塊規數愈少愈佳 (B) 先選用較薄尺寸者 (C) 可用於校驗量具精度 (D) 組合應由最薄尺寸者開始且應採用旋轉密接法
7. 下列有關雷射干涉儀配合各類折射鏡與反射鏡之量測及檢驗應用,何者不正確? (A) 適用於量測真直度與誤差 (B) 適用於量測真圓度與誤差 (C) 適用於量測垂直度與誤差 (D) 適用於量測平行度與誤差
8. 下列量具中,何者無法直接讀出所量測之角度值? (A) 組合角尺 (B) 正弦桿 (C) 萬能量角器 (D) 直角尺
9. 欲利用塊規歸零校對範圍由 20 mm 至 50 mm 之分厘卡,最適宜選用之塊規尺寸為下列何者? (A) 10 mm (B) 15 mm (C) 20 mm (D) 25 mm
10. 真圓度量測儀不適於下列何種量測? (A) 圓柱度 (B) 表面粗度 (C) 真直度 (D) 垂直度
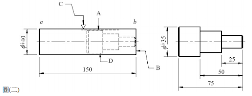
11. 一直徑 40 mm、長 150 mm 之低碳鋼圓棒,以車床車削加工成最大徑為 35 mm 之階級桿,參考圖(二),若將圓棒夾持於 a 端後,開始車削時,應最先車削之部位為下列何者? (A) 鋼棒之外表黑皮 (B) b 端之端面 B 處 (C) 距 b 端約 80 mm 處之淺溝識別記號 (D) 車外徑至約 35.5 mm 左右
12. 依據 ISO 規定,可替換式碳化物車刀之分類,下列何者正確? (A) A、B、C (B) P、M、K (C) A、A
+
、A
++
(D) P、B、L
13. 下列關於機械製品製作之敘述中,何者不正確? (A) 鍛造製品之組織晶粒較鑄造品者細緻 (B) 鑽石刀具為超精密加工之較佳選擇之一 (C) 工作母機之床台多採用鑄鐵製成而不用鋼,主要是由於鑄鐵之吸振能力較佳 (D) 電弧銲( arc welding )之電銲條被覆材主要是用以防止內部金屬於儲存時生鏽
14. 選用車床夾頭須考慮包括工件形狀與加工部位等,但夾頭之種類甚多,下列何者最適用於不規則工件之重車削? (A) 三爪自動夾頭 (B) 磁力夾頭 (C) 六爪單動夾頭 (D) 四爪單動夾頭
15. 下列以手工用螺絲攻進行攻螺紋作業之敘述,何者最正確? (A) 萬一螺絲攻於作業中折斷,應先敲斷外露部分,再以鑽頭鑽除 (B) 近代之螺絲攻之材質已大幅改善,必要時可以直接由第一攻跳至第三攻 (C) 活動板手可以用來取代攻螺紋作業之 T 形旋轉板手 (D) 螺絲攻一組為三支,但直徑卻都相同的
16. 圖(三)之銑床銑削溝槽之示意圖,最不可能為下列何種銑床? (A) 立式銑床 (B) 萬能銑床 (C) 臥式銑床 (D) NC 銑床
17. 下列關於磨床及磨削之敘述,何者不正確? (A) 磨削常用來加工硬度較高之工件 (B) 磨床可控制之最小加工深度較車床或鉋床為淺 (C) 砂輪是平面磨床最重要的消耗性零件之一 (D) 不同於龍門鉋床,龍門平面磨床之床台固定而不做往復運動
18. 若將於 1 mm 厚之軟鋼板上進行板金畫圓弧作業,應準備之機具除抹布、鋼尺、分規及劃針外,至少還需要下列何種工具? (A) 厚薄規 (B) 刺衝 (C) 游標高度規 (D) 劃線台
19. 下列圖中,何者為最佳鑄件之剖面?
20. 依據 CNS 之規定,下列有關數值控制工具機之敘述,何者正確? (A) 數值控制工具機採左手座標系統,指尖方向為三軸之正向 (B) CNC 車床為三軸運動之數值控制工具機之一 (C) 每一數值控制工具機程式之單節指令皆以「;」為結束 (D)「G00 X20.0 Y6.0 G1A」為有效之單節指令
21. 欲選用 2 mm 基數、112 塊規組中之塊規,組合 58.125 mm 之尺寸,則宜最先選擇的塊規尺寸為下列何者? (A) 0.025 mm (B) 2.005 mm (C) 0.125 mm (D) 50 mm
22. 欲以 100 mm 正弦桿量測 30 o 角度,若其中一端放置高度 25 mm 塊規,則另一端之塊規尺寸為何? ( sin 30
o
= 0.5、cos 30
o
= 0.866、tan30
o
= 0.577、cot 30
o
= 1.732 ) (A) 198.2 mm (B) 111.6 mm (C) 82.7 mm (D) 75 mm
23. 下列有關組合角尺應用之敘述,何者不正確? (A) 適用於定位圓形工件端面的近似中心 (B) 適用於量測深度與高度 (C) 適用於量測 30 ± 0.1 o (D) 適用於量測 45o 角或直角
24. 若以 12.00 mm 塊規組合校驗游標卡尺之外測測爪精度,得知其讀值為 11.86 mm。如果以此游標卡尺量測某一工件,得知其長度讀值為 58.16 mm,則此工件的正確尺寸應為下列何者? (A) 58.30 mm (B) 58.16 mm (C) 58.02 mm (D) 58.46 mm
25. 游標卡尺之結構中,下列何者最適於量測圖(四)標示 18 mm 之尺寸? (A) 外測測爪 (B) 內測測爪 (C) 階段測爪 (D) 深度測桿
26. 下列量測儀器中,何者最適用於三維( 3D )曲面之量測? (A) 三次元座標量測儀 (B) 真圓度量測儀 (C) 表面粗度儀 (D) 測長儀
27. 下列有關光學投影機之應用,何者最不正確? (A) 適用於量測工件長度 (B) 適用於量測螺紋牙角 (C) 適用於量測深孔深度 (D) 適用於量測工件輪廓
28. 使用固定於比較式檢驗台的指示量錶進行下述量測工作:先量測 E 工件並將錶面刻度歸零;再量測 F 工件,結果量錶指針顯示值為 0.08 mm。此兩工件之尺寸關係應為下列何者? (A) E > F (B) E = F (C) E = F – 0.08 (D) F = E – 0.08
29. 下列有關三線測量法應用之敘述,何者最正確? (A) 可準確度量三角螺紋的節徑 (B) 主要目的是可準確且直接讀出螺紋的牙角值 (C) 螺紋角愈大,量測誤差愈小 (D) 可以使用直徑不同之三支鋼線且直接讀出節徑值
30. 下列有關量具選用之敘述,何者最正確? (A) 節圓直徑適宜使用齒輪分厘卡量測 (B) 只須考慮精度要求,不須考慮量測部位 (C) 為求高準確度,粗胚圓桿最適宜使用分厘卡量測 (D) 弦齒厚最不適宜使用齒輪游標卡尺量測
31. 下列有關車削內螺紋之敘述,何者不正確? (A) 車削內螺紋與車削外螺紋之原理、進刀方式等均相同 (B) 螺紋車刀之刀尖應與工件中心等高 (C) 車削盲孔內螺紋之內孔須車內槽,以便車刀有退刀空間 (D) 車削不同形狀內螺紋,只須改磨削車刀之形狀即可
32. 參考圖(五),一般使用兩個重疊螺帽來鎖緊螺栓的主要目的是為了「防止裝配鬆脫」,下列何種鎖緊方式最正確? (A) a 與 b 同時鎖緊後,b 再微鬆些許 (B) 無關 a、b 之鎖緊順序,只要鎖緊即可 (C) a 與 b 同時鎖入,定位後 a、b 再一起鎖緊 (D) 先鎖緊 a,再鎖緊 b,b 不動、微鬆 a
33. 下列關於鑽削加工之敘述,何者最不正確? (A) 鑽削時發生尖銳聲且鑽屑變藍,可能原因之一是鑽頭變鈍 (B) 鑽削速度是指鑽頭之表面切線速度,故可以表示成: π×鑽頭直徑×主軸轉速 (C) 鑽刃之餘隙角太小是鑽頭折斷的可能原因之一 (D) 鑽削加工均不可使用切削劑的
34. 下列有關選擇銑刀之敘述,何者不正確? (A) 工件材質較軟而有展性者,銑刀之徑向斜角應選擇略大者 (B) 端銑刀( end mills )可以端面形狀區分,但只有方端和球鼻端兩種,故應用範圍較小 (C) 較硬材質之工件,應選擇銑刀之徑向斜角約 0
o
~ 10
o
為宜 (D) 需要銑削平面時,可選擇平銑刀( plain milling cutter )或面銑刀( face cutter )均可
35. 下列關於龍門鉋床與牛頭鉋床之敘述,何者不正確? (A) 龍門鉋床是以床台、而牛頭鉋床是以鉋刀做往復運動 (B) 龍門與牛頭鉋床都是以鉋刀與床台間之相對直線運動,達成鉋削功能 (C) 龍門鉋床造價較高,故不適於鉋削多件、同樣之工件鉋削 (D) 牛頭鉋床造價較龍門鉋床便宜,但可鉋削之工件尺寸也較小
36. 若欲以一般游標卡尺量測如圖(六)所示工件之兩孔中心距離X。可行方法為先量取量測部位 L、M、P、Q 之尺寸,再計算X 尺寸,最不適合之計算式為下列何者? (A) X = ( L+M )/ 2 (B) X = ( P+Q )/ 2 (C) X = L– 12 (D) X = M+12
37. 下列有關表面粗度儀與輪廓量測儀之敘述,何者最不正確? (A) 表面粗度係表示工件之低頻不規則表面與亮度 (B) 兩者可合併在同一機台上使用 (C) 使用之探針與量測範圍均不同 (D) 量測角度與放大倍率均不同
38. 下列有關螺紋樣規應用之敘述,何者最不正確? (A) 螺紋環規之不通過端測頭可通過外螺紋,表示其節圓直徑太小 (B) 螺紋卡規之通過端滾規可控制外螺紋之最大節圓直徑尺寸 (C) 螺紋環規之通過端與不通過端測頭均可通過內螺紋,表示其節圓直徑太大 (D) 螺紋樣規可檢驗螺紋角與節距
39. 將精密度 0.1 mm / m 之氣泡式水平儀放置在 1 m 長的平面上,量測結果顯示氣泡偏右 兩格。若將水平儀拿起且原地旋轉 180 o 再放回原位置,量測結果為偏右 1 格。試問 下列敘述何者最正確? (A) 平面兩端無高度差 (B) 平面之左側較高 (C) 平面兩端高度差 0.15 mm (D) 平面兩端高度差 0.2 mm
40. 利用圖(七)所示之光學平鏡與塊規安排,可使用比較式測量方法求出鋼球直徑 D;若單色光波長為 λ,光學平鏡上觀察到 N 條干涉條紋,則其直徑表示式為下列何者? (A) D = [ λ / 2×N×(P/W ) ]+H (B) D = [ λ / 2×N×( W/L ) ] + H (C) D = [ λ / 2×N×( L/W ) ]+Q (D) D = [ λ / 2×N×( L/W ) ] + H
申論題 (0)
相關試卷
115年 - 115 身心障礙學生升學大專校院甄試試題_四技二專組_機械群_專業科目(一):機件原理、機械力學#139524
115年 · #139524
115年 - 115 四技二專統測_機械群_專業科目(一):機件原理、機械力學#139317
115年 · #139317
114年 - 114 四技二專統測_機械群_專業科目(一) :機件原理、機械力學#137655
114年 · #137655
114年 - 114 身心障礙學生升學大專校院甄試試題_四技二專組(機械群):機件原理、機械力學#137234
114年 · #137234
113年 - 113 身心障礙學生升學大專校院甄試試題_四技二專組_機械群_專業科目(一):機件原理、機械力學#125683
113年 · #125683
113年 - 113 四技二專統測_機械群_專業科目(一) :機件原理、機械力學#122234
113年 · #122234
112年 - 112 身心障礙學生升學大專校院甄試試題_四技二專組_機械群_專業科目(一):機件原理、機械力學#118651
112年 · #118651
112年 - 112 四技二專統測_機械群_專業科目(一) :機件原理、機械力學#114340
112年 · #114340
111年 - 111 身心障礙學生升學大專校院甄試試題_四技二專組_機械群_專業科目(一):機件原理、機械力學#118914
111年 · #118914
111年 - 111 四技二專統測_機械群:專業科目(一)機件原理、機械力學#107808
111年 · #107808